MAX2043

过期

1700MHz至3000MHz、高线性度、低LO泄漏、基站Rx/Tx混频器

完全集成的上/下变频混频器, 提供7.5dB的变换增益、31dBm的IIP3、7.8dB的NF和63dBc的2LO - 2RF抑制和-52dBm的LO - RF泄漏,可取代一个无源混频器、一个LO放大器、2个非平衡变压器、一个LO开关以及十几个分立元件

产品技术资料帮助

ADI公司所提供的资料均视为准确、可靠。但本公司不为用户在应用过程中侵犯任何专利权或第三方权利承担任何责任。技术指标的修改不再另行通知。本公司既没有含蓄的允许,也不允许借用ADI公司的专利或专利权的名义。本文出现的商标和注册商标所有权分别属于相应的公司。

Viewing:

概述

  • +31dBm典型三阶输入截点
  • +23dBm典型输入1dB压缩点
  • 1700MHz至3000MHz RF频率范围
  • 1900MHz至3000MHz LO频率范围 集成LO缓冲器
  • DC至350MHz IF频率范围
  • 7.5dB典型变频损耗
  • 7.8dB典型噪声系数
  • -160dBc/Hz LO噪声
  • 在RF端口具有-52dBm的LO泄漏
  • 67dBc LO ± 2IF杂散抑制
  • -3dBm至+6dBm LO驱动
  • +5V单电源供电
  • 内置SPDT LO开关,LO1至LO2隔离度为43dB,50ns开关时间
  • 内部RF 和LO非平衡变压器,用于单端输入
  • 外部电流设置电阻提供混频器的低功耗/低性能指标模式选项
  • 提供无铅封装
  • MAX2043高线性度、无源上变频/下变频混频器可为UMTS/WCDMA、DCS、PCS和WiMAX基站应用提供大约+31dBm的IIP3、+67dBc的LO ± 2IF杂散抑制、7.8dB的噪声系数、7.5dB的转换损耗以及-52dBm的LO泄漏。该混频器具有1700MHz至3000MHz的RF频率范围和1900MHz至3000MHz的LO频率范围,非常适合高端LO注入结构。

    MAX2043不仅具有出色的线性度和噪声性能,还具有非常高的器件集成度。MAX2043内部集成了RF和LO端口的非平衡变压器、双输入LO选择开关、LO缓冲器和双平衡混频器。片上非平衡变压器可用于单端下变频RF输入(或者上变频RF输出)以及单端LO输入的转换。MAX2043需要标称值为0dBm的LO驱动,供电电流保证小于108mA。IF端口直流耦合非常适合直接变换或调制。作为上变频器,该器件具有小于-160dBc/Hz的低输出噪声底(发送0dBm RF功率时为-160dBm/Hz)。

    MAX2043采用36引脚薄型QFN封装(6mm x 6mm),带有裸焊盘。可保证工作在-40°C至+85⪚C扩展级温度范围。

    应用

    • cdmaOne™与cdma2000®基站
    • DCS 1800与EDGE基站
    • 数字与扩频通信系统
    • 微波链路
    • PCS 1900与EDGE基站
    • 点到点微波系统
    • 个人移动无线装置
    • UMTS/WCDMA与3G基站
    • WiMAX基站和用户端设备
    • 无线本地环路

    MAX2043
    1700MHz至3000MHz、高线性度、低LO泄漏、基站Rx/Tx混频器
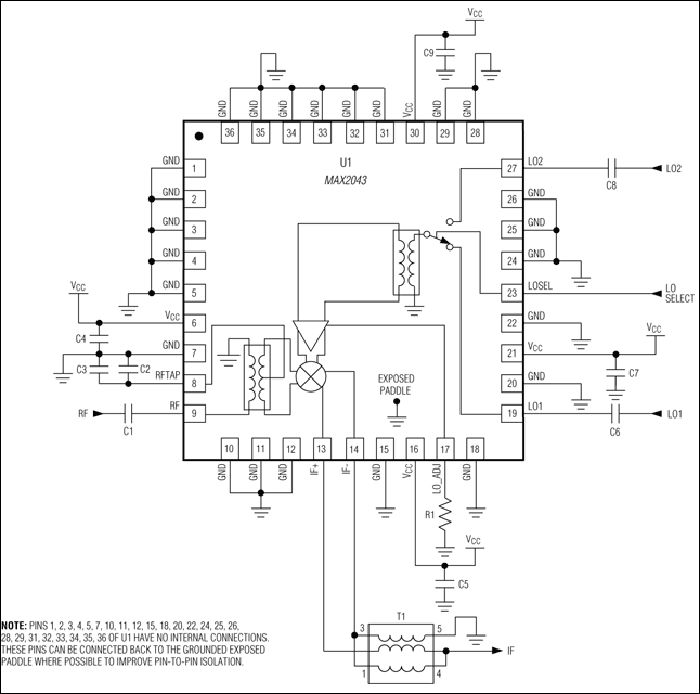
    MAX2043:典型工作电路
    添加至 myAnalog

    将产品添加到myAnalog 的现有项目或新项目中(接收通知)。

    创建新项目
    提问

    参考资料

    了解更多
    添加至 myAnalog

    Add media to the Resources section of myAnalog, to an existing project or to a new project.

    创建新项目

    软件资源

    找不到您所需的软件或驱动?

    申请驱动/软件

    硬件生态系统

    部分模型 产品周期 描述
    RF混频器 14
    MAX9981 过期 825MHz至915MHz、双路、SiGe高线性度有源混频器
    MAX9982 过期 825MHz至915MHz、SiGe高线性度有源混频器
    MAX9993 最后购买期限 高线性度、1700MHz至2200MHz下变频混频器,带有LO缓冲器/开关
    MAX9994 量产 SiGe、高线性度、1400MHz至2200MHz下变频混频器,带有LO缓冲器/开关
    MAX9995 最后购买期限 双通道、SiGe、高线性度、1700MHz至2700MHz下变频混频器,带有LO缓冲器/开关
    MAX9984 量产 SiGe、高线性度、400MHz至1000MHz下变频混频器,带有LO缓冲器/开关
    MAX9985 量产 双通道、SiGe、高线性度、700MHz至1000MHz下变频混频器,带有LO缓冲器/开关
    MAX9986 最后购买期限 SiGe、高线性度、815MHz至995MHz下变频混频器,带有LO缓冲器/开关
    MAX9986A 量产 SiGe、高线性度、815MHz至1000MHz下变频混频器,带有LO缓冲器/开关
    MAX9996 量产 SiGe、高线性度、1700MHz至2200MHz下变频混频器,带有LO缓冲器/开关
    MAX2029 量产 高线性度、815MHz至1000MHz上变频/下变频混频器,带有LO缓冲/开关
    MAX2031 量产 高线性度、650MHz至1000MHz上变频/下变频混频器,带有LO缓冲器/开关
    MAX2039 过期 高线性度、1700MHz至2200MHz上变频/下变频混频器,带有LO缓冲器/开关
    MAX2041 量产 高线性度、1700MHz至3000MHz上变频/下变频混频器,带有LO缓冲器/开关
    振荡器 4
    MAX9987 过期 +14dBm至+20dBm LO缓冲器/分配器,±1dB功率变化
    MAX9988 过期 +14dBm至+20dBm LO缓冲器/分配器,±1dB功率变化
    MAX9989 量产 +14dBm至+20dBm LO缓冲器,±1dB功率变化
    MAX9990 过期 +14dBm至+20dBm LO缓冲器,±1dB功率变化
    Modal heading
    添加至 myAnalog

    将产品添加到myAnalog 的现有项目或新项目中(接收通知)。

    创建新项目

    最新评论

    需要发起讨论吗? 没有关于 MAX2043的相关讨论?是否需要发起讨论?

    在EngineerZone®上发起讨论

    近期浏览