MAX1897

过期

Quick-PWM从控制器,用于多相、降压型电源

产品技术资料帮助

ADI公司所提供的资料均视为准确、可靠。但本公司不为用户在应用过程中侵犯任何专利权或第三方权利承担任何责任。技术指标的修改不再另行通知。本公司既没有含蓄的允许,也不允许借用ADI公司的专利或专利权的名义。本文出现的商标和注册商标所有权分别属于相应的公司。

Viewing:

概述

  • Quick-PWM从控制器
  • 精确、有源的电流均衡(±1.25mV)
  • 准确、可调电流限制门限
  • 优化于低输出电压(≤ 2V)
  • 4V至28V的电池输入范围
  • 固定300kHz (MAX1887)或可选200kHz/300kHz/550kHz (MAX1897)的开关频率
  • 驱动大的同步整流MOSFET
  • 525µA (典型值) ICC供电电流
  • 20µA待机电流
  • < 1µA的关断电流(MAX1897)
  • 小型16引脚QSOP (MAX1887), 紧凑的20引脚5mm x 5mm QFN (MAX1897)或20引脚5mm x 5mm 薄型QFN (MAX1897)

MAX1887/MAX1897降压从控制器适用于低电压、高电流、多相DC-DC的应用场合。该从控制器可以和任何一个Maxim的Quick-PWM™降压控制器结合起来组成一个多相DC-DC的转换器。现有的诸如MAX1718等Quick-PWM控制器均可以用作主控制器,保证准确的输出电压调节,快速的瞬时相应和故障保护等特征。同步于主控制器的低端管栅极驱动,MAX1887/MAX1897包含Quick-PWM固定导通时间控制器,同步整流器所需的栅级驱动,有源电流均衡和精确电流限制电路。

MAX1887/MAX1897和与其它Quick-PWM控制器一样提供高效率、可工作于极低的占空比下和出色的瞬态响应。MAX1887/MAX1897利用检测电阻差分地检测主电源和从电源的电感电流。利用这些差分输入和由外部参考设定的可调电流限制门限,从控制器可以准确地平衡电感电流和提供精确的电流限制。MAX1887/MAX1897双电流限制输入在主控制器关断时,还可使从控制器自动进入低功耗待机模式。

MAX1887在主控制器的低端栅级驱动的上升沿触发,该低端源级驱动在主/从控制器导通时间内是摆动的,错相运行以减小输入浪涌电流和相关联减少输入电容的个数。MAX1897可选的触发极性,允许错相或同相操作。

应用

  • CPU核电源
  • 笔记本电脑
  • 服务器/台式计算机
  • 单级(电池至VCORE)变换器
  • 电信
  • 两级(+5V至VCORE)变换器

MAX1897
Quick-PWM从控制器,用于多相、降压型电源
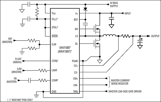
MAX1887、MAX1897:典型工作电路
添加至 myAnalog

将产品添加到myAnalog 的现有项目或新项目中(接收通知)。

创建新项目
提问

参考资料

了解更多
添加至 myAnalog

Add media to the Resources section of myAnalog, to an existing project or to a new project.

创建新项目

软件资源

找不到您所需的软件或驱动?

申请驱动/软件

最新评论

需要发起讨论吗? 没有关于 MAX1897的相关讨论?是否需要发起讨论?

在EngineerZone®上发起讨论

近期浏览