MAX17528

过期

单相、Quick-PWM控制器,用于Intel IMVP-6.5/GMCH

1相IMVP-6.5/GMCH控制器

产品技术资料帮助

ADI公司所提供的资料均视为准确、可靠。但本公司不为用户在应用过程中侵犯任何专利权或第三方权利承担任何责任。技术指标的修改不再另行通知。本公司既没有含蓄的允许,也不允许借用ADI公司的专利或专利权的名义。本文出现的商标和注册商标所有权分别属于相应的公司。

Viewing:

概述

  • 单相Quick-PWM控制器
  • 在整个输入电压、负载、工作温度范围内保持±0.5%的VOUT精度
  • 7位IMVP-6.5 DAC
  • 符合IMVP-6.5和GMCH规范
  • 增益可调的有源电压定位功能
  • 精确的压降和电流限制
  • 远端输出和对地检测
  • 可调节输出电压摆率
  • 电源就绪窗比较器
  • 电流监测器
  • 温度比较器
  • 驱动大功率同步整流FET
  • 2V至26V电池电压输入范围
  • 可调节开关频率(600kHz,最大值)
  • 欠压保护和热故障保护
  • 软启动和软关断
  • 内置自举二极管

MAX17528为单相、Quick-PWM™降压型VID电源控制器,用于笔记本电脑的Intel® CPU供电。Quick-PWM控制能够瞬时响应负载电流的快速阶跃变化。有源电压定位功能降低了功耗以及对大容量输出电容的要求,并可对钽电容、聚合物电容或陶瓷电容等大容量输出电容进行理想的电压定位补偿。

MAX17528设计用于两种不同的笔记本CPU/GPU核应用:对电池电压直接降压产生核电压或对+5V系统电源进行降压。单级转换方案允许该器件直接对较高的电池电压进行降压,实现最高的效率。在较高开关频率下采用2级转换方案(对+5V系统电源进行降压,而不是对电池降压)可实现最小的器件物理尺寸。

摆率控制器能够实现VID码之间的受控转换。基于热敏电阻的温度传感器提供可编程的热故障保护。电流监测器提供与处理器负载电流成正比的模拟输出电流。

MAX17528符合Intel IMVP-6.5 CPU核电压规范(/CLKEN上拉至3.3V)以及Intel GMCH图像处理器核电压规范(/CLKEN = GND)。MAX17528采用32引脚、5mm x 5mm、TQFN封装。

应用

  • 1至4节锂离子(Li+)电池至CPU核电压转换
  • 图形核供电电源
  • IMVP-6.5核电源
  • Intel Calpella平台
  • Intel GMCH 2009
  • 笔记本/台式机/服务器
  • 电源转换器
  • 电压定位降压型转换器

MAX17528
单相、Quick-PWM控制器,用于Intel IMVP-6.5/GMCH
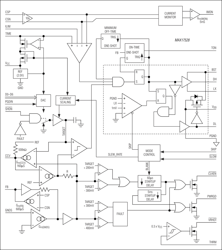
MAX17528:功能框图
添加至 myAnalog

将产品添加到myAnalog 的现有项目或新项目中(接收通知)。

创建新项目
提问

参考资料

了解更多
添加至 myAnalog

Add media to the Resources section of myAnalog, to an existing project or to a new project.

创建新项目

软件资源

找不到您所需的软件或驱动?

申请驱动/软件

硬件生态系统

部分模型 产品周期 描述
开关稳压器和控制器 2
MAX17428 过期 单相、Quick-PWM控制器,用于Intel IMVP-6.5/GMCH
MAX17028 量产 单相、Quick-PWM控制器,用于Intel IMVP-6.5/GMCH
Modal heading
添加至 myAnalog

将产品添加到myAnalog 的现有项目或新项目中(接收通知)。

创建新项目

最新评论

需要发起讨论吗? 没有关于 MAX17528的相关讨论?是否需要发起讨论?

在EngineerZone®上发起讨论

近期浏览