MAX17122

预发布

升压/降压型调节器、栅极驱动电荷泵、boost-buck调节器,用于TV TFT LCD显示器

用于LCD HDTV供电的高性能集成IC,提供高效率和最少的外部元件数量

产品技术资料帮助

ADI公司所提供的资料均视为准确、可靠。但本公司不为用户在应用过程中侵犯任何专利权或第三方权利承担任何责任。技术指标的修改不再另行通知。本公司既没有含蓄的允许,也不允许借用ADI公司的专利或专利权的名义。本文出现的商标和注册商标所有权分别属于相应的公司。

Viewing:

概述

  • 8V至16.5V工作电压范围
  • 750kHz开关频率
  • 22V内置开关的高性能升压调节器
    • 快速负载瞬态响应
    • 电流模式PWM
    • 100mΩ、3.9A nMOS开关
    • 电容可调节软启动
    • 具有高压应力
    • 驱动外部pMOS关断开关
  • 22V内置开关的降压调节器
    • 精度为1%的3.3V预置输出电压或可调输出(Dual Mode™)
    • 电流模式PWM
    • 200mΩ、2.5A nMOS开关
    • 电容可调的电源就绪指示输出
  • 36V内置开关的boost-buck调节器
    • 温度补偿输出
    • 可编程固定电平,由温度控制瞬态变化
    • 电流模式PWM
    • 200mΩ、1.8A pMOS开关
  • 正电荷泵线性稳压控制器
    • 精度为1%的可调节输出电压
    • 采用外部pnp晶体管
    • 调节开关节点驱动的电荷泵倍压器
    • 电源就绪输出
  • 负线性稳压控制器
    • 精度为1.5%的可调节输出电压
    • 采用外部npn晶体管
  • 所有输出均具有软启动
  • 可调节上电顺序
  • 所有输出均提供可重新启动的超时输出故障保护
  • 闭锁热关断保护
  • 40引脚、6mm x 6mm薄型QFN封装

MAX17122多输出电源IC可提供薄膜晶体管(TFT)液晶显示(LCD) TV板所需的全部电源。器件工作在8V至16.5V输入电压,优化用于直接采用12V稳压电源供电的LCD TV面板。器件包括一路22V内置开关的降压调节器,用于数字逻辑电路供电;一路22V内置开关的升压调节器,用于为TFT源极驱动器供电;一路带温度补偿的36V内置开关boost-buck调节器,可以根据外部NTC热敏电阻检测到的温度对负电压输出进行调节。这三个调节器均采用高效率、固定频率工作方式。较高的工作频率允许采用小尺寸电感和电容,从而得到更紧凑的方案。

MAX17122包括正电荷泵线性稳压控制器,可采用外部pnp双极型结晶体管(BJT)构成典型的稳压电荷泵倍压电路,为LCD栅极驱动器提供正电源电压。栅极驱动器的负电源电压可以从boost-buck调节器输出与地之间线性产生,将一个外部npn BJT接地并连接一个小旁路电容即可实现。

其它功能包括:可由外部电容调节的漏极开路、电源就绪指示输出,用于监测降压型调节器的反馈端;一路简单的非同步输出,用于监测正电荷泵线性稳压器的反馈端。升压调节器可支持高压输出。GATE输出直接驱动外部p沟道MOSFET,为升压输出提供真关断(True Shutdown™)功能。

MAX17122采用6mm x 6mm、40引脚薄型QFN无铅封装,工作在-40°C至+85°C温度范围。

应用

  • LCD TV板

MAX17122
升压/降压型调节器、栅极驱动电荷泵、boost-buck调节器,用于TV TFT LCD显示器
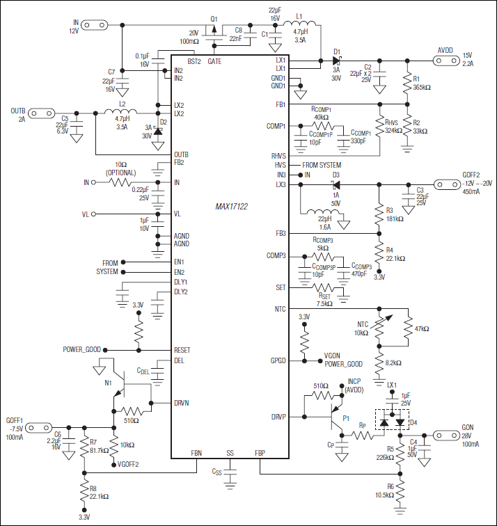
MAX17122: Typical Operating Circuit
添加至 myAnalog

将产品添加到myAnalog 的现有项目或新项目中(接收通知)。

创建新项目
提问

参考资料

了解更多
添加至 myAnalog

Add media to the Resources section of myAnalog, to an existing project or to a new project.

创建新项目

软件资源

找不到您所需的软件或驱动?

申请驱动/软件

最新评论

需要发起讨论吗? 没有关于 MAX17122的相关讨论?是否需要发起讨论?

在EngineerZone®上发起讨论

近期浏览