MAX17007

预发布

双通道、可组合的QPWM图形核控制器,用于笔记本电脑

双通道开关模式电源,可组合工作在2相单输出模式下

产品技术资料帮助

ADI公司所提供的资料均视为准确、可靠。但本公司不为用户在应用过程中侵犯任何专利权或第三方权利承担任何责任。技术指标的修改不再另行通知。本公司既没有含蓄的允许,也不允许借用ADI公司的专利或专利权的名义。本文出现的商标和注册商标所有权分别属于相应的公司。

Viewing:

概述

  • 具有快速瞬态响应的双通道Quick-PWM
  • REFIN1自动动态检测和PGOOD1/故障屏蔽
  • 固定和可调输出电压
    • 在整个电源电压和负载变化范围内,输出精度保持在0.7%
    • OUT1:0至2V动态输出或预设为1.05V
    • OUT2:0.7V至2V或预设为1.5V
  • 电阻可编程开关频率
  • 集成BST开关
  • 差分电流检测输入
    • 低成本DCR检测或精确的检流电阻检测
    • 内部电流检测补偿
  • 可组合的工作模式支持大电流动态输出
  • 可选择强制PWM、跳脉冲或超声工作模式
  • 最大额定输入电压26V
  • 独立的使能输入
  • 独立的电源就绪输出
  • 过压保护(MAX17007)
  • 欠压/热保护
  • 电压软启动和软关断

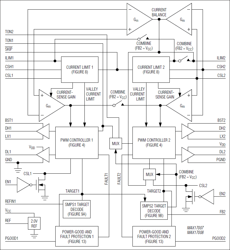
MAX17007/MAX17008是双通道Quick-PWM™降压控制器,为电池供电系统提供通用电源。双通道开关电源(SMPS)还可组合工作在两相单输出模式。固定导通时间Quick-PWM工作模式提供快速负载瞬态响应,轻松实现宽输入/输出(I/O)电压比条件下的稳压,同时保持相对固定的开关频率。通过外部电阻可以调节开关频率,调节范围200kHz至600kHz。不同的输出电流检测架构允许利用检流电阻实现高精度限流,或利用电感的等效直流电阻(DCR)实现低功耗无损检测,可保持0.7%的输出精度。过压(MAX17007)、欠压保护以及精确的用户可选限流(15mV、30mV、45mV和60mV)确保系统可靠工作。

SMPS输出工作在跳频模式或超声模式,以提高轻载效率。跳脉冲模式下保持25kHz的最小开关频率,超声模式下能够消除音频噪声。

通过改变REFIN1引脚的电压动态调节SMPS1的输出电压。该器件包括0.5%精度的基准,用于设置REFIN1电压。外部5V偏置电源为内部电路及其栅极驱动器供电。

独立的通/断控制具有经过调理的逻辑门限,电源就绪漏极开路输出可提供灵活的系统配置。为了抑制启动时的浪涌电流,SMPS1的CSL1内部电压以1.3mV/µs的斜率从零缓慢上升至最终电压,SMPS2的FB2内部电压则以0.65mV/µs的斜率从零缓慢上升至最终电压。为了避免在断电时输出电压跌至地电位以下,内部电压以各自相同的斜率从稳压值缓慢跌落至零。内部集成自举开关,无需外部自举二极管。

MAX17007/MAX17008采用可节省空间的28引脚、4mm x 4mm微型QFN封装,底部带裸焊盘。

应用

  • 2节至4节Li+电池供电设备
  • 5V与3.3V电源
  • GPU核电源
  • 低功耗I/O电源
  • 笔记本电脑

MAX17007
双通道、可组合的QPWM图形核控制器,用于笔记本电脑
MAX17007:功能框图
添加至 myAnalog

将产品添加到myAnalog 的现有项目或新项目中(接收通知)。

创建新项目
提问

参考资料

了解更多
添加至 myAnalog

Add media to the Resources section of myAnalog, to an existing project or to a new project.

创建新项目

软件资源

找不到您所需的软件或驱动?

申请驱动/软件

最新评论

需要发起讨论吗? 没有关于 MAX17007的相关讨论?是否需要发起讨论?

在EngineerZone®上发起讨论

近期浏览