LTC4091

推荐用于新设计

36V 电池充电器和电源备份管理器

产品技术资料帮助

ADI公司所提供的资料均视为准确、可靠。但本公司不为用户在应用过程中侵犯任何专利权或第三方权利承担任何责任。技术指标的修改不再另行通知。本公司既没有含蓄的允许,也不允许借用ADI公司的专利或专利权的名义。本文出现的商标和注册商标所有权分别属于相应的公司。

Viewing:

概述

  • 主电源和锂离子电池之间的无缝切换
  • 具自适应输出控制功能的 2A 输出高电压降压型稳压器
  • 75mΩ 内部理想二极管和可选的外部理想二极管控制器可在未接入主电源时提供低损耗电源通路 (PowerPath)
  • 宽输入电压范围:6V 至 36V (绝对最大值为 60V)
  • 4.45V 最大输出电压
  • 全功能锂离子电池充电器
  • 引脚可选的 4.1V 和 4.2V 充电电压选项
  • 耐热性能增强的外形扁平 (仅高 0.75mm) 6mm x 3mm 22 引脚 DFN 封装

LTC®4091 是一款 36V 锂离子电池充电器和电源备份管理器。集成的降压型开关稳压器可在给负载供电的同时采用一个主电源为电池充电。如果失去了主电源,则负载无缝地切换至备份锂离子 / 锂聚合物电池。为了保护敏感的下游负载,最大输出电压为 4.45V。

LTC4091 提供了一个可跟踪电池电压的自适应输出,用于实现高效率充电。充电电流是可设置的,而且,一个充电结束状态输出 (CHRG) 负责指示满充电状态。另外,该器件还具有一个充电终止定时器和一个用于在充电过程中监视电池温度的 NTC 热敏电阻输入。

在备份供电期间,一个 75mΩ 内部理想二极管把电池连接至负载。一个可选的外部理想二极管 FET 驱动器可用于进一步减小电压降。可以选择 4.1V 或 4.2V 电池充电电压。



Applications

  • 车辆和资产跟踪
  • 汽车 GPS 数据记录器
  • 汽车远程信息处理系统
  • 电池备份系统

LTC4091
36V 电池充电器和电源备份管理器
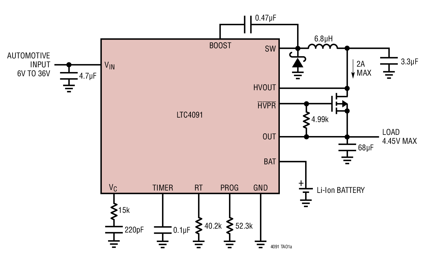
Typical Application 1 Vout, Ibat V3 Vbat Package Image 1
添加至 myAnalog

将产品添加到myAnalog 的现有项目或新项目中(接收通知)。

创建新项目
提问

参考资料

了解更多
添加至 myAnalog

Add media to the Resources section of myAnalog, to an existing project or to a new project.

创建新项目

软件资源

找不到您所需的软件或驱动?

申请驱动/软件

硬件生态系统

部分模型 产品周期 描述
保护开关和控制器 2
LTC4417 推荐用于新设计 确定了优先级的 PowerPath 控制器
LTC4368 推荐用于新设计 具双向电路断路器的 100V UV/OV 和反向保护控制器
电池充电器IC 1
LTC4090 量产 具 2A 高电压 Bat-Track 降压型稳压器的 USB 电源管理器
Modal heading
添加至 myAnalog

将产品添加到myAnalog 的现有项目或新项目中(接收通知)。

创建新项目

评估套件

eval board
DC2558A

LTC4091演示板 | 36V电池充电器和备用电源管理器

产品详情

演示电路2558A是一款高电压开关降压型稳压器、锂离子电池充电器和备用电源管理器。它基于LTC4091并提供以下功能:具有7.5V-36V(60V最大绝对值)输入范围和输出电压跟踪电池单元电压的2A降压型稳压器、具有可选4.1V或4.2V最大充电电压的全功能电池充电器,以及用于电池单元的电源路径管理器。输出电压严格限制为4.45V。外部NTC温度传感器提供可选温度保护。

DC2558A
LTC4091演示板 | 36V电池充电器和备用电源管理器
DC2558A Evaluation Board DC2558A Evaluation Board - Top View DC2558A Evaluation Board - Bottom View DC2558A

最新评论

近期浏览