LTC2936

推荐用于新设计

具 EEPROM 和比较器输出的可编程 6 通道电压监控器

产品技术资料帮助

ADI公司所提供的资料均视为准确、可靠。但本公司不为用户在应用过程中侵犯任何专利权或第三方权利承担任何责任。技术指标的修改不再另行通知。本公司既没有含蓄的允许,也不允许借用ADI公司的专利或专利权的名义。本文出现的商标和注册商标所有权分别属于相应的公司。

Viewing:

概述

  • 可同时监控 6 个电源
  • 可通过 I2C 进行调节的欠压 (UV) 和过压 (OV) 跳变点
  • 保证门限准确度:±1% (最大值)
  • I2C/SMBus 接口
  • 内部 EEPROM
  • 6个比较器输出
  • 快速比较器响应时间:7.5μs
  • 每个通道具有 256 种可编程门限
  • 每个通道具有三种范围设定值
  • 两个通用输入
  • 三个通用输入 / 输出
  • 可编程输出延迟
  • 可采用 3.3V 或 3.4V ~ 13.9V 电源供电
  • 24 引脚 4mm x 5mm QFN 封装和 SSOP 封装

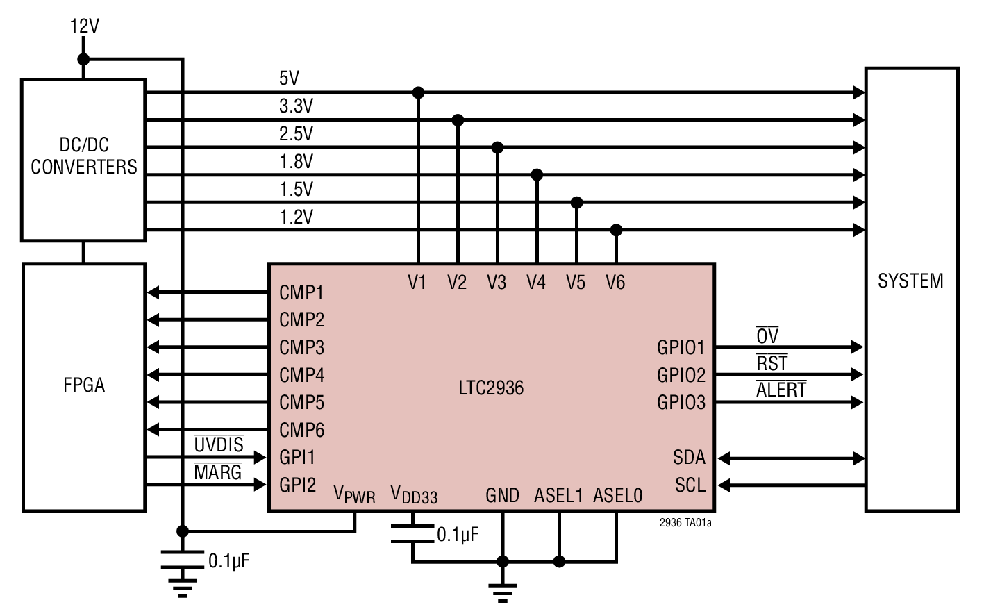
LTC®2936 是一款 EEPROM 可配置电压监控器,其能够同时监视多达 6 个电源电压输入。每个电压检测器提供了 I2C 可编程过压 / 欠压门限 (不同的范围和增量) 和一个专用的比较器输出。 

两个通用输入 (GPI) 可配置为可编程手动复位 (MR)、UV 停用 (UVDIS)、裕度调节 (MARG)、写保护 (WP ) 或辅助比较器 (AUXC) 输入。三个通用引脚 (GPIO) 可针对输入或输出操作进行配置。当被配置为输入时,一个 GPIO 引脚可配合至被配置为输出的任何其他 GPIO。另外,GPIO 引脚也可配置为 ALERT 或故障输出。可通过配置使故障具有可编程的 “释放延迟” 时间。输出类型和极性也是可以配置的。 

状态和历史寄存器负责记录故障,并可通过 I2C 接口进行轮询。此外,还在内部 EEPROM 中备份了一个故障瞬像。所有参数均可通过 I2C 接口进行设置。配置 EEPROM 支持自主型操作,并不需要额外的软件。



Applications

  • 高可用性计算机系统
  • 网络服务器
  • 电信设备
  • 数据存储器

LTC2936
具 EEPROM 和比较器输出的可编程 6 通道电压监控器
V1 to V6 Error vs Temperature Product Package 1 Product Package 2
添加至 myAnalog

将产品添加到myAnalog 的现有项目或新项目中(接收通知)。

创建新项目
提问

参考资料

了解更多
添加至 myAnalog

Add media to the Resources section of myAnalog, to an existing project or to a new project.

创建新项目

软件资源

找不到您所需的软件或驱动?

申请驱动/软件

硬件生态系统

部分模型 产品周期 描述
电源系统管理(PSM)和时序控制器 1
LTC2937 推荐用于新设计 具 EEPROM 的可编程 6 通道排序器和电压监控器
Modal heading
添加至 myAnalog

将产品添加到myAnalog 的现有项目或新项目中(接收通知)。

创建新项目

工具及仿真模型

Linduino 2

LTpowerPlay®

LTpowerPlay®是一款功能强大且基于Windows的开发环境,支持凌力尔特的数字电源系统管理(PSM)产品。

打开工具

评估套件

eval board
DC2450A-A

LTC2936 QFN-24 Package Socketed Programming Board [Requires DC1613]

产品详情

The DC2450A programming board contains the circuitry needed to program and verify the EEPROM of the LTC2936. This is its sole purpose. The LTC2936 comes in either a 24-pin SSOP or a 24-pin QFN package. The DC2450A-A supports the QFN and the DC2450A-B supports the SSOP package.

eval board
DC2450A-B

LTC2936 SSOP-24 Package Socketed Programming Board [Requires DC1613]

产品详情

The DC2450A programming board contains the circuitry needed to program and verify the EEPROM of the LTC2936. This is its sole purpose. The LTC2936 comes in either a 24-pin SSOP or a 24-pin QFN package. The DC2450A-A supports the QFN and the DC2450A-B supports the SSOP package.

eval board
DC1605B

LTC2936CGN Demo Board | Programmable Hex Voltage Supervisor with EEPROM and Comparator Outputs [Requires DC1613]

产品详情

The DC1605B is a demonstration system that showcases the LTC2936, a 6-channel I2C/SMBus voltage supervisor with EEPROM. The LTC2936 simultaneously monitors up to six power supply voltages and detects undervoltage and overvoltage conditions. In addition the LTC2936 monitors two GPI pins and is able to drive three GPIO pins to indicate OV, UV, system reset, system alert, or other control signal.

DC2450A-A
LTC2936 QFN-24 Package Socketed Programming Board [Requires DC1613]
DC2450A - Demo Board Image
DC2450A-B
LTC2936 SSOP-24 Package Socketed Programming Board [Requires DC1613]
DC2450A - Demo Board Image
DC1605B
LTC2936CGN Demo Board | Programmable Hex Voltage Supervisor with EEPROM and Comparator Outputs [Requires DC1613]
DC1605B - Schematic

最新评论

需要发起讨论吗? 没有关于 LTC2936的相关讨论?是否需要发起讨论?

在EngineerZone®上发起讨论

近期浏览