LT3954

量产

具内部 PWM 发生器的 40VIN LED 转换器

产品技术资料帮助

ADI公司所提供的资料均视为准确、可靠。但本公司不为用户在应用过程中侵犯任何专利权或第三方权利承担任何责任。技术指标的修改不再另行通知。本公司既没有含蓄的允许,也不允许借用ADI公司的专利或专利权的名义。本文出现的商标和注册商标所有权分别属于相应的公司。

Viewing:

概述

  • 可为 LED 提供 3000:1 True Color PWM 调光
  • 宽 VIN 范围:4.5V 至 40V
  • 轨至轨电流检测范围:0V 至 40V
  • 内部 40V/5A 开关
  • 可编程 PWM 调光信号发生器
  • 恒定电流 (±3%) 和恒定电压 (±2%) 调节
  • 准确的模拟调光
  • 可以采用升压、SEPIC、CUK、降压模式、降压-升压模式、或反激式配置来驱动 LED
  • 输出短路保护型升压
  • 开路 LED 保护和报告
  • 可调开关频率:100kHz 至 1MHz
  • 具迟滞的可编程 VIN 欠压闭锁 (UVLO)
  • 用于电池充电器的 C/10 指示
  • 低停机电流:<1μA
  • 耐热性能增强型 5mm x 6mm QFN 封装

LT®3954 是一款 DC/DC 转换器,专为充当一个恒定电流源和恒定电压调节器而设计。该器件具有一个额定在 40V/5A 的内部低端 N 沟道功率 MOSFET。LT3964 非常适合于驱动大电流 LED,不过同时也拥有使其适合对电池和超级电容器进行充电的特性。固定频率、电流模式架构在一个很宽的电源和输出电压范围内实现了稳定的操作。一个电压反馈引脚用作多个 LED 保护功能电路的输入,而且还使转换器能够起一个恒定电压源的作用。一个频率调节引脚允许用户在 100kHz 至 1MHz 的范围内设置频率,以优化效率、性能或外部组件尺寸。

LT3954 在负载的高端或低端检测输出电流。内部 PWM 发生器可配置为以恒定频率自振荡,并具有 4% 至 96% 的可编程占空比。当由一个外部信号驱动时,PWM 输入可提供高达 3000:1 的 LED 调光比。CTRL 输入则提供了额外的模拟调光能力。


Applications

  • 高功率 LED
  • 输出短路保护型升压
  • 电池和超级电容器充电器
  • 准确的电流受限型电压调节器

LT3954
具内部 PWM 发生器的 40VIN LED 转换器
95% Efiiciency 20W Boost LED Driver with Internal PWM Dimming PWM Dimming Waveforms at Various DIM Voltage Settings Product Package 1
添加至 myAnalog

将产品添加到myAnalog 的现有项目或新项目中(接收通知)。

创建新项目
提问

参考资料

数据手册 1

可靠性数据 1

用户手册 1

了解更多
添加至 myAnalog

Add media to the Resources section of myAnalog, to an existing project or to a new project.

创建新项目

软件资源

找不到您所需的软件或驱动?

申请驱动/软件

硬件生态系统

部分模型 产品周期 描述
保护开关和控制器 3
LT4363 推荐用于新设计 具电流限制功能的高电压浪涌抑制器
LTC4353 推荐用于新设计 双通道、低电压理想二极管控制器
LT4320 推荐用于新设计 理想二极管桥控制器
Modal heading
添加至 myAnalog

将产品添加到myAnalog 的现有项目或新项目中(接收通知)。

创建新项目

工具及仿真模型

LTspice

LTspice®是一款强大高效的免费仿真软件、原理图采集和波形观测器,为改善模拟电路的仿真提供增强功能和模型。


评估套件

eval board
DC2079A

LT3954 Demo Board | Boost LED Driver with PWM Generator; 5V ≤ VIN ≤ 30V, VLED up to 32V @ 650mA

产品详情

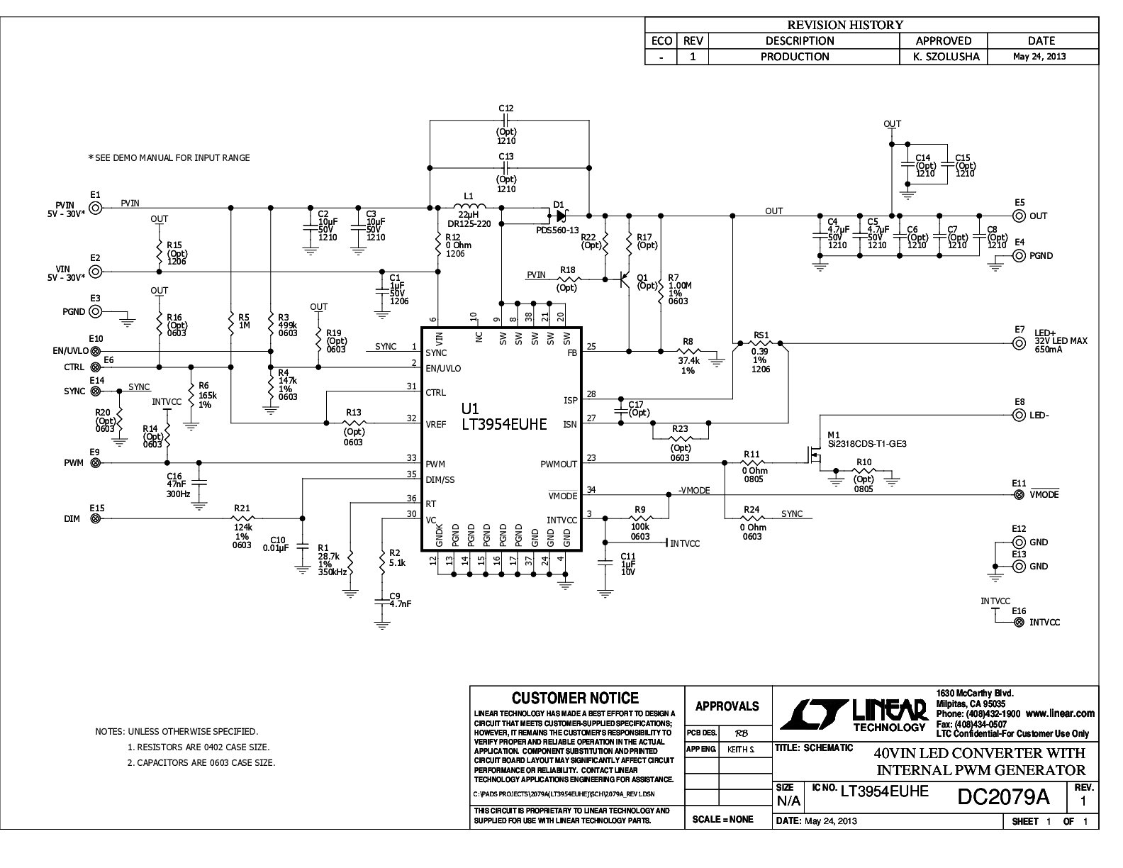
Demonstration circuit 2079A is a Boost LED driver featuring the LT3954. The LT3954 is a multitopology 40VIN/40VOUT LED driver with an internal device 40V, 5.4A power switch. It generates its own PWMOUT waveform from its internal PWM generator for accurate PWM dimming with up to 33:1 brightness ratio. The demo circuit accepts an input voltage from 5V to 30V and drives up to 32V of LEDs at 650mA (when PVIN is less than VLED). DC2079A features both PWM and analog dimming of the LED string. It has an OPENLED flag that indicates when the LED string has been removed.  


 


DC2079A
LT3954 Demo Board | Boost LED Driver with PWM Generator; 5V ≤ VIN ≤ 30V, VLED up to 32V @ 650mA
DC2079A Demo Board DC2079A Demo Board DC2079A Demo Board DC2079A Demo Board DC2079A - Schematic

最新评论

需要发起讨论吗? 没有关于 LT3954的相关讨论?是否需要发起讨论?

在EngineerZone®上发起讨论

近期浏览