RF and Power Measurement
Radio Frequency (RF) and Power Measurement Solutions
RF Power meters are used to measure the power within a frequency spectrum. Analog Devices offers a portfolio of advanced RF detectors, RF signal conditioning, high-speed ADCs, and integrated solutions that enable RF frequency and power measurement solutions from bench instruments to handhelds.
Value and Benefits
Our portfolio of logarithmic and RMS-DC-based RF detectors enable measurement of sine-waves and complex waveforms from low frequency to millimeter wave frequencies. Coupled with our ADCs and embedded processors, these devices enable RF frequency and power measurement solutions from bench instrumentation to handheld and field instruments. We offer a family of ARM Cortex M3-based single-chip solutions incorporating high-resolution ADCs suitable for a variety of handheld and portable applications.
Enables waveform measurement with varying complexity from simple sine waves to complex waveforms
Optimizes signal chain performance and cost
Enables RF power measurement for newer wireless requirements like higher frequency and wider bandwidths
Featured Products
ADL5507
10 MHz to 12 GHz, 55 dB Logarithmic RF Power Detector
ADL5513
1 MHz TO 4 GHz, 80 dB Logarithmic Detector / Controller
ADL5902
50 MHz TO 9 GHz 65 dB TruPwr™ Detector
ADL5961
9 kHz to 26.5 GHz Integrated Vector Network Analyzer Front End
ADL6010
Fast Responding, 45 dB Range, 0.5 GHz to 43.5 GHz Envelope Detector
ADuCM3027
Ultra Low Power ARM Cortex-M3 MCU with Integrated Power Management and 128 KB of Embedded Flash Memory
HMC629A
3 dB LSB GaAs MMIC 4-Bit Digital Attenuator, DC - 10 GHz
HMC802A
20 dB GaAs MMIC 1-Bit Digital Positive Control Attenuator SMT, DC - 10 GHz
LTC5597
100MHz to 70GHz Linear-in-dB RMS Power Detector with 35dB Dynamic Range
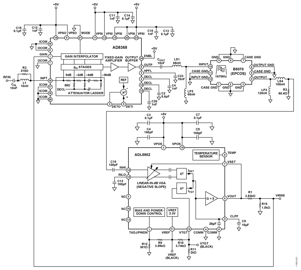
Interactive Signal Chains
Click on the part for more details
Reference Designs
CN0150
Software Calibrated, 1 MHz to 8 GHz, 60 dB RF Power Measurement System Using the AD8318 Logarithmic Detector
CN0178
Software-Calibrated, 50 MHz to 9 GHz, RF Power Measurement System
CN0187
Crest Factor, Peak, and RMS RF Power Measurement Circuit Optimized for High Speed, Low Power, and Single 3.3 V Supply
CN0340
True RMS RF Detector with 95 dB Detection Range
CN0360
Frequency Selective, RMS Responding RF Detector with 90 dB Dynamic Range from 35 MHz to 4.4 GHz
CN0366
A 40 GHz Microwave Power Meter with a Range from −30 dBm to +15 dBm
CN0387
Calibration-Free Return Loss Measurement System
CN0390
20 GHz to 37.5 GHz, RF Automatic Gain Control (AGC) Circuit
CN0399
Battery or USB Powered 9 kHz to 6 GHz RMS Power Measurement System
Evaluation Boards
Key Resources
Design Tools
LTpowerCAD® and LTpowerPlanner®
Files and Downloads
Application Note
AN-269: Extend RMS-to-DC Converter's Range
91 kB
AN-268: RMS-to-DC Converters Ease Measurement Tasks
638 kB
Book & eBook
Understanding Silent Switcher Technology: High Efficiency, Low EMI eBook
7.75 M
Circuit Note
Selected Reference Designs: Test and Measurement Solutions
5.88 M
Solutions Bulletin & Brochure
Silent Switcher Technology
1.74 M
Tutorial
MT-082: RF RMS Power Detectors
83.84 K
MT-081: RMS-to-DC Converters
230.65 K
MT-094: Microstrip and Stripline Design
97 kB
MT-077: Log Amp Basics
83 kB
User Guide
UG-269: Evaluating the AD9837 Low Power, 8.5 mW, 2.3 V to 5.5 V, Programmable Waveform Generator
691 kB
{{modalTitle}}
{{modalDescription}}
{{dropdownTitle}}
- {{defaultSelectedText}} {{#each projectNames}}
- {{name}} {{/each}} {{#if newProjectText}}
-
{{newProjectText}}
{{/if}}
{{newProjectTitle}}
{{projectNameErrorText}}