HMC802A

RECOMMENDED FOR NEW DESIGNS

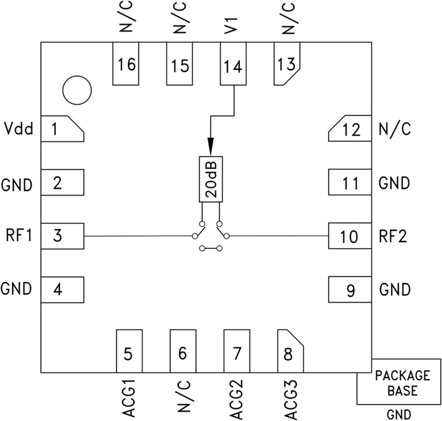
20 dB GaAs MMIC 1-Bit Digital Positive Control Attenuator SMT, DC - 10 GHz

Viewing:

Overview

  • ± 0.6 dB typical step error
  • Low insertion loss: 3 dB
  • High IP3: +55 dBm
  • Single control line
  • TTL/CMOS compatible control
  • Single +5V supply
  • 16 Lead 3x3mm SMT package: 9mm2

The HMC802ALP3E is a broadband bidirectional 1-bit GaAs IC digital attenuator in a low cost leadless sur - face mount package. This single positive control line digital attenuator utilizes off chip AC ground capac - itors for near DC operation, making it suitable for a wide variety of RF and IF applications. Covering DC to 10 GHz, the insertion loss is less than 3 dB typical and attenuation accuracy is excellent at ±0.6 dB typ - ical. The attenuator also features a high IIP3 of +55 dBm. One TTL/CMOS control input is used to select the attenuation state and a single Vdd bias of +5V is required.

Applications

  • Test equipment and sensors
  • ISM, MMDS, WLAN, WiMAX, WiBro
  • Microwave radio & VSAT
  • Cellular infrastructure

HMC802A
20 dB GaAs MMIC 1-Bit Digital Positive Control Attenuator SMT, DC - 10 GHz
hmc802a_fbl
Add to myAnalog

Add product to the Products section of myAnalog (to receive notifications), to an existing project or to a new project.

Create New Project
Ask a Question

Documentation

Data Sheet

This is the most up-to-date revision of the Data Sheet.

Learn More
Add to myAnalog

Add media to the Resources section of myAnalog, to an existing project or to a new project.

Create New Project

Software Resources

Can't find the software or driver you need?

Request a Driver/Software

Tools & Simulations

ADIsimRF

ADIsimRF is an easy-to-use RF signal chain calculator. Cascaded gain, noise, distortion and power consumption can be calculated, plotted and exported for signal chains with up to 50 stages. ADIsimRF also includes an extensive data base of device models for ADI’s RF and mixed signal components.

Open Tool

S-Parameter 1


Evaluation Kits

EVAL-HMC802A
HMC802A Evaluation Board

Reference Designs

Figure 1. Simplified Block Diagram of EVAL-CN0534-EBZ
CN0534 Circuits from the lab

USB Powered 5.8 GHz RF LNA Receiver with Output Power Protection

Features and Benefits

  • 23.5 dB Gain
  • 5.8 GHz Optimized LNA
  • ISM Band Operation
  • USB Powered

Part Used


Design & Integration Tools


Videos

  • lazy blur
    VIDEO · 2022-01-24 01:01
    CN0534: USB Powered 5.8 GHz RF LNA w/ Output Power Protection
CN0534
USB Powered 5.8 GHz RF LNA Receiver with Output Power Protection
Figure 1. Simplified Block Diagram of EVAL-CN0534-EBZ
EVAL-CN0534-EBZ - Angle View
EVAL-CN0534-EBZ - Top View
EVAL-CN0534-EBZ - Bottom View

Latest Discussions

Recently Viewed