ADUM4160

製造中

USBアイソレータ、フル / ロー・スピード

利用上の注意

本データシートの英語以外の言語への翻訳はユーザの便宜のために提供されるものであり、リビジョンが古い場合があります。最新の内容については、必ず最新の英語版をご参照ください。

なお、日本語版のデータシートは基本的に「Rev.0」(リビジョン0)で作成されています。そのため、英語版が後に改訂され、複数製品のデータシートがひとつに統一された場合、同じ「Rev.0」の日本語版のデータシートが異なる製品のデータシートとして表示されることがあります。たとえば、「ADM3307E」の場合、日本語データシートをクリックすると「ADM3311E」が表示されます。これは、英語版のデータシートが複数の製品で共有できるように1本化され、「ADM3307E/ADM3310E/ADM3311E/ADM3312E/ADM3315E」(Rev.J)と改訂されたからで、決して誤ってリンクが張られているわけではありません。和文化されたデータシートを少しでも有効に活用していただくためにこのような方法をとっておりますので、ご了解ください。

アナログ・デバイセズ社は、提供する情報が正確で信頼できるものであることを期していますが、その情報の利用に関して、あるいはその利用によって生じる第三者の特許やその他の権利の侵害に関して一切の責任を負いません。また、アナログ・デバイセズ社の特許または特許の権利の使用を明示的または暗示的に許諾するものでもありません。仕様は予告なしに変更する場合があります。本紙記載の商標および登録商標は、各社の所有に属します。

Viewing:

製品情報

  • USB2.0互換
  • 低速とフル・スピードのデータ・レートに対応:1.5Mbpsと12Mbps
  • 双方向通信
  • xD+とxD-ラインの短絡回路保護
  • 3.3Vと5V動作(デュアル・モードのパワー構成)
    詳細はデータシートを参照してください。
  • ANSI/ESD STM5.1-2007に準拠するクラス3Aの接触ESD性能
  • 高温動作:105℃
  • 高いコモンモード・トランジエント耐性:25kV/µs以上
  • 評価用ボードが用意されています。

    詳細はデータシートをご参照ください。

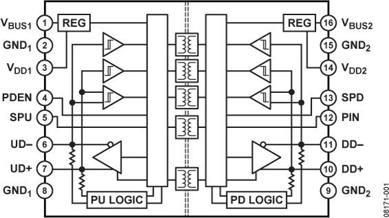
ADuM4160は、アナログ・デバイセズのiCoupler®技術に基づく、USBポート・アイソレータです。高速CMOSとモノリシック空心コアのトランス技術の組み合わせにより、これらのアイソレーション製品は並外れた性能特性を提供し、低速およびフル・スピードのUSB互換周辺デバイスに容易に集積することができます。 

多くのマイクロコントローラは、D+とD-ラインのみを外部ピンに提供してUSBを導入しています。これは、外部部品を最小化し設計を簡素化しますので、多くのケースで好ましいことですが、アイソレーションを必要とする場合は、特別な課題が起こります。USBラインは動的にD+ / D-のドライブを切り替えねばならなく、外部抵抗によってバスの状態を設定しますが、ADuM4160はデータの流れる方向を検出する機構を提供し、出力バッファーの状態を制御します。データの方向は、パケット基準によってパケット毎に決定されます。 

ADuM4160は、iCoupler技術に基づくエッジ検出技術と、わかりやすく、簡単に構成された、ポート・アイソレータに対するアップストリームを実装するための内部ロジックの組み合わせを使っています。アイソレーションされたアップストリーム・ポートは、簡単なパワーマネージメント機能と堅牢な動作など、いくつかの優位性を提供します。 

アイソレータは、標準的なハブやケーブルに匹敵する伝播遅延を備えています。この製品はどちら側も3.1V~5.5Vの電源電圧範囲で動作し、信号レベルの電圧に内部で安定化することで直接VBUSに接続することができます。ADuM4160は、プルアップ抵抗のアイソレーション制御を提供し、ペリフェラルの接続タイミングを制御することができます。この製品は充分低いアイドル電流を使うため、サスペンド状態は必要ありません。 

アプリケーション
  • USBペリフェラルのアイソレーション
  • アイソレートされたUSBハブ

ADUM4160

USBアイソレータ、フル / ロー・スピード

ADUM4160 Functional Block Diagram ADUM4160 Pin Configuration
myAnalogに追加

myAnalogの製品セクション(通知受け取り)、既存/新規プロジェクトに製品を追加する。

新規プロジェクトを作成
質問する
サポート

アナログ・デバイセズのサポート・ページはアナログ・デバイセズへのあらゆるご質問にお答えするワンストップ・ポータルです。


ドキュメント

データシート 2

ユーザ・ガイド 1

アプリケーション・ノート 8

技術記事 9

インフォメーション 1

安全性および規制遵守 1

よく聞かれる質問 1

さらに詳しく
myAnalogに追加

myAnalogのリソース・セクション、既存/新規プロジェクトにメディアを追加する。

新規プロジェクトを作成

ツールおよびシミュレーション


評価用キット

eval board
EVAL-ADUM4160

ADuM3160/ADUM4160用USBアイソレータ 評価用ボード

機能と利点

  • 標準のUSBタイプAコネクタとタイプBコネクタを使ってシステムへ接続します。
  • USBホストから、あるいは5.0 Vまたは3.3 Vの外部電源から電源の供給を受けます。
  • ADuM5000 isoPower® DC/DCコンバータを使ってダウンストリーム・インターフェース用の絶縁型電源をサポートします。
  • 5 Vまたは3.3 V電源からのダウンストリーム外部電源をサポートします。
  • すべての電源パスと信号パスに対するテスト・ポイントを設けます。
  • ロー・スピードとフル・スピードの通信をサポートします。
  • エニュメレーション制御をサポートします。
  • 外部ESD保護をサポートします。
  • xD+/xD−ラインで同相モード・チョークをサポートします。
  • VBUSxラインとGNDxラインでフェライト・インダクタをサポートします。

製品詳細

この評価ボードを使うことにより、ADuM4160ADuM3160チップの機能の設定が可能になり、各種可能な電源の組み合わせにも対応します。評価ボードはコモンモード電圧を変えることもできます;しかし高耐圧試験のような安全性に関わる試験はお薦めできません。 このタイプの試験は部品レベルあるいは製造用ボードで行ってください。

EVAL-ADUM4160
ADuM3160/ADUM4160用USBアイソレータ 評価用ボード
EVAL-ADuM4160EBZ Image

リファレンス・デザイン

CN0158
USB(ユニバーサル・シリアル・バス)ハブの絶縁回路 ※Rev.0を翻訳したものです。最新ver.は英語資料をご覧ください。
CN0159
USB(ユニバーサル・シリアル・バス)ケーブルの絶縁回路 ※Rev.0を翻訳したものです。新ver.は英語資料をご覧ください。 
CN0419
Universal Serial Bus (USB) Peripheral Isolator Circuit 
USB Cable Isolator Circuit
EVAL-CN0419-EBZ Evaluation Board
EVAL-CN0419-EBZ Evaluation Board - Top View
EVAL-CN0419-EBZ Evaluation Board - Bottom View

最新のディスカッション

最近表示した製品