AD9252

NOT RECOMMENDED FOR NEW DESIGNS

Octal, 14-Bit, 50 MSPS, Serial LVDS, 1.8 V ADC

Viewing:

Overview

  • 8 analog-to-digital converters (ADCs) integrated into 1 package
  • 93.5 mW ADC power per channel at 50 MSPS
  • SNR = 73 dB (to Nyquist)
  • SFDR = 84 dBc (to Nyquist)
  • Excellent linearity
    - DNL = ±0.4 LSB (typical)
    - INL = ±1.5 LSB (typical)
  • Serial LVDS (ANSI-644, default)
    Low power, reduced signal option (similar to IEEE 1596.3)
  • Data and frame clock outputs
  • 325 MHz, full-power analog bandwidth
  • 2 V p-p input voltage range
  • 1.8 V supply operation
  • Please see the data sheet for additional information

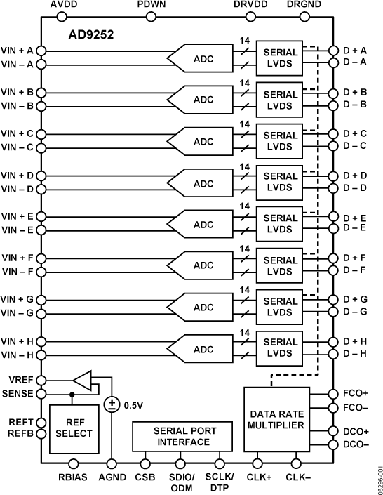
The AD9252 is an octal, 14-bit, 50 MSPS ADC with an on-chip sample-and-hold circuit designed for low cost, low power, small size, and ease of use. Operating at a conversion rate of up to 50 MSPS, it is optimized for outstanding dynamic performance and low power in applications where a small package size is critical.

The ADC requires a single 1.8 V power supply and LVPECL-/ CMOS-/LVDS-compatible sample rate clock for full performance operation. No external reference or driver components are required for many applications.

The ADC automatically multiplies the sample rate clock for the appropriate LVDS serial data rate. A data clock (DCO) for capturing data on the output and a frame clock (FCO) for signaling a new output byte are provided. Individual channel power-down is supported and typically consumes less than 2 mW when all channels are disabled.

The ADC contains several features designed to maximize flexibility and minimize system cost, such as programmable clock and data alignment and programmable digital test pattern generation. The available digital test patterns include built-in deterministic and pseudorandom patterns, along with custom user- defined test patterns entered via the serial port interface (SPI).

The AD9252 is available in an RoHS compliant, 64-lead LFCSP. It is specified over the industrial temperature range of −40°C to +85°C.

Product Highlights

  1. Small Footprint. Eight ADCs are contained in a small package.
  2. Low Power of 93.5 mW per Channel at 50 MSPS.
  3. Ease of Use. A data clock output (DCO) operates up to 350 MHz and supports double data rate (DDR) operation.
  4. User Flexibility. SPI control offers a wide range of flexible features to meet specific system requirements.
  5. Pin-Compatible Family. This includes the AD9212 (10-bit) and AD9222 (12-bit).

Applications

  • Medical imaging and nondestructive ultrasound
  • Portable ultrasound and digital beam-forming systems
  • Quadrature radio receivers
  • Diversity radio receivers
  • Tape drives
  • Optical networking
  • Test equipment

AD9252
Octal, 14-Bit, 50 MSPS, Serial LVDS, 1.8 V ADC
AD9252 Functional Block Diagram AD9252 Pin Configuration
Add to myAnalog

Add product to the Products section of myAnalog (to receive notifications), to an existing project or to a new project.

Create New Project
Ask a Question

Documentation

Learn More
Add to myAnalog

Add media to the Resources section of myAnalog, to an existing project or to a new project.

Create New Project

Software Resources

Can't find the software or driver you need?

Request a Driver/Software

Hardware Ecosystem

Parts Product Life Cycle Description
Clock ICs 6
AD9510 RECOMMENDED FOR NEW DESIGNS 1.2 GHz Clock Distribution IC, PLL Core, Dividers, Delay Adjust, Eight Outputs
AD9511 RECOMMENDED FOR NEW DESIGNS 1.2 GHz Clock Distribution IC, PLL Core, Dividers, Delay Adjust, Five Outputs
AD9512 RECOMMENDED FOR NEW DESIGNS 1.2 GHz Clock Distribution IC, Two 1.6 GHz Inputs, Dividers, Delay Adjust, Five Outputs
AD9513 RECOMMENDED FOR NEW DESIGNS 800 MHz Clock Distribution IC, Dividers, Delay Adjust, Three Outputs
AD9514 RECOMMENDED FOR NEW DESIGNS 1.6 GHz Clock Distribution IC, Dividers, Delay Adjust, Three Outputs
AD9515 RECOMMENDED FOR NEW DESIGNS 1.6 GHz Clock Distribution IC, Dividers, Delay Adjust, Two Outputs
Differential Amplifiers 3
ADA4938-1 RECOMMENDED FOR NEW DESIGNS Ultralow Distortion Differential ADC Driver (Single)
AD8352 RECOMMENDED FOR NEW DESIGNS 2 GHz Ultralow Distortion Differential RF/IF Amplifier
ADA4939-1 RECOMMENDED FOR NEW DESIGNS Ultralow Distortion Differential ADC Driver
Fanout Buffers & Splitters 2
ADCLK905 RECOMMENDED FOR NEW DESIGNS Ultrafast SiGe ECL Clock/Data Buffers
ADCLK846 RECOMMENDED FOR NEW DESIGNS 1.8 V, 6 LVDS/12 CMOS Outputs Low Power Clock Fanout Buffer
Variable Gain Amplifiers (VGA) 1
AD8334 PRODUCTION Quad VGA with Ultralow Noise Preamplifier and Programmable RIN
Voltage References 1
ADR130 PRODUCTION Precision Series Sub-Band Gap Voltage Reference
Modal heading
Add to myAnalog

Add product to the Products section of myAnalog (to receive notifications), to an existing project or to a new project.

Create New Project

Tools & Simulations

Virtual Eval - BETA

Virtual Eval is a web application to assist designers in product evaluation of ADCs, DACs, and other ADI products. Using detailed models on Analog’s servers, Virtual Eval simulates crucial part performance characteristics within seconds. Configure operating conditions such as input tones and external jitter, as well as device features like gain or digital down-conversion. Performance characteristics include noise, distortion, and resolution, FFTs, timing diagrams, response plots, and more.

Open Tool

AD9252 IBIS Models 1

Visual Analog

For designers who are selecting or evaluating high speed ADCs, VisualAnalog™ is a software package that combines a powerful set of simulation and data analysis tools with a user-friendly graphical interface.

Open Tool

AD9252 Simulink ADIsimADC Model

Open Tool

Evaluation Kits

eval board
HSC-ADC-EVALCZ

FPGA-Based Data Capture Kit

Features and Benefits

  • 64kB FIFO Depth
  • Works with single and multi-channel ADCs
  • Use with VisualAnalog® software
  • Based on Virtex-4 FPGA
  • May require adaptor to interface with some ADC eval boards
  • Allows programming of SPI control Up to 644 MSPS SDR / 800MSPS DDR Encode Rates on each channel
  • DDR Encode Rates on each channel

Product Details

The HSC-ADC-EVALCZ high speed converter evaluation platform uses an FPGA based buffer memory board to capture blocks of digital data from the Analog Devices high speed analog-to-digital converter (ADC) evaluation boards. The board is connected to the PC through a USB port and is used with VisualAnalog® to quickly evaluate the performance of high speed ADCs. The evaluation kit is easy to set up. Additional equipment needed includes an Analog Devices high speed ADC evaluation board, a signal source, and a clock source. Once the kit is connected and powered, the evaluation is enabled instantly on the PC.

EVAL-AD9252

AD9252 Evaluation Board

Product Details

This page contains evaluation board documentation and ordering information for evaluating the AD9252.

HSC-ADC-EVALCZ
FPGA-Based Data Capture Kit
High_Speed_ADC_evalboard_05
EVAL-AD9252
AD9252 Evaluation Board

Latest Discussions

Recently Viewed