MAX5971A

不推荐用于新设计

单端口、40W、IEEE 802.3af/at PSE控制器,内置MOSFET

40W、单端口、IEEE 802.3af/at兼容PSE控制器,集成0.5Ω功率MOSFET和检流电阻

产品技术资料帮助

ADI公司所提供的资料均视为准确、可靠。但本公司不为用户在应用过程中侵犯任何专利权或第三方权利承担任何责任。技术指标的修改不再另行通知。本公司既没有含蓄的允许,也不允许借用ADI公司的专利或专利权的名义。本文出现的商标和注册商标所有权分别属于相应的公司。

Viewing:

概述

  • 兼容于IEEE 802.3af/at
  • 为单端口PSE应用提供高达40W功率
  • 集成导通电阻为0.5Ω的功率MOSFET和检流电阻
  • PD检测和分级
  • 对5级PD提供可编程电流限制
  • 为传统设备提供大电容检测
  • 支持直流和交流负载断开检测
  • 折返式和占空比受控的电流限制
  • LED指示器用于指示端口状态
  • 直接快速关断控制
  • 节省空间的28引脚TQFN (5mm x 5mm)封装

MAX5971A为单端口、供电设备(PSE)电源控制器,设计用于IEEE® 802.3af/at兼容PSE。该器件为用电设备(PD)提供侦测、分级、限流、直流和交流负载断开检测功能。MAX5971A可自动工作,无需任何软件编程,并具有集成的功率MOSFET和检流电阻。该器件还支持最新的5级和2级事件分级,用于对大功率PD进行检测和分级。MAX5971A能够为单个端口提供高达40W的功率(使能5级),并可对传统PD提供大电容检测。

MAX5971A提供输入欠压锁定(UVLO)、输入过压锁定、过热检测、启动过程中的输出电压摆率限制以及LED状态指示。

MAX5971A采用节省空间的28引脚TQFN (5mm x 5mm)封装,工作于扩展级(-40°C至+85°C)温度范围。

应用

  • 工业自动控制
  • 单端口PSE端点应用
  • 单端口PSE电源(中跨系统)
  • 交换机/路由器
  • 无线LAN接入点/WiMAX™基站

MAX5971A
单端口、40W、IEEE 802.3af/at PSE控制器,内置MOSFET
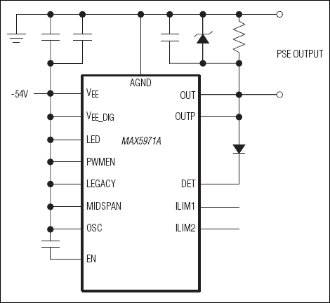
MAX5971A:典型工作电路
添加至 myAnalog

将产品添加到myAnalog 的现有项目或新项目中(接收通知)。

创建新项目
提问

参考资料

了解更多
添加至 myAnalog

Add media to the Resources section of myAnalog, to an existing project or to a new project.

创建新项目

软件资源

找不到您所需的软件或驱动?

申请驱动/软件

硬件生态系统

部分模型 产品周期 描述
以太网供电(PoE)接口控制器 2
MAX5969A 推荐用于新设计 IEEE 802.3af/at兼容、受电设备接口控制器,集成功率MOSFET
MAX5969B 推荐用于新设计 IEEE 802.3af/at兼容、受电设备接口控制器,集成功率MOSFET
Modal heading
添加至 myAnalog

将产品添加到myAnalog 的现有项目或新项目中(接收通知)。

创建新项目

评估套件

MAX5971AEVKIT

MAX5971A评估板

特性和优点

  • IEEE 802.3af/at兼容PSE电路
  • 大功率5级模式,可配置在高达40W功率
  • -32V至-60V输入电压,提供1A电流
  • 以太网端口
    • RJ45 10/100/1000BASE-TX以太网数据输入端口
    • RJ45 10/100/1000BASE-TX以太网PSE输出端口
  • 演示IC的内部功率开关和电流检测
  • 演示标准和传统PD检测和分级
  • 可针对中跨和端点模式配置
  • 可配置AC/DC负载撤除检测和断开监测
  • 方便的电压和电流测试点
  • 演示评估板电路的输出端口LED状态指示
  • 经过验证的PCB布局
  • 完全安装并经过测试

产品详情

MAX5971A评估板(EV kit)为完全安装并经过测试的表贴电路板,具有以太网单端口供电设备(PSE),用于-54V电源系统。符合IEEE® 802.3af/at标准的MAX5971A PSE控制器IC采用28引脚TQFN封装,具有内部n沟道功率MOSFET,形成评估板的主PSE电路。IC用于需要通过单以太网端口提供直流电源的以太网供电(PoE)设备。

评估板采用-32V至-60V供电 (-54V电源摆幅),能够为评估板提供1A或更大电流,通过10/100/1000BASE-TX以太网端口为用电设备(PD)供电。评估板演示PD侦测、分级、限流控制,以及IEEE 802.3af/at规定的PSE的其它功能。

IC通过检测端口的电流控制IC的内部功率MOSFET,控制以太网端口的-54V直流电源。电流馈送至评估板以太网输出端口的1 x 1 Gb MagJack®模块。

评估板演示IC工作模式的完整功能,例如可配置大功率模式(可设置至高达40W)、PD检测、PD分级、过流保护、电流折返保护、欠压/过压保护,以及AC/DC开路监测。可在评估板上配置所有功能,提供了更多的测试点用于电压检测和电流测量。评估板亦可针对中跨和端点网络工作进行配置。

应用

  • 工业自动控制
  • 单端口PSE端点应用
  • 单端口PSE电源(中跨系统)
  • 交换机/路由器
  • 无线LAN接入点/WiMAX™基站

MAX5971AEVKIT
MAX5971A评估板

最新评论

需要发起讨论吗? 没有关于 MAX5971A的相关讨论?是否需要发起讨论?

在EngineerZone®上发起讨论

近期浏览