LTC6802-1
不推荐用于新设计多节电池的电池组监视器
- 产品模型
- 4
概述
- 可测量多达 12 个串联锂离子电池的电压 (最大值为 60V)
- 可堆叠式架构实现 > 1000V 的系统
- 0.25% 的最大总测量误差
- 可在 13ms 完成一个系统中所有电池的测量
- 电量平衡:
- 内置无源电量平衡开关
- 提供片外无源电量平衡
- 具两个热敏电阻输入和内置温度传感器
- 1MHz 可菊链式连接的串行接口
- 抗 EMI 的能力高
- 具内置噪声滤波器的 ΔΣ 转换器
- 导线开路连接故障检测
- 低功率模式
- 采用 44 引脚 SSOP 封装
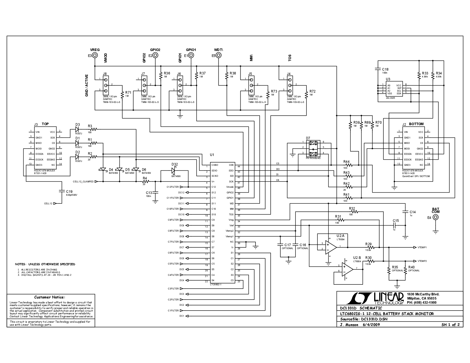
LTC®6802-1 是一款完整的电池监视 IC,它内置一个 12 位 ADC、一个精准电压基准、一个高电压输入多工器和一个串行接口。每个 LTC6802-1 能够在输入共模电压高达 60V 的情况下测量多达 12 个串接电池的电压。而且,可把多个 LTC6802-1 器件串联起来以监视长串串接电池中每节电池的电压。而且,通过运用一个独特的电平移位串行接口,能够把多个器件以菊链式连接起来,无需使用光耦合器或光隔离器。
当把多个 LTC6802-1 器件串联起来时,它们就能够同时运作,从而使电池组中所有电池的电压测量都能在 13ms 内完成。
为了较大限度地降低功率,LTC6802-1 提供了一种测量模式,旨在简单监视每节电池的过压和欠压条件。另外,该器件还提供了一种待机模式。
每个电池输入均具有一个相关联的 MOSFET 开关,用于对过充电电池进行放电。
对于要求可单独寻址的串行通信的大电池组应用,请参考 LTC6802-2。
应用
- 电动汽车和混合动力汽车
- 高功率便携式设备
- 备份电池系统
- 高电压数据采集系统
参考资料
数据手册 1
可靠性数据 1
用户手册 1
设计笔记 1
技术文章 10
新闻 1
产品选型卡 1
解决方案设计及宣传手册 1
ADI 始终高度重视提供符合最高质量和可靠性水平的产品。我们通过将质量和可靠性检查纳入产品和工艺设计的各个范围以及制造过程来实现这一目标。出货产品的“零缺陷”始终是我们的目标。查看我们的质量和可靠性计划和认证以了解更多信息。
| 产品型号 | 引脚/封装图-中文版 | 文档 | CAD 符号,脚注和 3D模型 |
|---|---|---|---|
| LTC6802IG-1#3ZZPBF | 44-Lead SSOP | ||
| LTC6802IG-1#3ZZTRPBF | 44-Lead SSOP | ||
| LTC6802IG-1#PBF | 44-Lead SSOP | ||
| LTC6802IG-1#TRPBF | 44-Lead SSOP |
| 产品型号 | 产品生命周期 | PCN |
|---|---|---|
|
10月 11, 2022 - 22_0242 Epoxy Change from Henkel 8290 to 8290A for SSOP PKG |
||
| LTC6802IG-1#3ZZPBF | 量产 | |
| LTC6802IG-1#3ZZTRPBF | 量产 | |
| LTC6802IG-1#PBF | 量产 | |
| LTC6802IG-1#TRPBF | 量产 | |
|
7月 31, 2020 - 20_0245 Notification of Wafer Fab Location Change for 0.6µm BICMOS Process Devices from ADI Milpitas (Hillview) to Vanguard Int. (Taiwan) |
||
| LTC6802IG-1#3ZZPBF | 量产 | |
| LTC6802IG-1#3ZZTRPBF | 量产 | |
| LTC6802IG-1#PBF | 量产 | |
| LTC6802IG-1#TRPBF | 量产 | |
|
11月 18, 2019 - 19_0266 Laser Top Mark for SSOP36/44/48 Packages assembled in ADPG and UTAC |
||
| LTC6802IG-1#3ZZPBF | 量产 | |
| LTC6802IG-1#3ZZTRPBF | 量产 | |
| LTC6802IG-1#PBF | 量产 | |
| LTC6802IG-1#TRPBF | 量产 | |
这是最新版本的数据手册
软件资源
找不到您所需的软件或驱动?
申请驱动/软件硬件生态系统
评估套件
最新评论
需要发起讨论吗? 没有关于 LTC6802-1的相关讨论?是否需要发起讨论?
在EngineerZone®上发起讨论