概览
产品详情
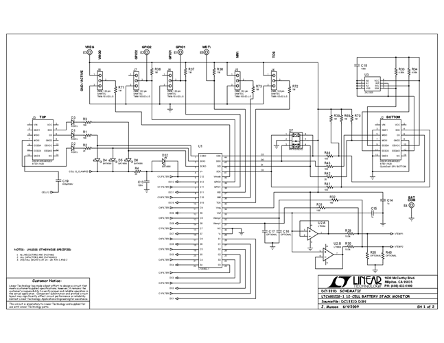
DC1331D: Demo Board for LTC6802-1 - Multicell Battery Stack Monitor
相关产品
文档
-
DC1331D - Schematic2010/1/25PDF110K
-
DC1331D - Design Manual2010/1/25PDF1M
-
DC1331D - Design Files2010/1/25ZIP702K
