LTC4240

量产

具 I²C 兼容接口的 CompactPCI 热插拔控制器

产品技术资料帮助

ADI公司所提供的资料均视为准确、可靠。但本公司不为用户在应用过程中侵犯任何专利权或第三方权利承担任何责任。技术指标的修改不再另行通知。本公司既没有含蓄的允许,也不允许借用ADI公司的专利或专利权的名义。本文出现的商标和注册商标所有权分别属于相应的公司。

Viewing:

概述

  • 允许从带电 CompactPCI 总线安全地进行电路板的插拔操作
  • I2C 兼容型两线式接口
  • PRECHARGE 输出在板卡插拔期间给 I/O 引脚施加偏置
  • 可控制 3.3V、5V、12V 和 –12V 电源
  • 具电路断路器的折返电流限制功能电路
  • 片内 LOCAL_PCI_RST# 逻辑电路
  • QuickSwitch® 使能输出
  • 状态 LED 驱动器
  • 用户可编程的电源电压上电速率
  • 可记录个别的电源故障
  • 采用 28 引脚窄体 SSOP 封装

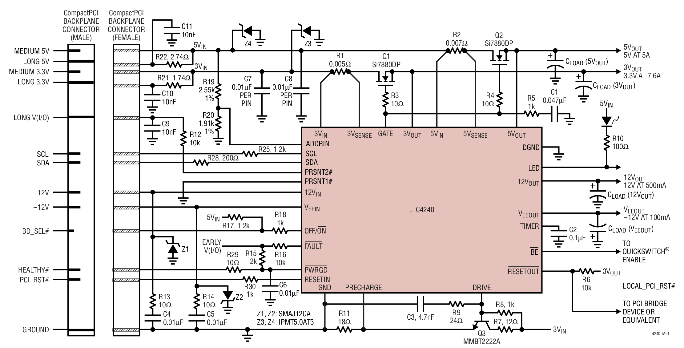
LTC®4240是一款允许从一个带电 CompactPCI总线插槽安全地进行电路板插拔操作的热插拔控制器。LTC4240 具有一个内置的两线式 I2C 兼容型接口,以实现器件功能和电源状态的软件控制和监视。两个外部 N 沟道晶体管负责控制 3.3V 和 5V 电源,而两个内部开关则控制 -12V 和 12V 电源。电子电路断路器可保护所有 4 个电源免遭过流故障的损坏。当所有的电源电压均处在容限范围之内时,PWRGD 输出发出指示信号。OFF/ON 引脚用于实现电路板电源的通 / 断循环或使电路断路器复位。I2C 接口使得用户能够关断或接通器件、设定 RESETOUT、接通状态 LED 驱动器和无惧 12V、-12V 故障。另外,它还允许用户读取 FAULTRESEINRESETOUTPWRGD、PRSNT1# 和 PRSNT2# 引脚的状态。在某种故障情况下,I2C 接口还可用于确定 4 个电源中的哪一个产生了该故障。LTC4240 采用 28 引脚窄体 SSOP 封装。


Applications

  • 带电电路板插入 CompactPCI 总线
  • 电子电路断路器

LTC4240
具 I²C 兼容接口的 CompactPCI 热插拔控制器
Product Package 1
添加至 myAnalog

将产品添加到myAnalog 的现有项目或新项目中(接收通知)。

创建新项目
提问

参考资料

了解更多
添加至 myAnalog

Add media to the Resources section of myAnalog, to an existing project or to a new project.

创建新项目

软件资源

找不到您所需的软件或驱动?

申请驱动/软件

硬件生态系统

部分模型 产品周期 描述
保护开关和控制器 2
LTC4241 推荐用于新设计 PCI 总线和 3.3V 辅助热插拔控制器
LTC4244 量产 坚固的 CompactPCI 总线热插拔控制器
Modal heading
添加至 myAnalog

将产品添加到myAnalog 的现有项目或新项目中(接收通知)。

创建新项目

工具及仿真模型

LTspice


LTspice中提供以下器件型号:

  • LTC4240
LTspice

LTspice®是一款强大高效的免费仿真软件、原理图采集和波形观测器,为改善模拟电路的仿真提供增强功能和模型。


评估套件

eval board
DC458A

LTC4240CGN | I2C 紧凑型PCI热插拔控制器

产品详情

DC458A:具有 I2C 兼容接口的LTC4240紧凑型PCI热插拔控制器演示板。

DC458A
LTC4240CGN | I2C 紧凑型PCI热插拔控制器
DC458A - Schematic

最新评论

需要发起讨论吗? 没有关于 LTC4240的相关讨论?是否需要发起讨论?

在EngineerZone®上发起讨论

近期浏览