LTC3210-1

量产

采用 3mm x 3mm QFN 封装、具 64 级亮度控制能力的主/相机 LED控制器

产品技术资料帮助

ADI公司所提供的资料均视为准确、可靠。但本公司不为用户在应用过程中侵犯任何专利权或第三方权利承担任何责任。技术指标的修改不再另行通知。本公司既没有含蓄的允许,也不允许借用ADI公司的专利或专利权的名义。本文出现的商标和注册商标所有权分别属于相应的公司。

Viewing:

概述

  • 低噪声充电泵利用自动模式切换提供了高效率
  • 多模式运作:1x、1.5x、2x
  • 单独的全标度电流设定电阻器
  • 高达 500mA 的总输出电流
  • 用于主 (MAIN) 和照相 (CAM) LED 的单线式 EN (使能) / 亮度控制
  • 用于主 (MAIN) 显示屏的 64:1 线性亮度控制范围
  • 4 个 25mA 低压差主 LED 输出
  • 1 个 400mA 低压差相机 LED 输出
  • 低噪声恒定频率操作
  • 低停机电流:3μA
  • 内部软起动功能限制了启动和模式切换期间的浪涌电流
  • 开路 / 短路 LED 保护
  • 无电感器
  • 3mm x 3mm x 0.75mm 16 引线塑料 QFN 封装

 

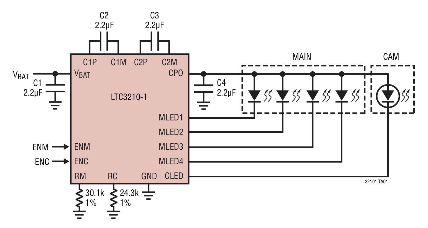
LTC®3210-1 是一款低噪声充电泵 DC/DC 转换器,专为驱动 4 个主 LED 和 1 个用于相机照明的高电流相机 LED 而设计。LTC3210-1 仅需 4 个小的陶瓷电容器和两个电流设定电阻器便可构成一个完整的 LED 电源和电流控制器。

内置软起动电路可防止在启动和模式变更期间产生过大的浪涌电流。高开关频率允许使用小的外部电容器。独立的主和相机全标度电流设定值由两个外部电阻器来设置。

停机模式和电流输出电平通过两个逻辑输入来选择。对 ENM 和 ENC 引脚电平进行变换,以通过内部计数器和 DAC 来调节 LED 电流。一个 6 位线性 DAC (64 级) 提供了用于主显示屏的高分辨率亮度控制。

充电泵根据 LED 电流源两端的电压来优化效率。该器件在 1x 模式中上电,并当任何被使能的 LED 电流源开始进入压降状态时自动切换至升压模式。LTC3210-1 采用 3mm x 3mm x 0.75 16 引线 QFN 封装。

 


Applications

  • 用于蜂窝电话/DSC/PDA 的多 LED 照明灯电源

LTC3210-1
采用 3mm x 3mm QFN 封装、具 64 级亮度控制能力的主/相机 LED控制器
4-LED MAIN Display  Efficiency vs VBAT Voltage Product Package 1
添加至 myAnalog

将产品添加到myAnalog 的现有项目或新项目中(接收通知)。

创建新项目
提问

参考资料

了解更多
添加至 myAnalog

Add media to the Resources section of myAnalog, to an existing project or to a new project.

创建新项目

软件资源

找不到您所需的软件或驱动?

申请驱动/软件

硬件生态系统

部分模型 产品周期 描述
电平转换器和缓冲区 1
LTC4311 量产 低电压 I2C/SMBus 加速器
模数转换器(ADC) 1
LTC2991 推荐用于新设计 8 通道 I2C 电压、电流和温度监视器
Modal heading
添加至 myAnalog

将产品添加到myAnalog 的现有项目或新项目中(接收通知)。

创建新项目

工具及仿真模型

LTspice 1


LTspice中提供以下器件型号:

  • LTC3210
  • LTC3210-1
  • LTC3210-2
  • LTC3210-3
LTspice

LTspice®是一款强大高效的免费仿真软件、原理图采集和波形观测器,为改善模拟电路的仿真提供增强功能和模型。


评估套件

eval board
DC1022A

LTC3210EUD-1 |主/CAM LED控制器;需要DC590板

产品详情

DC1022A:具有64级亮度控制、采用3mm x 3mm QFN封装的 MAIN/CAM LED控制器LTC3210-1的演示板


 


DC1022A
LTC3210EUD-1 |主/CAM LED控制器;需要DC590板
DC1022A - Schematic

最新评论

需要发起讨论吗? 没有关于 LTC3210-1的相关讨论?是否需要发起讨论?

在EngineerZone®上发起讨论

近期浏览