LT3746

量产

具降压型控制器的 32 通道、20mA LED 驱动器

产品技术资料帮助

ADI公司所提供的资料均视为准确、可靠。但本公司不为用户在应用过程中侵犯任何专利权或第三方权利承担任何责任。技术指标的修改不再另行通知。本公司既没有含蓄的允许,也不允许借用ADI公司的专利或专利权的名义。本文出现的商标和注册商标所有权分别属于相应的公司。

Viewing:

概述

  • 6V 至 55V 电源输入电压范围
  • 32 个独立的 LED 输出高达 30mA/13V
  • 6 位点校正电流调节
  • 12 位灰度等级 PWM 调光
  • 0.5μs 最小 LED 导通时间
  • 用于实现高效率的自动调整 LED 总线电压
  • 可级联的 30MHz 串行数据接口
  • 完备的诊断及保护功能:个别的 LED 开路 / 短路和过热故障

LT®3746 集成了一个 32 通道 LED 驱动器及一个 55V 降压型控制器。LED 驱动器每个通道可点亮高达 30mA/13V 的串联 LED,而降压型控制器则产生了一个自适应的总线电压,用于给并联的 LED 串供电。每个通道具有单独的 6 位点校正电流调节和 12 位灰度等级 PWM 调光能力。点校正及灰度等级均可通过 TTL / CMOS 逻辑电路中的一个串行数据接口获得。

LT3746 可提供针对 LED 开路 / 短路及过热故障的全面诊断和保护功能。故障状态通过串行数据接口回送。30MHz 全缓冲、转换速率平衡、可级联的串行数据接口使得该芯片极其适合于大屏幕 LCD 的动态背面照明以及单彩色、多彩色和全彩色 LED 显示器。


Applications

  • 大屏幕 LED 显示器的背面照明
  • 单彩色、多彩色和全彩色 LED 显示器
  • LED 广告牌和布告板

LT3746
具降压型控制器的 32 通道、20mA LED 驱动器
32-Channel LED Driver, 1MHz Buck, 3 LEDs 10mA to 30mA per Channel, 500Hz 12-Bit Dimming Product Package 1
添加至 myAnalog

将产品添加到myAnalog 的现有项目或新项目中(接收通知)。

创建新项目
提问

参考资料

数据手册 1

可靠性数据 1

用户手册 1

了解更多
添加至 myAnalog

Add media to the Resources section of myAnalog, to an existing project or to a new project.

创建新项目

软件资源

找不到您所需的软件或驱动?

申请驱动/软件

硬件生态系统

部分模型 产品周期 描述
电平转换器和缓冲区 2
LTC4311 量产 低电压 I2C/SMBus 加速器
LTC4317 量产 双通道 I2C / SMBus 地址转换器
模数转换器(ADC) 1
LTC2991 推荐用于新设计 8 通道 I2C 电压、电流和温度监视器
Modal heading
添加至 myAnalog

将产品添加到myAnalog 的现有项目或新项目中(接收通知)。

创建新项目

评估套件

eval board
DC1406A

LT3746EUHH演示板 | 32通道20mA LED驱动器(RGB为x3),9V ≤ VIN ≤ 40V,VLED高达4.2V (20Ma)

产品详情

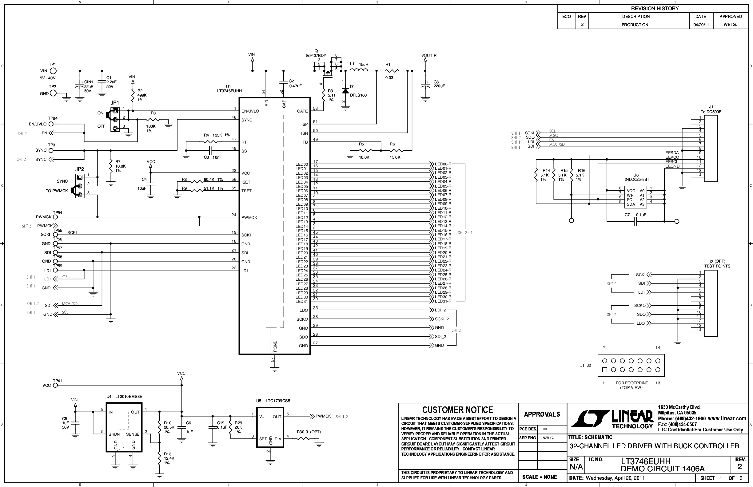
演示电路1406A包含三个LT3746,这是一款具有降压控制器和串行接口的32通道20mA LED驱动器。三个LT3746串联,以控制演示板上的32个OSRAM RGB LED。每个IC驱动一种单独的颜色。演示板输入电压范围为9V至40V,蓝色和绿色LED的输出电压为4.2V,红色LED的输出电压为3V。


每个通道都有可单独调节的12位(4096步)灰度PWM调光控制和6位(64步)点校正电流调节。 在状态回读过程中,会发回单个开路/短路LED和过热标志。 安装在主机中的评估软件通过接口板DC590B(USB串行控制器)与DC1406A进行通信。


 


DC1406A
LT3746EUHH演示板 | 32通道20mA LED驱动器(RGB为x3),9V ≤ VIN ≤ 40V,VLED高达4.2V (20Ma)
DC1406A - Schematic

最新评论

需要发起讨论吗? 没有关于 LT3746的相关讨论?是否需要发起讨论?

在EngineerZone®上发起讨论

近期浏览