概览
产品详情
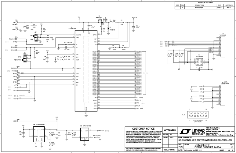
演示电路1406A包含三个LT3746,这是一款具有降压控制器和串行接口的32通道20mA LED驱动器。三个LT3746串联,以控制演示板上的32个OSRAM RGB LED。每个IC驱动一种单独的颜色。演示板输入电压范围为9V至40V,蓝色和绿色LED的输出电压为4.2V,红色LED的输出电压为3V。
每个通道都有可单独调节的12位(4096步)灰度PWM调光控制和6位(64步)点校正电流调节。 在状态回读过程中,会发回单个开路/短路LED和过热标志。 安装在主机中的评估软件通过接口板DC590B(USB串行控制器)与DC1406A进行通信。
相关产品
文档
-
DC1406A -Schematic2012/5/4PDF129K
-
DC1406A - Demo Manual2011/5/12PDF846K
-
DC1406A - Design Files2011/5/12ZIP4M
