LT3597

推荐用于新设计

60V、三通道降压型 LED 驱动器

产品技术资料帮助

ADI公司所提供的资料均视为准确、可靠。但本公司不为用户在应用过程中侵犯任何专利权或第三方权利承担任何责任。技术指标的修改不再另行通知。本公司既没有含蓄的允许,也不允许借用ADI公司的专利或专利权的名义。本文出现的商标和注册商标所有权分别属于相应的公司。

Viewing:

概述

  • 三个 100mA 降压型稳压器,每个通道可利用快速 NPN 电流源来驱动多达 10 个 LED
  • 适合于 <1μs 脉冲宽度的快速电流源 (在 100Hz 频率条件下提供 10,000 : 1 True Color PWM 调光)
  • 在停机模式中断接 LED
  • 用于提升效率的自适应 VOUT
  • 控制 6V 至 60V 输入电压范围
  • 准确度达 ±2% 的 LED 电流匹配
  • 外部电阻器用于设定每个通道的 LED 电流
  • 内部补偿和软起动
  • 可编程开关频率 (200kHz 至 1MHz)
  • 可同步至外部时钟
  • 开路 LED 检测和报告
  • 短路 LED 引脚保护和报告
  • 可编程 LED 热降额
  • 可编程温度保护
  • 具 0.6mm 高电压引脚间距的 5mm x 8mm 耐热性能增强型 QFN 封装

LT®3597 是一款 60V、三通道降压型 LED 驱动器,能够在 100Hz 频率条件下实现 10,000 : 1 的数字 PWM 调光,并可在每个通道中运用快速 NPN 电流源来驱动多达 10 个 LED。另外,也可以利用 CTRL1-3 引脚的模拟控制来实施 LED 调光操作。

降压开关频率可在 200kHz 至 1MHz 之间进行设置。该频率也可以同步至一个外部时钟。LT3597 还在遵循制造商拟订的热降额规格的同时提供了较大 LED 亮度。降额温度通过在主控制引脚上布设一个负温度系数 (NTC) 电阻器来设置。

LT3597 对 VOUT 进行自适应控制,旨在实现较佳效率。该器件的其他特点包括:通道之间的 2% LED 电流匹配准确度、开路 LED 报告、短路 LED 保护、可编程 LED 电流和可编程温度保护功能。



应用

  • LED 广告牌和布告板
  • 单色、多色、全彩色 LED 显示器
  • 大屏幕显示器 LED 背面照明
  • 汽车、工业和医学显示器

LT3597
60V、三通道降压型 LED 驱动器
Triple Step-Down RGB Single Pixel LED Driver, 100mA Current 10,000:1 PWM Dimming at 100Hz Product Package 1
添加至 myAnalog

将产品添加到myAnalog 的现有项目或新项目中(接收通知)。

创建新项目
提问

参考资料

数据手册 1

可靠性数据 1

用户手册 1

了解更多
添加至 myAnalog

Add media to the Resources section of myAnalog, to an existing project or to a new project.

创建新项目

软件资源

找不到您所需的软件或驱动?

申请驱动/软件

硬件生态系统

部分模型 产品周期 描述
保护开关和控制器 1
LT4363 推荐用于新设计 具电流限制功能的高电压浪涌抑制器
电路监控器 1
LT2940 量产 功率和电流监视器
脉宽调制(PWM)和脉冲发生器 1
LTC6992-1 量产 TimerBlox : 电压控制型脉宽调制器 (PWM)
温度传感器 1
LTC2995 量产 具警报输出的温度传感器和双通道电压监视器
Modal heading
添加至 myAnalog

将产品添加到myAnalog 的现有项目或新项目中(接收通知)。

创建新项目

工具及仿真模型

LTspice

LTspice®是一款强大高效的免费仿真软件、原理图采集和波形观测器,为改善模拟电路的仿真提供增强功能和模型。


评估套件

eval board
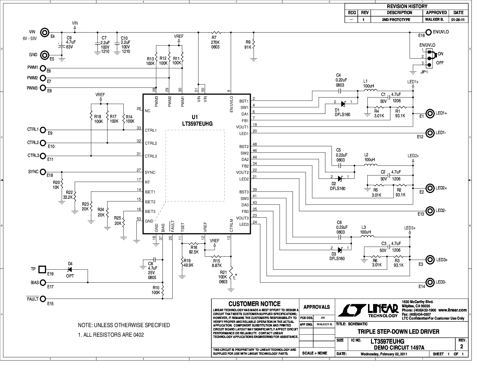
DC1497A

LT3597EUHG Demo Board | Triple Step-Down LED Driver, 6V ≤ VIN ≤ 55V, VLED up to 34V @ 100mA (×3)

产品详情

Demonstration circuit 1497A is a 60V triple step-down LED driver featuring the LT3597. The demo board is optimized for driving nine white LEDs at 100mA output per regulator from a 48V input. The LT3597 features a 5V to 55V input voltage range; depending on the number of LEDs used, the minimum input voltage will change. When a different number or different color of LED is used for evaluation, attention should be given to the maximum output voltage setting and open LED detection fault reporting.


The connections between the board and LEDs strings should be as short as feasible. The circuit achieves 10,000:1 PWM dimming at 100Hz PWM frequency. LED dimming can also be by analog control of the CTRL1-3 pin.

DC1497A
LT3597EUHG Demo Board | Triple Step-Down LED Driver, 6V ≤ VIN ≤ 55V, VLED up to 34V @ 100mA (×3)
DC1497A - Schematic

最新评论

需要发起讨论吗? 没有关于 LT3597的相关讨论?是否需要发起讨论?

在EngineerZone®上发起讨论

近期浏览