ADG759

量产

CMOS、低压、3 Ω、4通道多路复用器

产品技术资料帮助

ADI公司所提供的资料均视为准确、可靠。但本公司不为用户在应用过程中侵犯任何专利权或第三方权利承担任何责任。技术指标的修改不再另行通知。本公司既没有含蓄的允许,也不允许借用ADI公司的专利或专利权的名义。本文出现的商标和注册商标所有权分别属于相应的公司。

Viewing:

概述

  • 单电源:1.8 V至5.5 V
  • 双电源:± 2.5 V
  • 导通电阻:3 Ω
  • 导通电阻平坦度:0.75 Ω
  • 4 mm x 4 mm、20引脚芯片级封装
  • 功能相当、采用16引脚TSSOP封装的器件,请参考ADG708/ADG709
  • ADG758:单端8:1多路复用器
  • ADG759:差分4:1多路复用器
  • 开关时间:14 ns
  • 低功耗
  • TTL/CMOS兼容型输入
  • 泄漏电流:100 pA

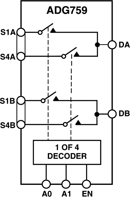
ADG759是一款低压CMOS模拟多路复用器,内置4个差分通道。它根据2位二进制地址线A0和A1所确定的地址,将4路差分输入之一切换至公共差分输出。该器件提供EN输入,用来使能或禁用器件。禁用时,所有通道均关断。

ADG759具有低功耗和1.8 V至5.5 V的工作电压范围,非常适合电池供电的便携式仪表应用。所有通道均采用先开后合式开关,防止开关通道时发生瞬时短路。 ADG759 采用16引脚TSSOP封装。

ADG759
CMOS、低压、3 Ω、4通道多路复用器
ADG759 Functional Block Diagram
添加至 myAnalog

将产品添加到myAnalog 的现有项目或新项目中(接收通知)。

创建新项目
提问

参考资料

了解更多
添加至 myAnalog

Add media to the Resources section of myAnalog, to an existing project or to a new project.

创建新项目

软件资源

找不到您所需的软件或驱动?

申请驱动/软件

工具及仿真模型

LTspice


LTspice中提供以下器件型号:

  • ADG759
LTspice

LTspice®是一款强大高效的免费仿真软件、原理图采集和波形观测器,为改善模拟电路的仿真提供增强功能和模型。


评估套件

eval board
EVAL-FMCMOTCON2

停产:AD-FMCMOTCON2-EBZ评估板

特性和优点

该评估板已停产且不再推荐使用。

FMCMOTCON2评估套件允许用户:


  • 针对高性能伺服系统建模并快速实现电机控制算法,采用基于Mathworks模型的设计集成系统建模和设计理念。
  • 提供原型制作系统以便在进入生产阶段前验证硬件和控制算法,从而缩短电机控制系统从概念转向生产阶段所需的时间。

产品详情

该评估板已停产且不再推荐使用。

AD-FMCMOTCON2-EBZ是一款完整的FPGA夹层卡(FMC)板载高性能伺服系统,旨在提供完整的电机驱动系统,实现三相PMSM和感应电机(最高可驱动至48V且功耗为20A)的高效和高动态控制。

两台电机可同时驱动,每台电机配备单独的电源供电。系统集成高质量电源;可靠的电源、控制和反馈信号隔离;精确的电机电流和电压信号测量;实现控制器快速响应的控制信号高速接口;工业以太网高速接口;单端霍尔、差分霍尔、编码器和旋变器接口;数字位置传感器接口;带FPGA/SoC接口的灵活控制。

该套件由两片板组成:一片控制器板和一片驱动板。可选的AD-DYNO2-EBZ测功器是驱动系统的延伸产品,也可从Avnet订购。

控制器板

  • 与高低电压驱动板接口的数字板
  • 兼容具有FMC LPC或HPC连接器的所有Xilinx FPGA平台
  • FMC信号电压自适应接口,支持在所有FMC电压电平上无缝工作
  • 完全隔离的数字控制和反馈信号
  • 隔离式Xilinx XADC接口
  • 2个千兆以太网物理层,用于高速工业通信,支持第三方EtherCAT
  • 单端霍尔、差分霍尔、编码器和旋变器接口
  • 数字传感器接口
    • EnDat
    • BISS接口

驱动板

  • 电机最高可驱动至48V且功耗为20A
  • 同时驱动2个电机
  • 采用ADI隔离栅极驱动器实现高频驱动级
  • 支持的电机类型
    BLDC
    PMSM
    有刷直流电机
    步进电机(双极性/单极性)
  • 集成过流保护
  • 反向电压保护
  • 利用隔离式ADC测量电流和电压
  • BEMF过零检测,用于实现PMSM或BLDC电机的无传感器控制
  • 为2个电机提供单独的电源,以便电机不会相互影响

集成嵌入式控制功能的测功器系统

  • 两台BLDC电机通过采用动态配置的刚性耦合连接而成,可用于测试实时电机控制性能。
  • 一台BLDC电机用作电子可调负载,由嵌入式控制系统驱动。 该电机可直接连接至FMC电机驱动器以便获取复合/有源负载。 该负载还可通过AD-FMCMOTCON2-EBZ驱动以便实现动态负载曲线性能。
  • 其他BLDC电机通过FMC电机驱动器驱动。
  • 测量和显示负载电机电流
  • 测量和显示负载电机速度
  • 采用Analog Discovery和MathWorks Instrumentation Control Toolbox实现外部控制

软件:

示例参考设计说明如何使用Xilinx® FPGA或SoC平台以及随硬件一同提供的Mathworks®高性能控制算法。 单击软件链接,可找到关于FMC板及其使用方法、设计封装和相应工作软件的信息。

EVAL-FMCMOTCON2
停产:AD-FMCMOTCON2-EBZ评估板
EVAL-FMCMOTCON2 System

参考电路

CN0328 Top Level Block Diagram
CN0328 参考设计

完全隔离式4通道多路复用HART模拟输出电路

特性和优点

  • 针对4mA至20mA或电压输出的完整HART兼容解决方案
  • 完全隔离
  • 四路多路复用输出

4-Channel Multiplexed HART Analog Output Circuit
CN0418 参考设计

适用于带HART的PLC/DCS系统的完全隔离的4通道模拟输出电路

特性和优点

  • 4通道
  • +/- 10V、4-20mA输出
  • 兼容HART标准
  • 动态功率控制
  • 数字压摆率限制
CN0328
完全隔离式4通道多路复用HART模拟输出电路
CN0328 Top Level Block Diagram
CN0418
适用于带HART的PLC/DCS系统的完全隔离的4通道模拟输出电路
4-Channel Multiplexed HART Analog Output Circuit
EVAL-CN0418-ARDZ - Angle View
EVAL-CN0418-ARDZ - Top View
EVAL-CN0418-ARDZ - Bottom View

最新评论

需要发起讨论吗? 没有关于 ADG759的相关讨论?是否需要发起讨论?

在EngineerZone®上发起讨论

近期浏览