ADF4152HV

推荐用于新设计

高压、小数N/整数N分频PLL频率合成器

产品技术资料帮助

ADI公司所提供的资料均视为准确、可靠。但本公司不为用户在应用过程中侵犯任何专利权或第三方权利承担任何责任。技术指标的修改不再另行通知。本公司既没有含蓄的允许,也不允许借用ADI公司的专利或专利权的名义。本文出现的商标和注册商标所有权分别属于相应的公司。

Viewing:

概述

  • 小数N分频频率合成器和整数N分频频率合成器
  • 高压电荷泵:VP = 6.0 V至30 V
  • 射频(RF)带宽达5.0 GHz
  • 可编程输出分频器
  • 频率合成器电源电压:3.0 V至3.6 V
  • 可编程双模预分频器
  • 可编程输出功率水平
  • 可编程电荷泵电流
  • RF输出静音功能
  • 三线式串行接口
  • 模拟和数字锁定检测

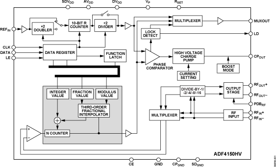
ADF4152HV是一款集成高压电荷泵的5.0 GHz小数N分频或整数N分频频率合成器。该频率合成器可以直接驱动外部宽带压控振荡器(VCO),从而无需运算放大器便可实现更高的调谐电压。集成高压电荷泵可以简化设计,降低成本,同时改善相位噪声,与无源滤波器拓扑相比,有源滤波器拓扑往往会降低相位噪声性能。

VCO频率可进行 1、2、4、8或16分频,因此用户可以产生低至31.25 MHz的RF输出频率。对于要求隔离的应用,RF输出级可以实现静音。静音功能既可以通过引脚控制,也可以通过软件控制。

简单的三线式接口控制所有片内寄存器。电荷泵采用6.0 V至30 V电源供电,器件的其余部分则采用3.0 V至3.6 V电源供电,ADF4152HV不用时可以关断。

应用

  • 无线基础设施
  • 微波点对点/点对多点无线电
  • 甚小孔径终端(VSAT)无线电
  • 测试设备
  • 私有陆地移动无线电

ADF4152HV

高压、小数N/整数N分频PLL频率合成器

ADF4150HV Functional Block Diagram ADF4152HV Pin Configuration
添加至 myAnalog

将产品添加到myAnalog 的现有项目或新项目中(接收通知)。

创建新项目
提问

参考资料

了解更多
添加至 myAnalog

Add media to the Resources section of myAnalog, to an existing project or to a new project.

创建新项目

软件资源

找不到您所需的软件或驱动?

申请驱动/软件

硬件生态系统

部分模型 产品周期 描述
ADF4150HV 推荐用于新设计 高压小数N/整数N分频PLL频率合成器
Modal heading
添加至 myAnalog

将产品添加到myAnalog 的现有项目或新项目中(接收通知)。

创建新项目

工具及仿真模型

ADIsimPLL™

ADIsimPLL可以对ADI公司最新的高性能PLL产品进行快速、可靠的评估。它是目前最全面的PLL频率合成器设计和仿真工具,可实现所有对PLL性能有显著影响的重要非线性效应仿真。ADIsimPLL可以免去设计过程中的至少一项重复劳动,从而加快上市速度。

打开工具

评估套件

eval board
EVAL-ADF4152HV

ADF4152HV 评估板

特性和优点

  • 用于ADF4152HV的通用评估板,包括倍频程范围VCO、环路滤波器和TCXO
  • 内置ADF4152HV频率合成器(500 MHz至5 GHz)
  • 内置ADF5001预分频器,可以选择与外部微波VCO连接,无需使用有源环路滤波器。
  • 利用随附软件可通过PC对频率合成器的功能实现完全控制

产品详情

该评估板设计用于帮助用户评估支持锁相环(PLL)的频率合成器ADF4152HV的性能。图1所示为该评估板,它包含ADF4152HV频率合成器、环路滤波器、倍频程范围为1 GHz至2 GHz且高调谐电压高达28 V的压控振荡器(VCO)、参考输入频率为25 MHz的参考温度控制晶体振荡器(TCXO)、电源连接器和射频(RF)输出。ADF5001预分频器可以选择与外部微波VCO直接连接,无需使用有源环路滤波器。

该评估套件还包含兼容Windows® XP及后续版本的软件,可对该频率合成器轻松编程。PC必须配有USB端口,用于对器件进行编程。


EVAL-ADF4152HV
ADF4152HV 评估板
EVAL-ADF4152HVEB1Z Image

最新评论

近期浏览