LTC7825

推荐用于新设计

具有过压和过流保护功能的全集成式24V/12A开关电容DC/DC转换器

产品技术资料帮助

ADI公司所提供的资料均视为准确、可靠。但本公司不为用户在应用过程中侵犯任何专利权或第三方权利承担任何责任。技术指标的修改不再另行通知。本公司既没有含蓄的允许,也不允许借用ADI公司的专利或专利权的名义。本文出现的商标和注册商标所有权分别属于相应的公司。

Viewing:

概述

  • 宽VHIGH/VLOW电压范围:0V/0V至24V/12V
  • 宽VCC电源范围:4.5V至38V
  • 超高效率:10A负载时为97%
  • 通过外部过压保护MOSFET进行输入过压保护
  • 输入和输出短路保护
  • 软启动进入稳态操作
  • EXTVCC 能够提供5V至14V输入,实现高效率
  • 浪涌电流限制和保护
  • 集成自举二极管
  • 可编程工作频率:100kHz至1.4MHz
  • 采用4mm × 5mm LGA (LQFN)封装

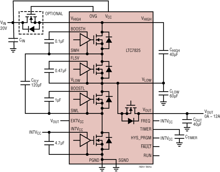
LTC7825是一款全集成式单片DC/DC转换器。在输入输出电压比为2:1的应用中,它通过开关电容架构实现了非常高的效率。当有VIN和VHIGH之间的可选MOSFET提供保护时,LTC7825输入可以承受高达40V的瞬态电压。在短路情况下,输入和输出完全断开。LTC7825集成了自举二极管,为需要限流保护的高功率中间总线应用提供外形紧凑且性价比高的解决方案。

LTC7825的工作开关频率可在100kHz至1.4MHz范围内进行线性编程。该器件采用4mm × 5mm LGA (LQFN)封装。

应用

  • 消费电子设备
  • 工业应用
  • 电池应用

LTC7825
具有过压和过流保护功能的全集成式24V/12A开关电容DC/DC转换器
LTC7825 Application Circuit LTC7825 Performance Graph
添加至 myAnalog

将产品添加到myAnalog 的现有项目或新项目中(接收通知)。

创建新项目
提问

参考资料

了解更多
添加至 myAnalog

Add media to the Resources section of myAnalog, to an existing project or to a new project.

创建新项目

软件资源

找不到您所需的软件或驱动?

申请驱动/软件

工具及仿真模型

LTspice


LTspice中提供以下器件型号:

  • LTC7825
LTspice

LTspice®是一款强大高效的免费仿真软件、原理图采集和波形观测器,为改善模拟电路的仿真提供增强功能和模型。


评估套件

eval board
DC2993A-A

LTC7825 | 高效率2:1单片开关电容器分压器

产品详情

演示电路DC2993A-A是一款高效率、高密度、开环电荷泵(无电感)DC/DC转换器。该演示板是一个分压器,其输入电压范围为4.5V至24V。输出电压的固定比例为输入电压一半(VIN/2),可提供12A的负载电流。DC2993A-A提供高效的解决方案,满负载时的效率为96.6%、运行频率为380kHz。

该演示板内置LTC7825,这是一款完全集成的24V/12A开关电容DC/DC转换器,具有过压和过流保护功能,采用4mm × 5mm QFN封装。如需了解更多详细信息,请参阅LTC7825数据手册。

DC2993A-A启动时无需负载。可在VOUT建立后施加负载电流。有关分压器启动的更多详细信息,请参阅LTC7825数据手册中的“开关前分压器预平衡”部分。该板提供一个由LTC7825 OVG引脚控制的输入断开MOSFET,用于在VIN高于24V时为功率级提供过压保护。该板还具有一些保护功能,例如过流和热关断,可以提供可靠的解决方案。

对于双相操作,请参阅DC2993A-B演示手册。

eval board
DC2993A-B

LTC7825 | 高效率2:1单片开关电容器分压器

产品详情

演示电路DC2993A-B是一款双相、高效率、高密度、开环电荷泵(无电感)DC/DC转换器。该演示板是一个分压器,其输入电压范围为4.5V至24V。输出电压的固定比例为输入电压一半(VIN/2),可提供24A的负载电流。DC2993A-B提供高效的解决方案,满负载时的效率为96.5%、运行频率为380kHz。

该演示板内置两个LTC7825,这是一款完全集成的24V/12A开关电容DC/DC转换器,具有过压和过流保护功能,采用4mm × 5mm QFN封装。如需了解更多详细信息,请参阅LTC7825数据手册。

DC2993A-B启动时不需要负载电流。可在VOUT建立后施加负载电流。有关分压器启动的更多详细信息,请参阅LTC7825数据手册中的“开关前分压器预平衡”部分。该板提供一个由LTC7825 OVG引脚控制的输入断开MOSFET,用于在VIN高于24V时为功率级提供过压保护。该板还具有一些保护功能,例如过流和热关断,可以提供可靠的解决方案。

注:对于单相操作功能,请参阅DC2993A-A演示手册。

DC2993A-A
LTC7825 | 高效率2:1单片开关电容器分压器
DC2993A-A Evaluation Board DC2993A-A Evaluation Board - Top View DC2993A-A Evaluation Board - Bottom View
DC2993A-B
LTC7825 | 高效率2:1单片开关电容器分压器
DC2993A-B Evaluation Board DC2993A-B Evaluation Board - Top View DC2993A-B Evaluation Board - Bottom View

最新评论

需要发起讨论吗? 没有关于 LTC7825的相关讨论?是否需要发起讨论?

在EngineerZone®上发起讨论

近期浏览