HMC826

最后购买期限

集成VCO 的小数N分频PLL,采用SMT封装,990 - 1,105 MHz

产品技术资料帮助

ADI公司所提供的资料均视为准确、可靠。但本公司不为用户在应用过程中侵犯任何专利权或第三方权利承担任何责任。技术指标的修改不再另行通知。本公司既没有含蓄的允许,也不允许借用ADI公司的专利或专利权的名义。本文出现的商标和注册商标所有权分别属于相应的公司。

Viewing:

概述

  • RF带宽: 990 - 1,105 MHz
  • 小数或整数模式
  • 19位预分频器
  • 超低相位噪声:-110 dBc/Hz(带内典型值)
  • 品质因数(FOM):-227 dBc(整数)
  • 24位步长,3 Hz分辨率(典型值)
  • 200 MHz、14位参考路径输入
  • 防周跳
  • 40引脚6x6mm SMT封装: 36mm²

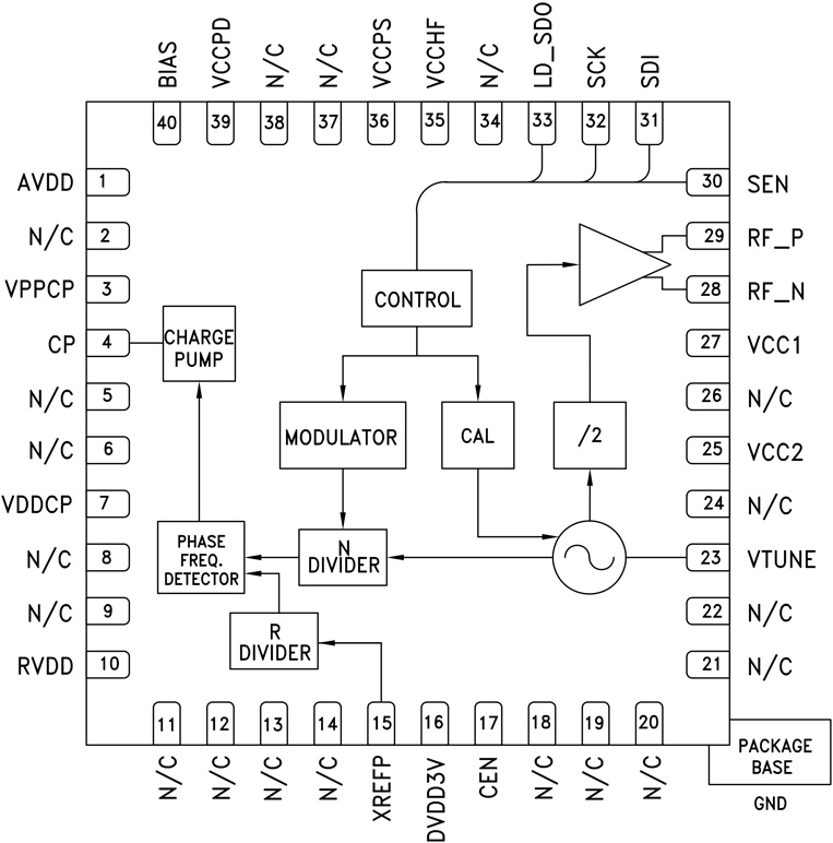
HMC826LP6CE是一款全功能小数N分频锁相环(PLL)频率合成器,集成压控振荡器(VCO)。 频率合成器由带有二分频输出的集成式低噪声VCO、用于低压VCO调谐的自动校准子系统、极低噪声数字相位检波器(PD)、精密控制电荷泵、低噪声参考路径分频器和小数分频器组成。

小数分频频率合成器采用高级Σ-Δ型调制器设计,支持超精细步长和低杂散产物。 相位检波器(PD)采用防周跳(CSP)技术,具有更快的跳频时间。 超低近载波相位噪声和低杂散特性还实现了更宽的环路带宽,从而具有更快的跳频和低微音特性。

有关工作原理和寄存器映射信息,请参见”集成VCO的PLL – RF VCO”操作指南。

应用

  • 蜂窝/4G基础设施
  • 中继器和毫微微蜂窝
  • 通信测试设备
  • 有线电视设备
  • 相控阵应用
  • 替代DDS
  • 极高数据速率无线电

HMC826
集成VCO 的小数N分频PLL,采用SMT封装,990 - 1,105 MHz
HMC826LP6C Functional Block Diagram
添加至 myAnalog

将产品添加到myAnalog 的现有项目或新项目中(接收通知)。

创建新项目
提问

参考资料

了解更多
添加至 myAnalog

Add media to the Resources section of myAnalog, to an existing project or to a new project.

创建新项目

软件资源

找不到您所需的软件或驱动?

申请驱动/软件

硬件生态系统

部分模型 产品周期 描述
比较器 1
LTC6957 低相位噪声、双输出缓冲器 / 驱动器 / 逻辑转换器
锁相环(PLL)频率合成器 1
HMC1031 最后购买期限 集成整数N分频PLL、0.1 - 500 MHz时钟发生器
Modal heading
添加至 myAnalog

将产品添加到myAnalog 的现有项目或新项目中(接收通知)。

创建新项目

评估套件

EVAL-HMC826LP6CE
HMC826LP6CE评估板
HMC821 Evaluation Board HMC821 Evaluation Board - Top View HMC821 Evaluation Board - Bottom View

最新评论

需要发起讨论吗? 没有关于 HMC826的相关讨论?是否需要发起讨论?

在EngineerZone®上发起讨论

近期浏览