
HMC514
推荐用于新设计采用SMT封装的VCO,具有Fo/2,提供4分频,11.17 - 12.02 GHz
- 产品模型
- 2
产品详情
- 双路输出:Fo = 11.17 - 12.02 GHz
Fo/2 = 5.58 - 6.01 GHz - Pout: +7 dBm
- 相位噪声: 典型值为-110 dBc/Hz(100 KHz)。
- 无需外部谐振器
- QFN无引脚SMT封装,25 mm²
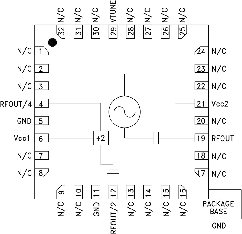
HMC514LP5(E)是一款GaAs InGaP异质结双极性晶体管(HBT) MMIC VCO。 HMC514LP5(E)集成了谐振器、负电阻器件和变容二极管,可输出半频,并提供4分频输出。 由于振荡器的单芯片结构,VCO的相位噪声性能在温度、冲击和工艺条件下均非常出色。 采用+3V电源电压时,输出功率为+7 dBm(典型值)。 如果不需要,可以禁用预分频器功能以节省电流。 该电压控制振荡器采用无引脚QFN 5x5 mm表贴封装,无需外部匹配元件。
应用
- VSAT无线电
- 点对点/多点无线电
- 测试设备和工业控制
- 军事最终用途
参考资料
数据手册 1
质量文档 4
磁带和卷轴规格 1
产品选型指南 1
ADI 始终高度重视提供符合最高质量和可靠性水平的产品。我们通过将质量和可靠性检查纳入产品和工艺设计的各个范围以及制造过程来实现这一目标。出货产品的“零缺陷”始终是我们的目标。查看我们的质量和可靠性计划和认证以了解更多信息。
产品型号 | 引脚/封装图-中文版 | 文档 | CAD 符号,脚注和 3D模型 |
---|---|---|---|
HMC514LP5E | 32-Lead QFN (5mm x 5mm w/ EP) | ||
HMC514LP5ETR | 32-Lead QFN (5mm x 5mm w/ EP) |
这是最新版本的数据手册
软件资源
找不到您所需的软件或驱动?
申请驱动/软件工具及仿真模型
ADIsimPLL™
ADIsimPLL可以对ADI公司最新的高性能PLL产品进行快速、可靠的评估。它是目前最全面的PLL频率合成器设计和仿真工具,可实现所有对PLL性能有显著影响的重要非线性效应仿真。ADIsimPLL可以免去设计过程中的至少一项重复劳动,从而加快上市速度。
打开工具评估套件
最新评论
需要发起讨论吗? 没有关于 HMC514的相关讨论?是否需要发起讨论?
在EngineerZone®上发起讨论