
ADGM1004
推荐用于新设计带集成驱动器的0 Hz至13 GHz、2.5kV HBM ESD SP4T MEMS开关
- 产品模型
- 2
产品详情
- 完全工作频率低至0 Hz/dc
- 导通电阻:2.9 Ω(最大值)
- 关断泄漏:0.5 nA(最大值)
- −3 dB带宽
- RF1、RF4为10.8 GHz(典型值)
- RF2、RF3为13 GHz(典型值)
- RF性能特性
- 插入损耗:0.45 dB(典型值,2.5 GHz)
- 隔离:24 dB(典型值,2.5 GHz)
- IP3:67 dBm(典型值)
- RF输入功率:32 dBm(最大值)
- 驱动寿命:10亿周期(最小值)
- 密封开关触点
- 开关导通时间:75 µs(最大值)
- ESD HBM额定值
- 5 kV(对于RF1至RF4和RFC引脚)
- 2.5 kV(对于所有其他引脚)
- 集成驱动器,无需外部驱动器
- 电源电压:3.0 V至3.6 V
- CMOS/LVTTL兼容
- 并行和SPI接口
- 独立控制开关
- 没有电源时,开关处于开路状态
- 有关避免所有RFx引脚上出现浮空节点的要求
- 5 mm × 4 mm × 1.45 mm、24引脚LFCSP
- 工作温度范围:0°C至85°C
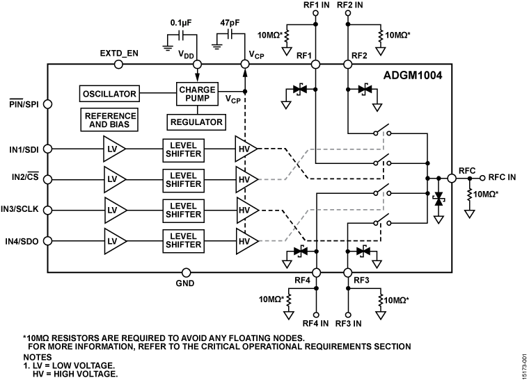
ADGM1004是一款宽带、单刀四掷(SP4T)开关,采用ADI公司的微型机电系统(MEMS)开关技术制造而成。利用该技术可实现小型、宽RF带宽、高线性、低插入损耗开关,其工作频率范围为0 Hz/dc至13 GHz,是满足各种RF和精密设备开关需求的理想解决方案。
集成驱动器芯片产生高压,通过静电驱动可由并行接口和串行外设接口(SPI)控制的开关。所有四个开关都可单独进行控制。
该器件采用24引脚、5 mm × 4 mm × 1.45 mm、引脚架构芯片级封装(LFCSP)。
为确保ADGM1004的更佳运行,请完全遵循“关键运行要求”部分。
ADGM1004的导通电阻(RON)性能受到器件间差异、通道间差异、周期驱动、建立时间后开启、偏置电压和温度变化的影响。
请注意,在整篇数据手册中,多功能引脚(如IN1/SDI)由整个引脚名称或引脚的单个功能表示,例如SDI即表示仅与此功能相关。
应用
- 继电器替代方案
- 自动测试设备(ATE):RF、数字和混合信号
- 负载和探针板:RF、数字和混合信号
- RF测试仪表
- 可重复配置型滤波器和衰减器
- 高性能RF开关
参考资料
数据手册 1
用户手册 1
应用笔记 2
技术文章 1
产品亮点 6
视频 5
产品亮点 6
产品选型指南 1
思想领导力 2
ADI 始终高度重视提供符合最高质量和可靠性水平的产品。我们通过将质量和可靠性检查纳入产品和工艺设计的各个范围以及制造过程来实现这一目标。出货产品的“零缺陷”始终是我们的目标。查看我们的质量和可靠性计划和认证以了解更多信息。
产品型号 | 引脚/封装图-中文版 | 文档 | CAD 符号,脚注和 3D模型 |
---|---|---|---|
ADGM1004JCPZ-R2 | 24-Lead LFCSP (5mm x 4mm w/ EP) | ||
ADGM1004JCPZ-RL7 | 24-Lead LFCSP (5mm x 4mm w/ EP) |
产品型号 | 产品生命周期 | PCN |
---|---|---|
8月 7, 2019 - 19_0094 ADGM1004 Die Revision and Datasheet Change |
||
ADGM1004JCPZ-R2 | 量产 | |
ADGM1004JCPZ-RL7 | 量产 |
这是最新版本的数据手册
软件资源
找不到您所需的软件或驱动?
申请驱动/软件工具及仿真模型
S-参数 1
评估套件
最新评论
需要发起讨论吗? 没有关于 ADGM1004的相关讨论?是否需要发起讨论?
在EngineerZone®上发起讨论