概要
設計リソース
評価用ボード
型番に"Z"が付いているものは、RoHS対応製品です。 本回路の評価には以下の評価用ボードが必要です。
- EVAL-CN0364-SDPZ ($129.47) PLC/DCS Quad Channel Voltage and Current Input with HART Compatibility
- EVAL-SDP-CB1Z ($116.52) Eval Control Board
デバイス・ドライバ
コンポーネントのデジタル・インターフェースとを介して通信するために使用されるCコードやFPGAコードなどのソフトウェアです。
AD717x / AD411x IIO Sigma-Delta ADC Linux Driver
AD7173 GitHub Linux Driver Source Code
機能と利点
- クワッド・チャンネル電圧および電流入力
- 完全絶縁型
- HART準拠
マーケット & テクノロジー
使用されている製品
参考資料
-
CN0364 Evaluation Board and Software User Guide2018/10/16WIKI
-
CN0364: HART 準拠の PLC/DCS 用クワッド・チャンネル電圧および電流入力 (Rev. 0)2015/10/09PDF266 K
-
HART に有効な4 MA ~ 20 MA 入力での最適な回路設計2015/10/01
回路機能とその特長
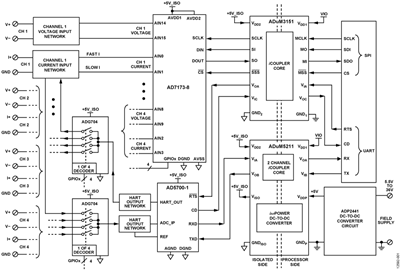
図1に示す回路は、複数の電圧入力とHART準拠の4mA~20mA電流入力を必要とする、プログラマブル・ロジック・コントローラ(PLC)や分散制御システム(DCS)のアプリケーションに適した、フル機能、完全絶縁型、高柔軟性のクワッド・チャンネル・アナログ入力システムを実現します。
アナログ入力回路は、グループ絶縁された工業用アナログ入力用に設計されており、±5V、±10V、0V~+5V、0V~+10V、+4mA~+20mA、および0mA~+20mAの電圧と電流の入力範囲に対応することができます。
この回路は24V標準バス電源から給電され、絶縁された5Vシステム電源電圧を発生します。
回路説明
データ変換は24ビットΣ-Δ A/Dコンバータ(ADC)AD7173-8によって行われます。AD7173-8は、8つの完全差動チャンネルまたは16のシングルエンド入力チャンネルをソフトウェアで設定可能なデバイスで、内部クロスポイント・マルチプレクサにより高い柔軟性を提供します。AD7173-8は小型6mm × 6mm LFCSPパッケージを採用しているため、スペースを重要視する場合に最適です。クロックと2.5Vの高精度電圧リファレンスを内蔵していることによって外付け部品が最小限に抑えられ、その結果、さらなる省スペースが図られます。4本の設定可能な汎用出力ピン(GPIO0、GPIO1、GPO2、GPO3)で外部マルチプレクサを制御できるため、多重化されたHARTインターフェースの制御を可能とし、プロセッサやコントローラからの制御ラインを追加する必要がありません。AD7173-8は、入力経路全体のオフセットとゲインの補正を行うための設定可能なキャリブレーション・レジスタを内蔵しています。
AD5700-1は消費電力とフットプリントが業界最小のHART準拠モデムで、電流入力チャンネルと併用してHART準拠の4mA~20mAレシーバ・ソリューションを構成します。AD5700-1は高精度の内部発振器を備えており、特に絶縁型アプリケーションでさらなる省スペースを実現します。
マルチプレクサADG704は複数の電流入力チャンネルへのHART接続を行います。
ADuM5211は2つのデータ・チャンネル(Tx、Rx)の絶縁と、搭載したisoPower®技術による5V電源の絶縁も行います。ADuM3151 SPIsolatorは、最大17MHzのクロック・レートでのシリアル・ペリフェラル・インターフェース(SPI)の絶縁(Bグレード)を行うとともに、さらに3本のデータ・チャンネルを絶縁します。
36V降圧DC/DCレギュレータADP2441は、工業用の24V標準電源に対応でき、広い入力電圧範囲で動作します。ADP2441は入力電圧を5Vに降圧し、コントローラ側の全ての回路に電力を供給します。この回路は24V電源端子の標準的な外部保護も行います。

電圧入力回路
チャンネル1の電圧入力ネットワークを図2に示します。

この回路は差動入力を備え、同相電圧が最大±5Vで最大±10Vの入力範囲に対応します。入力インピーダンスは約900kΩで、高抵抗値のR1とR2は高電圧のトランジェントが生じたときに入力の保護も行います。
抵抗R1、R2、R3、およびR4は差動抵抗分圧器を形成します。これらの抵抗のマッチングが回路のDC精度にとって非常に重要になります。初期誤差を除去するため、シングルポイント・キャリブレーションを行うことを推奨します。マルチポイント・キャリブレーションを使って温度ドリフトの影響をキャンセルすることができます。ボードはデフォルトとして、R1、R2、R3、およびR4に許容誤差0.1%、温度ドリフト25ppm/℃の抵抗を実装しています。
抵抗R5とR6によってADCの同相電圧を設定します。AD7173-8の許容入力電圧範囲は0V~3.9Vです。+2.2Vのバイアス電圧と入力分圧器の抵抗により、±10Vの入力信号をレベル・シフトして減衰し、ADC入力で+2Vの同相電圧を中心とした±1.1Vの信号にします。
入力同相ノイズの除去はR1||R3/C1およびR2||R4/C2によって行われ、周波数は約200kHzです。差動ノイズの除去はR1||R3、R2||R4、およびC3によって行われ、周波数は約20kHzです。
4つの電圧入力チャンネルのパラメータを表1に示します。
| Parameter | Value | Unit | Test Conditions/Comments |
| Input Impedance Divider Ratio |
903 0.11 |
kΩ | Resistor divider of 402 kΩ and 49.9 kΩ |
| Initial Error from Resistors | 0.18 | %FSR max | 25°C, uncalibrated; assumed 0.1% resistors |
| Error from Input Leakage | ±0.01 | %FSR | ±10 V range; AD7173-8,±2 nA typical leakage |
| Error from Resistor Drift | 18 9 |
ppm/°C max ppm/°C max |
Assumed 10 ppm/°C resistors Assumed 5 ppm/°C resistors |
| Error from Reference Drift | 10 | ppm/°C max | Internal reference |
| Common Mode | ±5 | V | |
| Data Rate | 31.25 1.55 6.25 |
kSPS kSPS SPS |
1 input enabled (14.7 bit noise-free code resolution for ±10 V) 4 channels, each fully settled, sinc5+1 filter (14.7 bit noise-free code resolution for ±10 V) 4 channels, each fully settled, 50 HZ/60 Hz reject (18.8 bit noise-free code resolution for ±10 V) |
| Input Filter | 20 200 |
kHz kHz |
Differential Common Mode |
電流入力回路
チャンネル1の電流入力ネットワークを図3に示します。

この回路は4つの電流入力チャンネルを備え、0mA~24mAの最大入力範囲に対応します。回路の入力インピーダンスは250Ωで、入力はグラウンドを基準にしています。100Ωの高精度電流検出抵抗を使って、24mAの入力で2.4Vを生成します。この電圧はAD7173-8(2.5Vの内部リファレンスを使用)の2.5Vフルスケール範囲内です。ボードはデフォルトとして、許容誤差0.1%、温度ドリフト10ppm/℃のRSENSE抵抗を実装しています。
ADC入力を分離するための2つの入力経路があります。高速入力経路はHARTを使用しないチャンネル用で、低速入力経路はHARTを使用するチャンネル用です。
高速入力経路ではΣ-Δ ADCの全入力帯域幅までの信号を入力できます。内部sincフィルタを使って、1.2kHz~2.2kHzのHART周波数を除去することもできます。ただし、sincフィルタを使用するには関連するチャンネルを400SPSのデータレート(sinc3フィルタ)で動作させる必要があり、これにより4つ全てのチャンネルを変換するのに必要な時間が増加します。
低速入力は16Hzの2極フィルタを備えており、これにより1.2kHz~2.2kHzのHARTデジタル信号周波数を除去します。この入力を使用すると、Σ-Δ ADCは高速データレートでの動作を維持することができ、HARTデジタル信号周波数の除去も行います。4つ全てのチャンネルを変換するのに必要な時間が減少することはありません。HARTがイネーブルされていないチャンネルもある場合、ADCを高速データレートで動作させることは特に有用です。
電流入力回路のパラメータを表2に示します。
| Parameter | Value | Unit | Test Conditions/Comments |
| Input Impedance | 250 | Ω | Grounded |
| Error from Resistor | N/A1 | %FSR max | Per RSENSE resistor specifications |
| Error from Resistor Drift | N/A1 | ppm/°C max | Per RSENSE resistor specifications |
| Error from Reference Drift | 10 | ppm/°C max | Internal reference |
| Data Rate | 31.25 1.55 6.25 |
kSPS kSPS SPS |
1 input enabled (14.8 bit noise-free code resolution for 0 mA to 20 mA) 4 channels, each fully settled, sinc5+1 filter (14.8 bit p-p resolution for 0 mA to 20 mA) 4 channels, each fully settled, 50 Hz/60 Hz reject (18.1 bit p-p resolution for 0 mA to 20 mA) |
| Input Filter | 27 16 |
kHz Hz |
Fast input Slow input providing HART filtering |
| 1 N/Aは適用なしを表します。 | |||
HART入出力回路
HART入出力回路を図4に示します。

HART機能は4つの電流入力チャンネル間で多重化されています。HART入出力ネットワークは、2個のマルチプレクサADG704(図4のSW1とSW2)を使って4チャンネル間で共有されます。
HART入力回路は、R3、C1、C2、R4、およびR5で形成されるHARTバンドパス・フィルタからなります。このフィルタはAD5700-1のデータシートに記載されています。各チャンネルでは、スイッチ(SW1)を使ってHART入力回路をアクティブなHARTチャンネルに切り替えます。各チャンネルには150kΩ抵抗(R3)があり、この抵抗はHARTバンドパス・フィルタの一部であるだけでなく、スイッチ(SW1)のさらなる保護を行います。HART入力を電流入力端子に直接接続することにより、AD5700-1のADC_IPピンに正しい電圧レベルが入力されるようにします。
各チャンネルでは、スイッチ(SW2)を使ってHART出力回路をアクティブなHARTチャンネルに切り替えます。コンデンサC3でHART信号を結合します。R1、C3、R6、およびR7の組合わせは慎重に選択し、25 Hzの4mA~20mA入力信号(HART対応デバイスの最大許容スルーレートを示す)の間、AD5700-1のHART_OUTピンの電圧がGNDを下回らないようにしました。

電源回路
図5に示すように、評価用ボードは5.5V~36VのDC電源から給電され、内蔵のスイッチング・レギュレータを使ってシステムに5V電源を供給します。テスト・セットアップでは、この5VはEVAL-SDP-CB1Zシステム・デモンストレ-ション・プラットフォーム(SDP)ボードにも供給されます。EVAL-SDP-CB1Z SDPボードはVIO電圧用の安定化された3.3Vを供給します。
ADP2441のスイッチング周波数が高いので、小さなインダクタを使った場合でも出力電圧リップルを最小限に抑えることができます。インダクタのサイズを選択するには、効率と過渡応答の間のトレードオフを検討する必要があります。インダクタを小さくするとインダクタ電流リップルが大きくなり、優れた過渡応答が得られますが効率が低下します。ADP2441のスイッチング周波数が高いため、コア損失が小さく電磁干渉(EMI)が少ないという理由から、シールド型フェライト・コア・インダクタを使用することを推奨します。
図5の回路では、88.7kΩの外付け抵抗によるスイッチング周波数は約1MHzです。値が12μHのインダクタ(CoilcraftのLPS6235-123MLC)は、ADP2441のデータシートの表8から選択したものです。
回路はネジ端子を使って5.5V~36Vのフィールド電源に接続します。EARTH端子は外部アースに接続するか、または外部アース接続を行わない場合にはGND端子に接続することができます。
パワー・インダクタ(DR73-102-R)、バリスタ(V56ZA3P、56V)、パワー・ダイオード(S2A-TP、50V)、および1.1Aのヒューズにより、高電圧トランジェントに対する入力保護を強化します。
ノイズ・テスト
各チャンネルの入力端子を短絡してシステム・ノイズを評価すると、電圧入力チャンネルではゼロ差動電圧に、電流入力チャンネルでは接地入力になります。入力を短絡してデータを収集し、サンプルの設定数からコードの広がりとノイズフリー・コード分解能を計算します。
このノイズ・テストはCN-0364評価用ソフトウェアを使って行うことができます。各チャンネルのコードの広がりとノイズフリー・コード分解能が得られ、そのデータがヒストグラムに表示されます。チャンネル1の電圧入力から収集したサンプル・データによるヒストグラムを図6に示します。
HARTテスト
HART機能はHART物理層テスト仕様(HCF-TEST-2)に従ってテストしました。この回路はHART物理層の要件を満たしています。HART仕様の詳細はHART通信協会から直接入手することができます。
1.2kHzと2.2kHzのHART信号に対するADC入力での除去を測定しました。その結果を表3に示します。
| Operating Mode | Frequency (kHz) | Rejection(dB) |
| Slow Input Path, 31 kSPS Sinc5+1 Filter | 1.2 2.2 |
60.5 66.5 |
| Fast Input Path, 400 SPS Sinc3 Filter | 1.2 2.2 |
≥74.4 66.6 |
回路図、部品表、レイアウトを完備したEVAL-CN0364-SDPZボードの設計サポート・パッケージはwww.analog.com/CN0364-DesignSupportからダウンロードすることができます。
バリエーション回路
高いチャンネル・データレートが必要な場合には、AD7175-2 ADCを使用することができます。AD7175-2は、最大50kSPSのチャンネル・スイッチング・レートで最大250kSPSのデータレートに対応し、250kSPSのデータレートで17.2ビットのノイズフリー分解能を実現できます。データレートが高いこと以外は、AD7175-2の機能はAD7173-8の機能と同様です。
150mWより大きな絶縁電源を必要とするアプリケーションでは、ADuM540xやADuM347xを使用することができます。ADuM540xはisoPower技術を使って最大500mWの絶縁電源を供給します。ADuM347xは外付けのディスクリート・トランスを駆動し、最大70%の効率で最大2Wを供給します。
回路の評価とテスト
図1に示す回路は、EVAL-CN0364-SDPZ評価ボードとEVAL-SDP-CB1Z SDPコントローラ・ボードを使用します。
EVAL-CN0364-SDPZ評価ボードは、外部のコントローラ・ボードを組み込むためのPMOD互換ヘッダを備えています。
CN-0364評価用ソフトウェアはSDPボードと情報をやり取りし、EVAL-CN0364-SDPZ評価ボードからのデータの設定と取得を行います。
必要な装置
以下の装置が必要です。
- USBポート付きPCおよびWindows® Vista(32ビット)またはWindows 7(32ビット)
- EVAL-CN0364-SDPZ回路評価ボード
- EVAL-SDP-CB1Z SDPコントローラ・ボード
- CN-0364評価用ソフトウェア
- 高精度な電圧源と電流源
- 電源:5.5V~36VDC(500mA)
評価開始にあたって
ftp://ftp.analog.com/pub/cftl/CN0364/からダウンロードして入手可能なCN-0364評価用ソフトウェアをインストールします。画面上の指示に従い、ソフトウェアをインストールして実行します。詳細についてはCN-0364ソフトウェア・ユーザー・ガイドを参照してください。
機能ブロック図
テスト・セットアップの機能ブロック図を図7に示します。

セットアップ
EVAL-CN0364-SDPZ評価ボードをEVAL-SDP-CB1Z SDPボードに、両方のボード上の120ピン接続用コネクタを介して接続します。CN-0364評価用ソフトウェアとSDPボードにより、PCを使ってデータを解析することができます。
CN-0267回路(HARTインターフェースを備えたフル機能の4 mA~20mAループ電源フィールド計測器)を接続して、HART物理層機能を容易にテストすることができます。CN-0267のハードウェアはCN-0364評価用ソフトウェアで利用可能なHARTコマンドに対応します。
外部コントローラを使用し、SPI通信やUART通信用のPMODヘッダを使って評価用ボードに対して情報のやり取りや給電をすることもできます。
高精度の電圧源や電流源をアナログ・フロントエンドへの入力として使ってシステム性能を評価することができます。
EVAL-CN0364-SDPZ評価ボードの写真を図8に示します。

