ビルの環境モニタリング・ソリューション
ビル内で水質や空気中のガスの有無などの環境条件を監視するには、対象要素を特定するための特殊なセンサーを多数使用する必要があります。センサーには様々な種類がありますが、どのセンサーでも、アナログ信号をデジタル信号に変換する必要があります。多くの場合、電気化学式センサーなどのソリューションには、耐用期間の間に生じるセンサー・ドリフト、キャリブレーション要件、複雑なシグナル・チェーンなどの課題があります。シグナル・チェーンでは、インテリジェント・ビルのインフラ内で使用するために測定値をデジタル化する必要があります。
アナログ・デバイセズの環境モニタリング・ソリューションは、エッジでデータを検知および解釈し、優れた結果を得るのに役立つインテリジェントな知見を提供するという当社の従来の手法に基づいて構築されています。
価値と利点
- 測定精度の向上:専用設計のAFEが環境センシングのための信頼性の高いデータ変換を確保します。
- あらゆるセンサーをサポート:センサーに依存しない設計により、プラットフォームを横断した柔軟な統合を可能にします。
- センサーの稼働時間の延長:低消費電力アーキテクチャによりエネルギー消費を削減し、長時間の稼働を可能にします。
注目製品
AD5421
D/Aコンバータ、16ビット、シリアル入力、4mA~20mA出力、ループ給電
AD5700
低消費電力HARTモデム
AD5940
高精度なインピーダンスおよび電気化学フロント・エンド
AD7124-8
A/Dコンバータ、24ビット、8チャンネル、低ノイズ、低消費電力、Σ-Δ型、PGA / リファレンス内蔵
AD7768-1
DC 〜 204 kHz、ダイナミック・シグナル分析、電力スケーリングによる高精度 24 ビット ADC
ADM8323
監視回路、ウインドウ形式ウォッチドッグ付き、マニュアル・リセットとアクティブ・ローのプッシュプル・リセット出力
ADM8613
電圧監視回路、超低消費電力、ウォッチドッグ・タイマ/マニュアル・リセット付き
ADP160
リニア・レギュレータ、150mA、CMOS、超低静止時電流
ADP2360
降圧レギュレータ、50 mA、60 V、高効率
ADT7320
±0.25℃精度の16ビット・デジタルSPI温度センサー
ADUCM355
化学センサーインターフェース付き高精度アナログ・マイクロコントローラ
ADuCM4050
パワー・マネージメントを統合した超低消費電力 ARM Cortex-M4F MCU
LTC3103
静止電流1.8μAの15V、300mA同期整流式降圧DC/DCコンバータ
LTC3631
高効率、高電圧100mA 同期整流式降圧コンバータ
< 以前の
次 >
以下の図の各ブロックをクリックして利用可能な部品をご覧ください。
シグナル・チェーン
詳細は、それぞれのパーツをクリックして下さい。
リファレンス・デザイン
CN0338
NDIR Thermopile-Based Gas Sensing Circuit
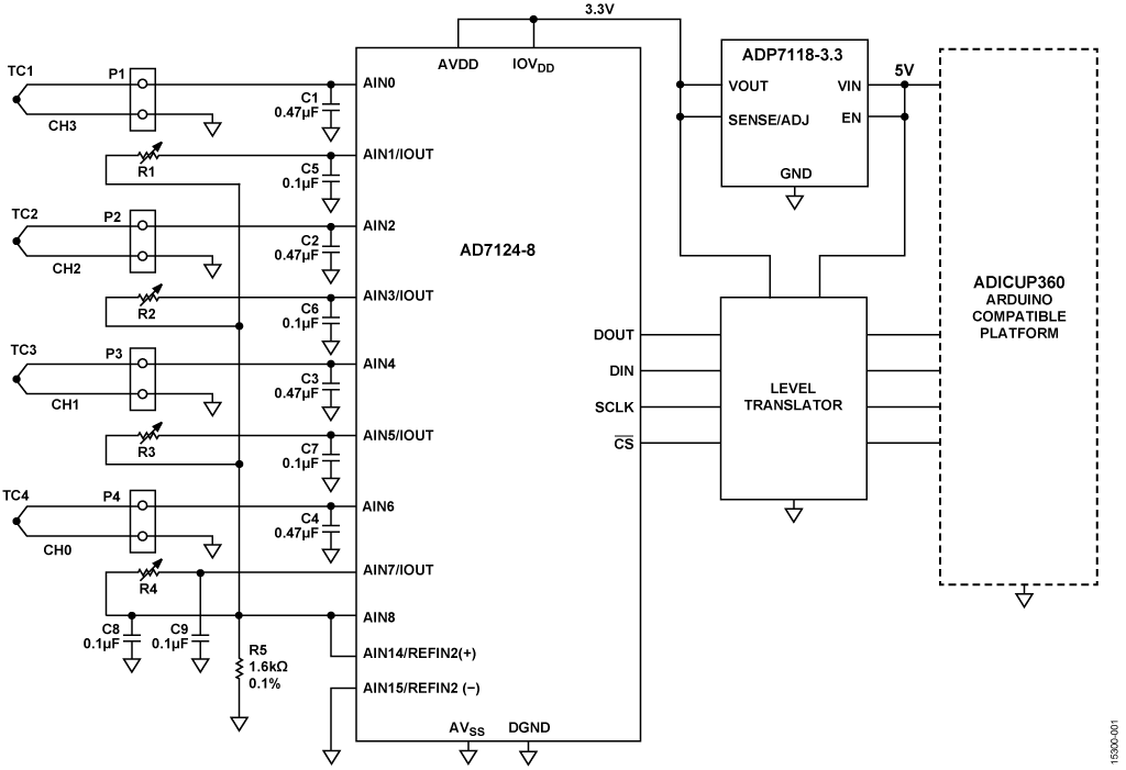
CN0391
フレキシブル、低消費電力、4 チャンネル熱電対システムと
Arduino 互換のデジタル・インターフェース
※Rev.0を翻訳したものです。最新版は英語資料をご覧ください。
Arduino 互換のデジタル・インターフェース
※Rev.0を翻訳したものです。最新版は英語資料をご覧ください。
CN0395
室内空気質計測のための揮発性有機化合物検出器
※Rev.0を翻訳したものです。最新版は英語資料をご覧ください。
※Rev.0を翻訳したものです。最新版は英語資料をご覧ください。
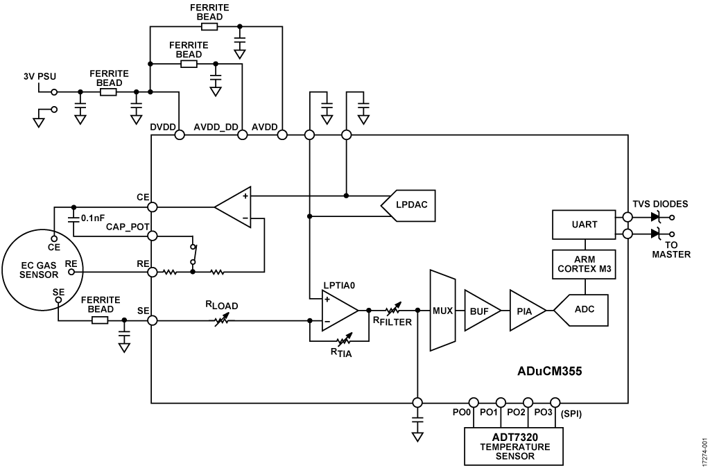
CN0396
温度補償機能付き電気化学式デュアル・ガス・センサー
※Rev.0を翻訳したものです。最新版は英語資料をご覧ください。
※Rev.0を翻訳したものです。最新版は英語資料をご覧ください。
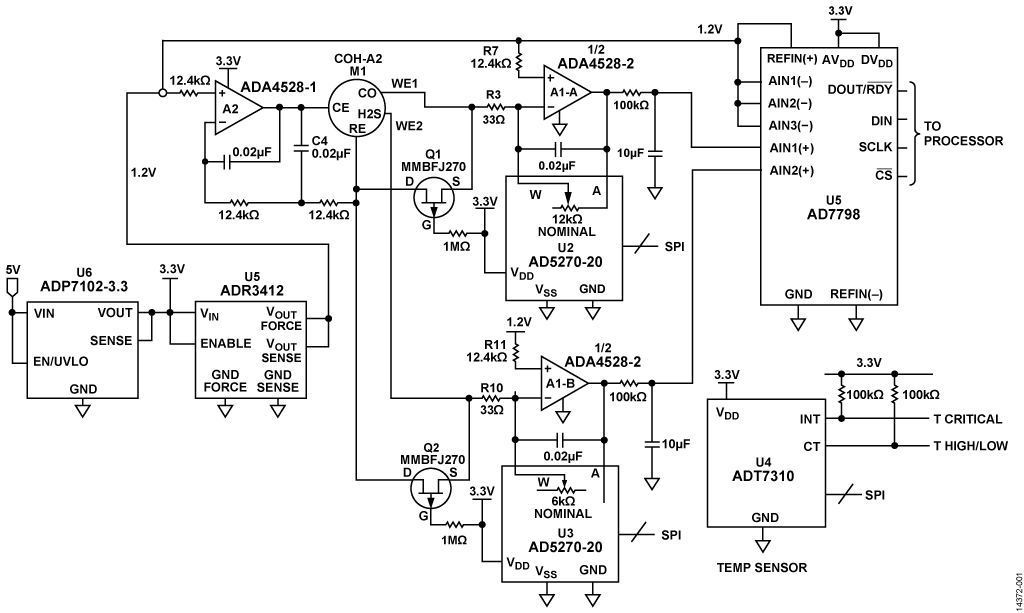
CN0425
Radiated Immunity Compliant Toxic Gas Detection Circuit
評価用ボード
DC1499A
LTC3631EDD Demo Board | 60V Transients, 4.5V ≤ VIN ≤ 45V, VOUT = 1.8V/3.3V/5V @ 100mA
EVAL-AD5700
AD5700/AD5700-1 Evaluation Board
EVAL-AD7768-1
AD7768-1 評価用ボード
EVAL-ADP160
ADP160 Evaluation Board
EVAL-ADuCM355
ADuCM355評価用ボード
EV-COG-AD4050
MCU および RF トランシーバー製品ライン全体のアナログ・デバイセズの超低消費電力技術に対応する Cog 開発プラットフォームの ADuCM4050 バリエーション
EV-TempSense-ARDZ
±0.1°C、±0.25°C & ±0.5°C精度の温度センサー評価用プラットフォーム
{{modalTitle}}
{{modalDescription}}
{{dropdownTitle}}
- {{defaultSelectedText}} {{#each projectNames}}
- {{name}} {{/each}} {{#if newProjectText}}
-
{{newProjectText}}
{{/if}}
{{newProjectTitle}}
{{projectNameErrorText}}