製品概要
製品概要
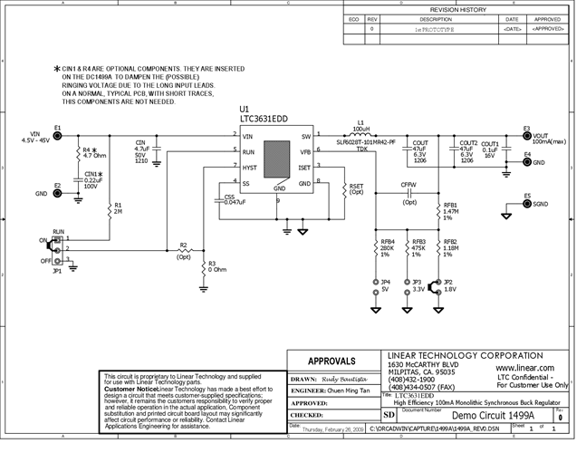
Demonstration circuit DC1499A is a high efficiency step-down DC/DC converter featuring LTC3631 with internal high side and synchronous power switches that draws only 12μA quiescent current. It has a wide 4.5V to 45V input range and internal over voltage monitor capable of protecting the part through 60V surges. The jumper selectable output is up to 5V. LTC3631 can supply up to 100mA load current with a programmable peak current limit that provides a simple method for optimizing efficiency in lower current applications. With no compensation required, LTC3631 is easily configured with minimal components.
関連資料
-
DC1499A - Schematic2009/09/24PDF82K
-
DC1499A - Demo Manual2009/09/24PDF439K
-
DC1499A - Design File2009/09/24ZIP2M
