概要
設計リソース
設計/統合ファイル
• Schematic• Bill of Materials
• Gerber Files
• Layout Files (Allegro)
• Assembly Drawing 設計ファイルのダウンロード 675.45 K
評価用ボード
型番に"Z"が付いているものは、RoHS対応製品です。 本回路の評価には以下の評価用ボードが必要です。
- EVAL-ADICUP360 ($60.92) EVAL-ADICUP360
- EVAL-CN0391-ARDZ ($81.21) EVAL-CN0391-ARDZ
デバイス・ドライバ
コンポーネントのデジタル・インターフェースとを介して通信するために使用されるCコードやFPGAコードなどのソフトウェアです。
機能と利点
- 柔軟な4 チャンネルの熱電対測定システム
- 冷接点補償の機能
- 24 ビット デジタル処理
- 低消費電力
- Arduino互換プラットフォーム・ボード
製品カテゴリ
マーケット & テクノロジー
使用されている製品
参考資料
-
EVAL-CN0391-ARDZ Shield2018/10/16WIKI
-
CN0391: フレキシブル、低消費電力、4 チャンネル熱電対システムと Arduino 互換のデジタル・インターフェース2016/11/02PDF241 K
回路機能とその特長
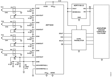
図 1 に示す回路は、AD7124-8 低消費電力、低ノイズ、高精度 24 ビット、Σ-Δ A/D コンバータ(ADC)に基づく、柔軟で統合された 4 チャンネルの熱電対測定システムです。

この回路は、最大で 4 つの独立した熱電対チャンネルを処理でき、ソフトウェアの直線化アルゴリズムは、8 タイプの熱電対(B、E、J、K、N、R、S、T)に対応します。4 つの熱電対を自由に組み合わせて接続できます。各熱電対チャンネルの測温抵抗体(RTD)は、冷接点補償の機能を備えています。別の補償は不要です。このシステムを使用する熱電対計測は、多様なタイプの熱電対の全動作範囲に対応できます。
プロトタイプを迅速に作成するため、この回路には Arduino 互換プラットフォーム・ボードへの標準シリアル・ペリフェラル・インターフェース(SPI)接続機能があります。EVAL-CN0391-ARDZ は、USB - UART インターフェースとオープンソース・ファームウェアを搭載しているので、多様な熱電対アプリケーションに簡単に適用できます。
回路説明
温度計測について
熱電対は、低コスト、耐久性、再現性だけでなく、幅広い動作温度範囲と迅速な反応という利点を備えているため、工業用アプリケーションにおける温度計測で頻繁に使用されるセンサーの 1 つです。熱電対は、高温で計測する場合に非常に便利です(タイプ C 熱電対では最大 2300 °C)。
図 2 に示すように、熱電対は異なるタイプの金属ワイヤ 2 本を接合して構成されます。

温度を計測する位置となる TTC は、計測接点と呼ばれます。熱電対の反対側の終端は、高精度の電圧計測システムに接続されます。この接続はリファレンス接合または冷接点(CJ)と呼ばれます。計測接点 TTC と冷接点 TCJ 間の温度差から、熱電電圧 VTC − VCJ が生成されます。この値は 2 つの接点の間の温度差に比例します。通常生成される電圧は、数ミリボルトから数十ミリボルトで、温度差と熱電対のタイプに依存します。
冷接点補償
熱電対によって生成される電圧を温度に変換する必要があります。熱電対の電圧は小さく、温度と電圧の関係は非直線性で、冷接合温度を正確に測定する必要があります。このため、測定した電圧を正確な温度に変換するのは困難な場合があります。
熱電対の出力電圧は、熱電対と冷接点の間の温度差を表します。図 2 に、温度に敏感な他のデバイス(一般にサーミスタ、ダイオード、RTD、半導体温度センサー)で測定された冷接点温度を示します。この回路で使用される温度測定デバイスは Pt1000 RTD です。正確に計測するため、4 チャネルごとに 1 つの RTD を搭載しています。
図 2 では、熱電対の合計電圧 VTC – VCJ を高精度 ADC で計測し、次の式を使用してデジタル形式に変換します。

ここで
VTC − VCJ は計測された熱電対の電圧。
CODE は ADC コード。
N は ADC の分解能、N = 24。
VREF は計測に使用されるリファレンス。この回路では、熱電対の計測に 2.5 V の内部リファレンスが使用されます。
G は TC モードで選択されるゲイン、G = 32。
ADC は、バイポーラ差動モードで動作します。
定電流源 IOUT(AD7124-8 ADC から取得)は、直列接続した RTD と 1.6 kΩ の高精度リファレンス抵抗 R5 を駆動します。CN-0391 回路の IOUT は 750 µA に設定されています。この結果、1.6 kΩ × 750 µA = 1.2 V の公称電圧 VREF が生成され、RTD 両端間で 1 kΩ × 750 µA = 0.75 V の電圧降下が発生します。R5 両端間の電圧は、ACD へのリファレンスとして使用されます。バイポーラ差動入力モードにおいて、RTD 抵抗 RRTD は、次の式を使用して計算されます。

ここで
CODE は ADC コード。
N は ADC の分解能、N = 24。
R5 はリファレンス抵抗、R5 = 1.6 kΩ。
G は RTD モードで選択されるゲイン、G = 1。
CN-0391 回路では、熱電対電圧と RTD 電圧はどちらも AD7124-8 マルチチャンネル 24 ビット ADC によって変換されます。計測はレシオメトリックで、リファレンス電圧や IOUT 励起電流の精度に依存しません。
次に、RTD 抵抗 RRTD は、ルックアップ・テーブルまたは多項式を使用して、冷接点 TCJ に変換されます。カレンダーバンドゥーセンの方程式として知られる RTD の伝達関数は、2 つの異なる多項式で構成され、正確な結果を提供します。CN-0391 ソフトウェアではこの方程式が使用されます。これらの RTD 式の詳細な説明については、回路ノート CN-0381 を参照してください。
次に、冷接点 TCJ は ITS-90 熱電対データベースに記載された公式を使用して、対応する熱電対の電圧 VCJ に変換されます。CN-0391 ソフトウェアでは、ルックアップ・テーブルではなく ITS-90 多項式を使用してこの変換を実行します。
その後、ソフトウェアは熱電対の電圧(VTC − VCJ)を冷接点 VCJ に加算して熱電対 EMF VTC を算出します。
次に、ITS-90 の反転公式を使用して熱電対 EMF VTC を等価の熱電対温度 TTC に変換します。
熱電対の理論、線形化テーブル、公式、冷接点については、NIST ITS-90 熱電対データベース、NIST 標準リファレンス・データベース 60、バージョン 2.0(NIST Web サイトで入手可能)を参照してください。熱電対と温度計測の一般的な理論については、Sensor Signal Conditioning の第 7 章を参照してください。
A/D 変換
CN-0391 回路は、AD7124-8 マルチチャンネル、24 ビット Σ-Δ ADC を使用します。AD7124-8 には、入力マルチプレクサと 1 ~ 128 のゲイン・オプションを備えたプログラマブル・ゲイン・アンプ(PGA)が搭載されています。AD7124-8 では、8 つの差動入力または15 の擬似差動入力を設定できます。
3 つの内蔵消費電力モードから選択できることが、AD7124-8 の主な利点の 1 つです。消費電流、出力データ・レートの範囲、および RMS ノイズは、選択した消費電力モードでカスタマイズできます。また、このデバイスは、複数のフィルタ・オプションを備えているので、優れた柔軟性を発揮します。
内部 PGA を使用すると、熱電対の小さな電圧を内部 Σ-Δ ADC にとって最適なレベルに増幅できます。適切なゲイン設定は、熱電対信号の振幅とリファレンス電圧の値によって決定されます。
CN-0391 ソフトウェアは、次の 8 タイプの熱電対をサポートします。B、E、J、K、N、R、S、T。
図 3 に示すように、熱電対ごとに範囲と感度は異なります。例えば、鉄とコンスタンタンを接合したタイプ J 熱電対は、−210 °C ~ +1200 °C の計測範囲と 50 µV/°C(0 °C)の感度を備えています。この感度はゼーベック係数とも呼ばれ、熱電対温度の関数になっています。8 タイプの熱電対の計測範囲とゼーベック係数を 表 1 に示します。

| Type | ITS-90 Equation Range (°C) | Seebeck Coefficient at 0°C (μV/°C) | Seebeck Coefficient at 400°C (μV/°C) |
| E | −200 to +1000 | 59 | 80 |
| J | −210 to +1200 | 50 | 55 |
| K |
−200 to +1372 | 39 | 42 |
| N | −200 to +1300 | 26 | 37 |
| T | −50 to +400 | 39 | 62 |
| R | −50 to +1768 | 5 | 10 |
| S | −50 to +1768 | 5 | 10 |
| B | 250 to 1820 | 3 (at 250°C) | 4 |
AD7124-8 の内蔵 PGA を使用すれば、熱電対の低い電圧レベルを検出し、正確なデジタル値に変換できます。
冷接点温度の範囲は 0 °C ~ 50 °C で、最大および最小の出力電圧範囲は、各タイプの電圧振幅を検証し、熱電対の電圧から減算される冷接点電圧を含めることで決定されます。表 2 に示すように、タイプ E 熱電対では最も広い範囲が必要になります。
| Output | Hot Junction | Cold Junction | Voltage |
| Maximum | 1000°C | 0°C | 76.4mV |
| Minimum | −270°C | 50°C | −12.88mV |
2.5 V の内部リファレンスを使用する AD7124-8 ADC バイポーラの入力範囲は −50 mV ~ VREF/G です。VREF = 2.5 V で PGA ゲインを G = 32 に設定した場合、バイポーラの ADC 入力範囲は −50 mV ~ 78.125 mV になります。この範囲は、8 タイプすべての出力電圧範囲に対応します。そのため、外付けのシグナル・コンディショニング回路は不要になり、すべての熱電対タイプで PGA を 32 の固定ゲインで操作できます。24 ビットの分解能を備えているので、信号範囲が小さい熱電対(タイプ B など)でもゲインを調整せずに温度を計測できます。熱電対は、シングルエンド・モードで ADC に接続されます。ここで、負の入力は、センサーからのノイズを削減するため、GND に接続されます。
EVAL-CN0391-ARDZ ボードには、熱電対のオス・コネクタに接続する 4 つの小型タイプ U 熱電対メス・コネクタ(Omega PCC-SMP-U-100)があります。冷接点は、コネクタの接点で形成され、CJC RTD は、コネクタの近くに配置されます。
CN-0391 回路ではシンプルな 2 線式 RTD 接続を使用していますが、AD7124-8 では、2 線式、3 線式、4 線式 RTD で整合されたプログラマブル励起電流を使用できます。3 線式および 4 線式アプリケーションの詳細については、それぞれ 回路ノート CN-0381 と回路ノート CN-0383 を参照してください。
システム・ノイズの計測と結果
熱電対の低い電圧を正確に測定できるように、システム・ノイズを抑えることが重要です。図 4 に、1 つのチャンネルに短絡された熱電対のコネクタで収集された、256 サンプルのヒストグラムを示します。AD7124-8 sinc3 フィルタがオンの場合、データ・レートは 50 Hz でした。

ヒストグラムによると、入力を基準にしたピークtoピーク・ノイズは 978 nV です。78 mV のフルスケール入力では、ノイズ・フリー・コードの分解能を計算できます。

システム熱電対の計測と結果
熱電対システムの計測テストでは、広い温度範囲にわたる熱電対温度の正確な知識が必要です。オイル浴槽は正確ですが、温度範囲が制限され、安定するまで時間がかかります。Time Electronics 1090 温度キャリブレータなどの正確な熱電対シミュレータは、オイル浴槽の代用品として最適です。図 5 に、シミュレータのテスト概念を説明するブロック図を示します。

シミュレータを使用すると、熱電対のタイプと温度だけでなく、冷接点の温度を入力できます。次に、シミュレータは ITS-90 のテーブルと公式を使用して、熱電対の温度 TTC と冷接点の温度 TCJ を対応する電圧 VTC と VCJ に変換します。次に、VTC から VCJ を減算して、シミュレータの出力電圧 VTC – VCJ を算出します。
シミュレータの全体的な精度は、熱電対タイプと温度によって決定しますが、通常は 0.5 °C ~ 2 °C の間に収まります。
シミュレータは、システム冷接点補償回路の精度はテストしません。この回路の精度は、接続されている熱電対を使用して、個別にテストする必要があります。
図 6 に、E、J、K、N、T タイプの熱電対のシミュレートされた温度と計測された温度の誤差を示し、図 7 に、B、R、S タイプの熱電対の誤差を示します。ゼロ・スケールとフルスケールの内部補正を AD7124-8 ADC で実行してから温度を計測しました。


図 6 および 図 7 に示す誤差は、次の信号源の組み合わせです。
- シミュレータ誤差(0.15 °C ~ 3 °C。タイプと範囲によって異なる)
- ADC リファレンス電圧の精度(0.2 %)
- 内部 ADC 補正(10 µV 未満)の後に残るシステム・オフセットとゲイン誤差
- ADC の非直線性(15 ppm FSR、FSR = 78 mV では 1.2 µV)
- ITS-90 公式に含まれる誤差(タイプと範囲によって 0.001 °C ~ 0.06 °C の範囲で変動)
リファレンス誤差(AD7124-8 の内部リファレンスでは 0.2 %)によって、システム・ゲイン誤差が発生し、高温では数 °C の誤差になります。
B、R、S タイプの熱電対は、ゼーベック係数が小さいので、オフセット誤差の影響を受けやすくなります。
AD7124-8 の非直線性と ITS-90 公式の誤差は、他の誤差と比較すると、どちらも無視できます。
図 6 と 図 7 に示す計測データは、8 つの標準タイプの熱電対の精度仕様の範囲内に収まります。
精度を高めるため、特に B、R、S タイプの熱電対¬では、高精度の外付け電圧源を使用してシステム・レベルのゼロ・スケール補正とフルスケール補正を実施する必要があります。
ADR4525 (初期精度 0.02 %)のように、精度の高い外付けリファレンスを使用して、ゲイン誤差を最低限に抑えることもできます。
タイプ J の熱電対をチャンネルに接続して熱電対を周囲温度に保ち、ThermoStream または Thermonics 温度コントローラで EVAL-CN0391-ARDZ ボードをサイクルさせることで、冷接点補償をテストしています。温度の変動に対して比較的感度の高い(25 °C で 52 µV/°C)ことが、タイプ J 熱電対を選択した理由です。
0 °C、25 °C、105 °C の冷接点温度で計測を実施しました。結果は 図 8 に示します。

回路図、レイアウト・ファイル、ガーバーファイル、部品表を含む EVAL-CN0391-ARDZ ハードウェアのすべての技術文書については、CN-0391 設計サポート・パッケージを参照してください。
システム設計のトレードオフ
EVAL-CN0391-ARDZ ボードは、4 つの独立した熱電対入力チャンネルのあらゆる組み合わせで柔軟性を最大限に発揮するように設計されています。また、回路設計で使用される追加の部品は最低限に抑えられています。
計測前にシステム・レベルでゼロ・スケール補正とフルスケール補正が実施されている場合、AD7124-8 ADC は高い精度を実現できます。
差動入力のアンチエイリアス・フィルタが各チャンネルに追加されている場合、AD7124-8 のノイズ性能も向上します。典型的なフィルタ配列を 図 9 に示します。ここで、R1 + R2 および C3 は、差動モード・フィルタ(帯域幅約 800 Hz)を形成し、R1/C1 および R2/C2 は、コモンモード・フィルタ(帯域幅約 16 kHz)を形成します。
AD7124-8 ADC で最適な性能を発揮するための設計については、回路ノート CN-0381、回路ノート CN-0383、回路ノート CN-0384を参照してください。

AD7124-8 のもう 1 つの利点は、3 つの消費電力モードから選択できることです。消費電流、出力データ・レートの範囲、および RMS ノイズは、選択した消費電力モードでカスタマイズできます。また、このデバイスは、複数のフィルタ・オプションを備えているので、優れた柔軟性を発揮します。
バリエーション回路
AD7124-8 には、15 個の疑似差動入力または 8 個の差動 ADC 入力があります。チャンネル数を減らしてコストを抑えるには、7 つの疑似差動入力と 4 つの差動入力を備えた AD7124-4 をご利用ください。
AD7124-8 の 2.5 V の内部リファレンスの初期精度は ±0.2 % です。精度を高くし、フルスケール・ゲイン誤差を削減するには、初期精度 ±0.02 % の ADR4525 2.5 V リファレンスを使用してください。
回路の評価とテスト
この回路は、 EVAL-CN0391-ARDZ Arduino シールド・ボードと EVAL-ADICUP360 Arduino 互換プラットフォーム・ボードを使用します。これらのボードは、EVAL-CN0391-ARDZ を上に、EVAL-ADICUP360 を下にして簡単に積み重ねることができます。EVAL-CN0391-ARDZ ボードの P1 ~ P4 に熱電対を差し込みます。
このシステムは、EVAL-ADICUP360 ボードの USB インターフェース経由で PC に接続します。両方のボードには、USB 5 V 電源から電力が供給されます。RTD センサーは、EVAL-CN0391-ARDZ ボードにすでに取り付けられています。
必要な装置
以下の装置が必要になります。
- USB 2.0 ポートおよび Windows® 7(64 ビット)以降の PC
- EVAL-CN0391-ARDZ Arduino シールド互換の回路評価用ボード
- EVAL-ADICUP360 開発ボードまたは Arduino 互換プラットフォーム・ボード
- B、E、J、K、N、R、S、T タイプの熱電対のいずれかの組み合わせ(合計 4)または Time Electronics 1090 温度キャリブレータあるいは同等の製品
- ADICUP360 ソフトウェア(IDE)、CN-0391 ユーザー・ガイドを参照してください。
- PuTTY や Tera Term などのシリアル端末ソフトウェア
- USB A - USB マイクロ・ケーブル
- EVAL-CN0391-ARDZ デモ・コード(CN-0391 ユーザー・ガイド)
評価の開始にあたって
EVAL-CN0391-ARDZ ボードとEVAL-ADICUP360 ボードの両方で、正しいジャンパ設定を選択してください。ジャンパ設定の詳細については、CN-0391 ユーザー・ガイドを参照してください。
EVAL-CN0391-ARDZ Arduino シールド・ボードと EVAL-ADICUP360 Arduino 互換プラットフォーム・ボードに差し込みます。EVAL-CN0391-ARDZ ボードに熱電対センサーを接続します。ユーザー USB ポートを PC に接続します。4 つのチャンネルは、それぞれ Omega タイプのコネクタを熱電対に使用します。これにより、別の熱電対タイプへのプラグの抜き差しが簡単になります。ボード(P1 ~ P4)のすべてのチャンネルはユニバーサルで互換性があるため、タイプ U コネクタを使用しました。
Tool Chain Setup User Guide に従い、プロジェクト・デモ・コードを ADuCM360 IDE にロードします。
CN-0391 ユーザー・ガイドに記載されているとおり、熱電対のタイプに合わせて P1、P2、P3、P4 でソフトウェアを構成する必要があります。
このプログラムを実行すると、出力データが計算され、温度ウィンドウに表示されます。
Arduino フォーム・ファクタ互換の ARM Cortex™-M3 開発プラットフォーム(EVAL-ADICUP360)は、EVAL-ADICUP360 ユーザー・ガイドから入手できます。
機能ブロック図
テスト・セットアップのブロック図を図 10 に示します。

テスト
サンプル・コードがビルドされ、EVAL-ADICUP360 にロードされ、EVAL-CN0391-ARDZ が上部に取り付けられると、デバイスは PC と通信して連続的に値を更新し、各チャンネルに次の内容が表示されます。
- チャンネル番号と熱電対のタイプ
- RTD 抵抗
- 線形化 RTD 温度(冷接点温度)
- 線形化された熱電対温度
選択した熱電対の最後に線形化された値が ITS-90 公式によって定義された範囲外である場合、警告メッセージが表示されます。その他のプログラミング・オプションの詳細は、CN-0391 ユーザー・ガイドに記載されています。
図 11 に、EVAL-CN0391-ARDZ ボードの写真を示します。




