概要
設計リソース
設計/統合ファイル
- Schematic
- Bill of Materials
- Gerber Files
- Layout Files (Allegro)
- Assembly Drawing
評価用ボード
型番に"Z"が付いているものは、RoHS対応製品です。 本回路の評価には以下の評価用ボードが必要です。
- EVAL-ADICUP360 ($60.92) Arduino Form Factor Development Board
- EVAL-CN0395-ARDZ ($115.06) VOC Gas Detector
デバイス・ドライバ
コンポーネントのデジタル・インターフェースとを介して通信するために使用されるCコードやFPGAコードなどのソフトウェアです。
機能と利点
- 全機能内蔵型の揮発性有機化合物(VOC)検出器
- 定電圧、定電流、定抵抗、定温度の各ヒータ制御オプション
- 広い範囲の検出抵抗測定
- オンボードの温湿度センサー
製品カテゴリ
マーケット & テクノロジー
使用されている製品
参考資料
-
EVAL-CN0395-ARDZ Shield2018/10/16WIKI
-
CN0395: 室内空気質計測のための揮発性有機化合物検出器2017/08/16PDF265 K
回路機能とその特長
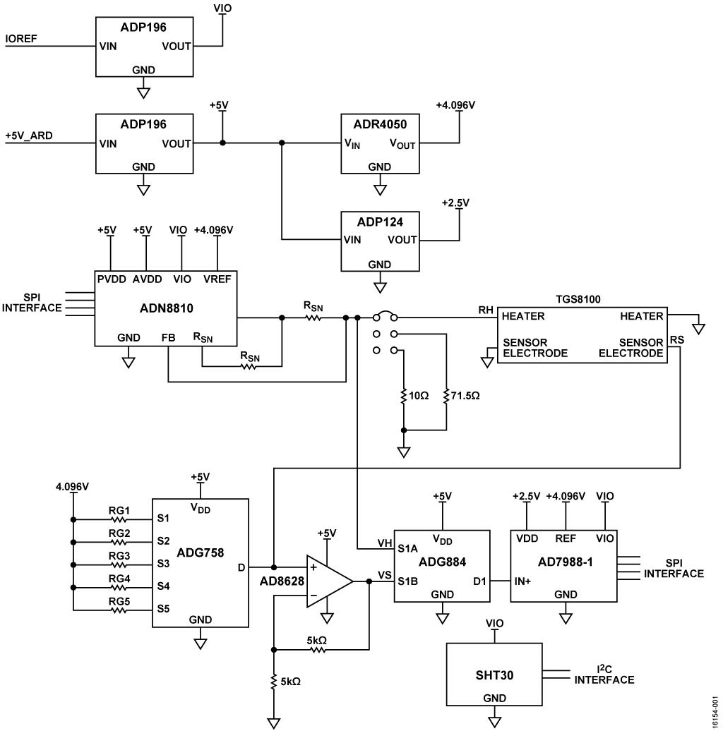
図1に示す回路は、金属酸化物センサーを使用して揮発性有機化合物のガス成分を検出することで、室内空気質を計測するものです。センサーは加熱抵抗器と検出抵抗器から成ります。検出抵抗器が加熱されると、その値は様々なガスの濃度の関数として変化します。
回路には、ヒータ電流を高い精度で制御するために12ビットの電流出力D/Aコンバータ(DAC)が用いられており、ヒータは、柔軟なソフトウェアによって、定電流、定電圧、定抵抗、定温度の4通りのモードのいずれかで動作可能です。
回路は、5つの範囲をソフトウェアで選択可能な抵抗分圧器によって、広い範囲の検出抵抗値を測定できます。ボードには、ガス濃度値の補償に使用される温湿度センサーも備わっています。

(簡略化した回路図、全接続の一部およびデカップリングは省略されています)
回路説明
回路は、Figaro TGS8100センサー用に最適化されています。このセンサーは、MEMS技術を使用してシリコン基板上に形成した、MOSセンサー・チップと内蔵ヒータで構成されているものです。ハードウェアおよびソフトウェアに適切な変更を加えることで、他のMOSセンサーも使用できます。
テストは、ガス室で一酸化炭素を使用して行いました。結果については、センサーのデータシートの仕様表と関連付けを行いました。
ヒータ・ドライバ
ADN8810は、出力電流が最大300mAまで調整可能な12ビット電流源です。フルスケール電流は、2つの出力検出抵抗器で設定します。これらの抵抗を選択してフルスケール電流を設定することは、ボードにインストールするセンサーの設計仕様にとって非常に重要です。フルスケール電流は、故障が生じないよう、センサーの最大定格を超えるものであってはなりません。.
41.2Ωの検出抵抗を使用すると、ボードのフルスケール電流は約9.94mAに設定されます。これは、推奨動作電流が8mAであるTGS8100センサーの安全な上限です。フルスケール電流を検出抵抗の関数として計算するための式は、次のとおりです。

ここで、
VREFは回路の電圧リファレンス(4.096V)、
RSNは検出抵抗の値です。
キャリブレーションを行わない場合、ADN8810のフルスケール精度は1%です。より高い精度を必要とする場合は、71.5Ωまたは10Ωの高精度抵抗とP2ジャンパを使用してフルスケール電流出力を補正できます。
すべての動作(定電流、定電圧、定抵抗、定温度の各モード)において、加熱エレメントを流れる電流量を制御し、AD7988-1 A/Dコンバータでヒータ電圧を測定することで、仕様規定されているパラメータの値が維持されます。
ヒータ抵抗とヒータ温度の関係
ヒータ抵抗RH_Tとヒータ温度THとの間には、次式で表される関係があります。

ここで、
RH_0は、周辺温度T_0でのヒータ抵抗、
THはヒータ温度、
ALPHAは、センサーによって決まる定数です。
TGS8100のデータシートから、次の公称値が得られます。VH = 1.8V、RH_0 = 110Ω(T_0 = 20ºC)、RH_T = 225Ω(T_H = 360ºC)。上の式にこれらの値を代入し、定数ALPHAについて解くと、ALPHA = 0.003074となります。
この式を変形し、THをRHの関数として解くと、次式になります。

モードの値を設定する前に、まず、周辺温度T_Aでの実際のヒータ抵抗RH_Aを求める必要があります。この値は、ヒータに8mAを通電し、電流印加後20μs以内にヒータ電圧VH_Aを測定することで求めることができます。この時点でヒータはまだ周辺温度と同じです。周辺温度でのヒータ抵抗は、RH_A = VH_A/8mAの式から求まります。周辺温度T_Aおよび湿度HUMも記録されます。
実際の周辺温度T_Aは、データシートの値T_0 = 20ºCとは異なる可能性があるため、上式は若干の変更が必要です。補正係数を加えると、この2式は次のようになります。

ヒータの動作モード
以下の数セクションで、ヒータの動作モードについて詳しく説明します。
定ヒータ電圧
定ヒータ電圧モードは最も一般的な動作モードです。TGS8100センサーに対する推奨電圧は1.8V±2%です。イテレーション式のプログラムによって、ヒータ電圧の測定値が1.8Vになるまでヒータ電流IHが調整されます。したがって、対応するヒータ抵抗RH_Tは、RH_T = VH/IHから計算できます。また、対応するヒータ温度は式(5)で計算できます。
定ヒータ電流
目的のヒータ電流IHはADN8810 DACで設定します。ヒータ電圧VHを測定し、ヒータ抵抗をRH_T = VH/IHで計算します。また、対応するヒータ温度は式(5)で計算します。
定ヒータ温度
目的のヒータ温度THに対応するヒータ抵抗RH_Tを式(4)で計算します。目的のヒータ抵抗VH/IH = RH_Tになるまで、イテレーション式のプログラムによってヒータ電流IHを調整し、ヒータ電圧VHを測定します。
定ヒータ抵抗
目的のヒータ抵抗VH/IH = RH_Tになるまで、イテレーション式のプログラムによってヒータ電流IHを調整し、ヒータ電圧VHを測定します。また、対応するヒータ温度は式(5)で計算します。
検出抵抗の測定
センサーの検出エレメントの抵抗値は次の式で求まります。

ここで、
RSは検出エレメントの抵抗、
VSはグラウンドを基準とするRS両端の電圧、
RGは分圧器で使用される範囲設定抵抗、
VREFはリファレンス電圧の値(4.096V)です。
30Ω~30MΩのRS範囲に対応するため、低電圧のCMOSアナログ・マルチプレクサADG758を使用して、5つのRG抵抗のうち1つが選択されます。この回路では、S1~S5のチャンネルに対して、それぞれ8.87kΩ、39.2kΩ、110kΩ、2.74MΩ、33MΩの値のRG抵抗値が使用されます。
分圧器のRG抵抗とVSおよびVREFを使用して、RS検出抵抗の値が式(6)で求まります。
検出抵抗の分圧器からの出力電圧は、AD7988-1 ADCの入力範囲に一致するよう、オフセット、ドリフト、バイアス電流が極めて低いオペアンプAD8628を使用して、2倍に増幅されます。
AD7988-1は、100kSPS、16ビットの低消費電力逐次比較型ADCで、センサーの加熱・検出エレメントの電圧値を変換します。
ADG884はソフトウェアで選択可能なデュアル低電圧CMOS単極双投スイッチで、センサーの加熱・検出エレメントの電圧値を切り替えます。
ADR4540は超低ノイズで低消費電力の電圧リファレンスです。このデバイスは、最大消費電流はわずか950μAながら優れた温度安定性と低出力ノイズを特長とし、高精度の4.096Vのリファレンス電圧をADN8810、AD7988-1、RG分圧器ネットワークに供給します。
ADP196は、ロジック制御のハイ・サイド・パワー・スイッチで、ADICUP360のデジタル入出力ピンを使用して回路全体を完全に停止する場合に使用します。これにより、回路の消費電力は400μWまで低下します。これは、デジタル入出力ピンを使用したボードのパワーダウン機能を可能にするもので、低消費電力ソリューションの優れた候補となるものです。
ADP124は、低静止電流、低ドロップアウトのリニア電圧レギュレータで、AD7798-1への2.5V電源として使用します。
回路には、Sensirionのオンボード温湿度センサーSHT30も含まれており、ガス濃度の計算時の補償用に用いられます。.
これらのICを組み合わせることで、室内アプリケーションにおける揮発性有機化合物を測定するための低消費電力ソリューションが実現します。
センサー抵抗からガス濃度への変換
TGS8100センサーのデータシートに、代表的な濃度曲線をRS/R0(R0はガスがない場合の検出抵抗値)の関数として示しています。一酸化炭素(CO)の曲線は、RS/R0比に比例する2つの式で近似できます。これらの式は、CO濃度が1ppm~100ppmのレベルの場合に適用可能です。
RS/R0が0.05~0.6の場合は、

RS/R0が0.6~0.95の場合は、

ヒータ制御ソフトウェア
CN-0395のデモ・ソフトウェアでは、ヒータ動作の各モード、T_0すなわち清浄空気での検出抵抗値、計算用の電流検出抵抗値、計算したガス濃度が表示されます。
動作モードには、定電圧、定電流、定抵抗、定温度の4つがあります。
定電圧モードでは、ヒータ抵抗の初期値は225Ωと仮定され、目的のヒータ電圧は、誤差電圧を計算し、それに応じて出力電流を調整することで、0.5%の精度が保たれます。

ここで、
VHは維持しようとするユーザ入力の電圧、
IH1はADN8810の初期電流設定値です。
VH1は加熱抵抗の指示値で、誤差の計算は次式のとおりです。

ここで、
VHは目的のヒータ電圧。
VH1は加熱抵抗両端の電圧値です。
誤差が仕様規定された許容値内にない場合、新たなヒータ電流がADN8810に設定されます。新たなヒータ電流は次式で計算します。

ここで、
IH2は2回目のイテレーションのヒータ電流、
IH1は最初のイテレーションのヒータ電流、
E1は最初のイテレーションでの電圧誤差です。
目的の電圧範囲に収めるには複数のイテレーションが必要となる場合がありますが、誤差が0.5%以内になるとイテレーションは終了します。
検出抵抗測定ソフトウェア
このソフトウェアでは式(6)を使用して検出抵抗RSを測定します。アルゴリズムは、最高範囲(RG1 = 33MΩ)から始まり、適切な範囲に到達するまでゲイン抵抗範囲全体にわたって実行されます。RSが求まると、それに続くセクションで説明した式に従ってガス濃度に変換されます。
テスト結果
回路のテストは、テスト用ガス容器内で様々な濃度のCOガスにさらすことで行いました。種々の濃度を実現するため、一酸化炭素を特定の比率で合成空気と混合しました。この混合ガスを加湿器に通し、1ln/minの一定の流速でテスト用ガス容器にパージしました(図2参照)。

このセットアップを使用した、RS/R0とガス濃度の関係を示すテスト結果を、図3に青線で示します。赤色の線は、式(7)と式(8)を使用した近似から予測される、代表的な濃度の値を示します。100ppmでのRS/R0の差異は約25%です。

より高い精度で濃度を測定するには、対象となるガスの濃度が分かっている容器でシステムを補正します。センサー間のばらつき、不純物にさらされたことによるセンサーの汚染、経時変化の影響、温度、相対湿度、安定時間、混合用合成空気の純度などがすべて最終結果に影響します。
首尾一貫した結果を得るために重要となるのは、R0測定を行う前に少なくとも30分間ヒータに通電し、周辺空気内でセンサーを安定させることです。各濃度レベルで十分な安定時間を確保することも必要です。図3の結果は、R0の安定時間を1時間、各濃度レベルの安定時間を10分としたものです。安定時間を増加すれば、精度が向上する可能性があります。
ボード・レイアウト時の考慮事項
ボード上の電源とグラウンドのリターン・レイアウトを慎重に考慮することが重要です。アナログ・セクションとデジタル・セクションが分離されるように、プリント回路を設計する必要があります。複数のデバイスがアナログ・グラウンドとデジタル・グラウンドの接続を必要とするシステムで回路を使用する場合、1点のみで接続する必要があります。電源とすべての部品は、少なくとも0.1μFのコンデンサでバイパスしてください。これらのバイパス・コンデンサはデバイスのできるだけ近くに配置し、デバイスに隣接させるのが理想です。0.1μFのコンデンサには、セラミック・コンデンサなどの、等価直列抵抗(ESR)が低く等価直列インダクタンス(ESL)が低いものを選択してください。この0.1μFコンデンサは、過渡電流に対してグラウンドへの低インピーダンス・パスを提供します。電源ラインも低インピーダンス・パスとなるように、できる限り大きなパターンとする必要があります。最適な性能を実現するために、適切なレイアウト、接地、デカップリング技術を使用してください(MT-031チュートリアル、データ・コンバータのグラウンディングと、「AGND」および「DGND」に関する疑問の解消、および、MT-101チュートリアル、Decoupling Techniquesを参照)。
回路図、レイアウト、部品表などがすべて揃ったEVAL-CN0395-ARDZの技術文書については、www.analog.com/jp/CN0395-DesignSupportを参照してください。
バリエーション回路
複雑さとコストのトレードオフとなりますが、ADN8810はDAC制御の電流源で置き換えることができます。
ADCの分解能を向上させるには、AD7989-1を使用します。ADCのサンプリング・レートを上げるには、AD7988-5またはAD7989-5を使用します。
8:1マルチプレクサの代替候補としては、ADG5208Fが推奨されます。このデバイスには、ラッチアップ耐性があり、過電圧検出および保護機能が備わっています。
消費電力を犠牲にしてもオフセット電圧を下げたい場合は、ADA4528-1を使用できます。
イネーブル時間を短縮する場合は、ADP196の代わりにADP195を使用します。
2.5V電源の精度を向上させるには、ADP7156またはADP7158を使用します。
4.096Vリファレンス電圧を低消費電力化するには、初期精度は低下しますが、ADR4530を使用できます。
回路の評価とテスト
この例では、EVAL-CN0395-ARDZ回路基板とEVAL-ADICUP360を使用します。EVAL-CN0395-ARDZは、Arduino(アルドゥイーノ)互換ピンを使用してEVAL-ADICUP360の上に重ねます。
必要な装置
以下の装置類が必要になります。
- USBポート付きWindows® 7(64ビット)、Windows 8(64ビット)、またはWindows 10(64ビット)搭載PC
- EVAL-CN0395-ARDZ回路評価用ボード
- EVAL-ADICUP360評価用ボードまたは等価なArduinoインターフェース
- USB A-micro USBケーブル
- EVAL-ADICUP360ソフトウェア(IDE)
- EVAL-CN0395-ARDZサンプル・コード
設計の開始にあたって
EVAL-ADICUP360ツール・チェーン・セットアップ・ユーザ・ガイドに従って、サンプル・コードをEVAL-ADICUP360 IDEにロードします。
機能ブロック図
テスト・セットアップの機能ブロック図を図4に示します。

セットアップ
CEVAL-CN0395-ARDZをArduino互換のヘッダを使用してEVAL-ADICUP360の上にマウントし、対応するヘッダに接続します。EVAL-ADICUP360のデバッグ・ポートとPCのUSBポートをUSBケーブルで接続します。
テスト
サンプル・コードを作成しEVAL-ADICUP360にロードし、EVAL-CN0395-ARDZを上部にマウントすると、デバイスがPCと通信し、各チャンネルの読出し値を表示します。回路のテストは、最初の読出しで基板を清浄空気にさらし、次に様々な濃度の揮発性有機化合物ガスにさらして行います。
EVAL-CN0395-ARDZ回路評価用ボードの写真を図5に示します。
テスト・セットアップとEVAL-ADICUP360およびデータ・キャプチャ用サンプル・コードの使用方法の詳細については、CN0395ユーザ・ガイドを参照してください。
EVAL-ADICUP360ボードに関する情報は、EVAL-ADICUP360ツール・チェーン・セットアップ・ユーザ・ガイドを参照してください。




