 
                        産業用機能安全ソリューション
安全でなければ、オートメーションはスマートではありません。機能安全性はインダストリ4.0で重要な役割を担っています。それは安全性が将来の工場の不可欠な要素であるからだけでなく、機能安全性はより高い信頼性、より正確な診断、更により優れたレジリエンスを実現することもできるからです。アナログ・デバイセズでは、徹底した製品開発プロセス、確立された欠陥ゼロの企業文化、社内認定を受けた機能安全分野の専門家など、お客様に対する当社のコミットメントを通じ、お客様が第三者認証基準を満たす製品を構築し、市場投入までの時間を短縮できるよう支援します。
価値と利点
IEC 61508は、産業用アプリケーションで使用される集積回路の設計に関する機能安全規格です。当社はこの規格を採用し、既存の厳格な新製品開発プロセスを拡張することで、IEC61508が要求する特別な安全計画、安全分析、検証、妥当性確認が確実に実施されるようにしています。継続的な改善プロセスを確保するため、当社は主要な業界委員会の積極的なメンバーとなり、業界をリードする機能安全認証機関から認定を受けたスタッフ・エンジニアを擁しています。
業界最高の安全規格に適合
より正確な診断と高いレジリエンスを実現
市場投入までの時間を短縮
注目製品
 
                                                            
                                                                
                                                                    MAX42500
                                                                
                                                                
                                                        
                                                                    4~7つの入力に対応した産業用電源システム・モニタ・ファミリ
                                                                
                                                             
                                                            
                                                                
                                                                    ADFS5758
                                                                
                                                                
                                                                    
                                                            
                                                        シングルチャンネル、16ビット、電流/電圧出力DAC、ユニポーラ電流出力に対して機能安全性認定済み
 
                                                            
                                                                
                                                                    ADFS7124-4
                                                                
                                                                
                                                        
                                                                    4チャンネル、低ノイズ、低消費電力、24ビット、シグマ・デルタ型A/Dコンバータ、PGAおよびリファレンス内蔵
                                                                
                                                             
                                                            
                                                                
                                                                    ADFS7124-8
                                                                
                                                                
                                                        
                                                                    A/Dコンバータ、24ビット、8チャンネル、低ノイズ、低消費電力、Σ-Δ型、PGA/リファレンス内蔵
                                                                
                                                             
                                                            
                                                                
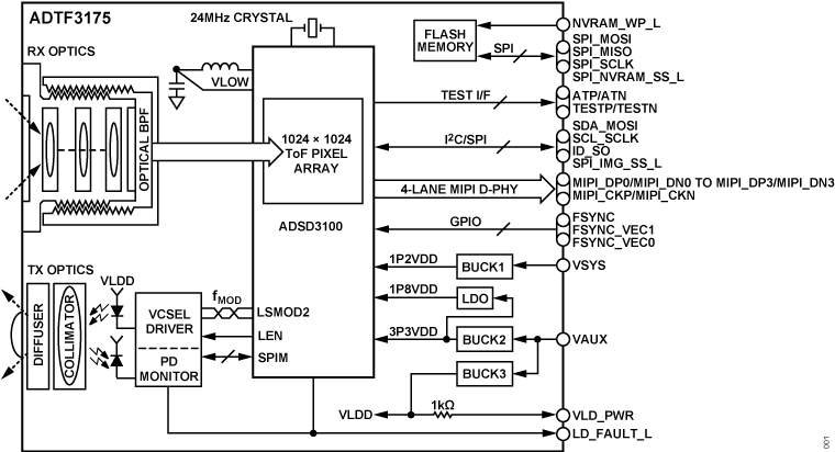
                                                                    ADTF3175
                                                                
                                                                
                                                        
                                                                    1メガ・ピクセルTime of Flightモジュール
                                                                
                                                             
                                                            
                                                                
                                                                    LTC4360
                                                                
                                                                
                                                        
                                                                    過電圧保護コントローラ
                                                                
                                                             
                                                            
                                                                
                                                                    MAX20480
                                                                
                                                                
                                                        
                                                                    4~7入力車載電源システムモニタファミリ
                                                                
                                                            
                                                                
                                                                    ADM1169
                                                                
                                                                
                                                        
                                                                    Super Sequencer®、マージニング制御及び不揮発性フォルト・レコーディング機能付
                                                                
                                                             
                                                            
                                                                
                                                                    ADUM4151
                                                                
                                                                
                                                                    
                                                            
                                                        SPIsolator™ SPI用デジタル・アイソレータ、5kV、7チャンネル(信号方向2/1のAUXチャンネル内蔵)
 
                                                            
                                                                
                                                                    ADUCM360
                                                                
                                                                
                                                        
                                                                    高精度アナログ・マイクロコントローラ、低消費電力、デュアルΣΔ ADC、ARM Cortex M3
                                                                
                                                             
                                                            
                                                                
                                                                    ADUCM355
                                                                
                                                                
                                                        
                                                                    化学センサーインターフェース付き高精度アナログ・マイクロコントローラ
                                                                
                                                             
                                                            
                                                                
                                                                    MAXQ1065
                                                                
                                                                
                                                        
                                                                    超低電力暗号コントローラ、ChipDNA™採用、エンベデッド機器用
                                                                
                                                             
                                                            
                                                                
                                                                    MAX32552
                                                                
                                                                
                                                        
                                                                    DeepCoverセキュアArm Cortex-M3フラッシュマイクロコントローラ
                                                                
                                                             
                                                            
                                                                
                                                                    ADBMS6815
                                                                
                                                                
                                                        
                                                                    12チャンネル・マルチセル・バッテリ・モニタ
                                                                
                                                            トレーニングおよびサポート
トレーニングおよびチュートリアル
{{modalTitle}}
{{modalDescription}}
{{dropdownTitle}}
- {{defaultSelectedText}} {{#each projectNames}}
- {{name}} {{/each}} {{#if newProjectText}}
- 
                                                    {{newProjectText}} {{/if}}
{{newProjectTitle}}
{{projectNameErrorText}}
 
                             
                                                                                                                                                                                        
                                                                                                                     
                                                                                                                                                                                        
                                                                                                                     
                                                                                                                                                                                        
                                                                                                                     
                                                                                                                                                                                        
                                                                                                                     
                                                                                                                                                                                        
                                                                                                                     
                                                                                                                                                                                                                                             
                                                                                                                                                                                        
                                                                                                                     
                                                                                                                                                                                        
                                                                                                                     
                                                                                                                                                                                        
                                                                                                                     
                                                                                                                                                                                        
                                                                                                                     
                                                                                                                                                                                        
                                                                                                                     
                                                                                                                                                                                        
                                                                                                                     
                                                                                                                                                                                        
                                                                                                                     
                                                                                                                                                                                        
                                                                                                                     
                                                                                                                                                                                                                                             
                                                                                                                                                                                        
                                                                                                                     
                                                                                                                                                                                        
                                                                                                                     
                                                                                                                                                                                        
                                                                                                                     
                                                                                                                                                                                        
                                                                                                                     
                                                                                                                                                                                        
                                                                                                                     
                                                                                                                                                                                        
                                                                                                                     
                                                                                                                                                                                        
                                                                                                                     
                                                                                                                                                                                        
                                                                                                                     
                                                                                                                                                                                        
                                                                                                                     
                                                                                                                                                                                        
                                                                                                                     
                                                                                                                                                                                        
                                                                                                                     
                                                                                                                                                                                        
                                                                                                                     
                                                                                                                                                                                        
                                                                                                                     
                                                                                                                                                                                        
                                                                                                                     
                                                                                                                                                                                        
                                                                                                                     
                                                                                                                                                                                        
                                                                                                                    