MAX7314

製造中

LED輝度制御、割込み、およびホットスワップ保護付き、18ポートGPIO

利用上の注意

本データシートの英語以外の言語への翻訳はユーザの便宜のために提供されるものであり、リビジョンが古い場合があります。最新の内容については、必ず最新の英語版をご参照ください。

なお、日本語版のデータシートは基本的に「Rev.0」(リビジョン0)で作成されています。そのため、英語版が後に改訂され、複数製品のデータシートがひとつに統一された場合、同じ「Rev.0」の日本語版のデータシートが異なる製品のデータシートとして表示されることがあります。たとえば、「ADM3307E」の場合、日本語データシートをクリックすると「ADM3311E」が表示されます。これは、英語版のデータシートが複数の製品で共有できるように1本化され、「ADM3307E/ADM3310E/ADM3311E/ADM3312E/ADM3315E」(Rev.J)と改訂されたからで、決して誤ってリンクが張られているわけではありません。和文化されたデータシートを少しでも有効に活用していただくためにこのような方法をとっておりますので、ご了解ください。

アナログ・デバイセズ社は、提供する情報が正確で信頼できるものであることを期していますが、その情報の利用に関して、あるいはその利用によって生じる第三者の特許やその他の権利の侵害に関して一切の責任を負いません。また、アナログ・デバイセズ社の特許または特許の権利の使用を明示的または暗示的に許諾するものでもありません。仕様は予告なしに変更する場合があります。本紙記載の商標および登録商標は、各社の所有に属します。

Viewing:

製品情報

  • 400kbps、2線式シリアルインタフェース、5.5V耐圧
  • 2V~3.6V動作
  • 全8ビットによるPWM LED輝度制御
    • グローバル16ステップ輝度制御
    • 個別16ステップ輝度制御
  • 2相LED点滅
  • 最大ポート出力電流:50mA
  • ホットスワップ対応
  • 5.5V定格オープンドレイン出力
  • 5.5Vの入力過電圧保護
  • 割込み出力付きの変化検出
  • 動作電流:1.2µA (typ)、3.6µA (max)
  • 小型4mm x 4mmのTQFNパッケージ
  • 温度範囲:-40℃~+125℃

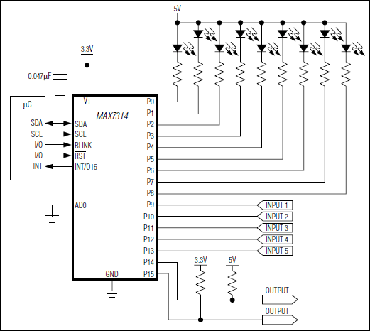
I²C対応のシリアルインタフェースによって接続する周辺ICのMAX7314は、マイクロプロセッサに16のI/Oポート、出力のみの1ポートおよび入力のみの1ポートを提供します。各I/Oポートは、定格が50mA、5.5Vのオープンドレイン型電流シンク出力、または変化検出付きのロジック入力のいずれかとして個々に構成することができます。出力のみのポートは、変化検出用割込み出力として割り当てることができます。これらの出力は、LEDを駆動することも、外付け抵抗器で最大5.5Vにプルアップしたロジック出力として使用することもできます。

8ビットのPWM電流制御は、17の出力ポートすべてに内蔵されています。4ビットのグローバル制御はすべてのLED出力に適用され、電流を完全オンから完全オフまで14の輝度ステップで粗調整します。各出力は、グローバル設定された電流をさらに16のステップに分割する各4ビットの制御を備えています。この代わりに、電流制御はすべての出力を一度に同じ値に8ビットで設定するように構成することもできます。

各出力は、点滅のタイミングが独立した2つの位相で点滅します。すべてのLEDは、個別に、いずれかの点滅位相でオンまたはオフのいずれかに設定することも、点滅制御を無視して設定することもできます。点滅周期は、BLINKにクロック(最高1kHz)を入力して制御するか、または抵抗器によって制御します。また、BLINK入力は、LEDをオン/オフするためのロジック制御として、または汎用入力として使用することができます。

MAX7314は、ホットスワップに対応しています。全ポート端子、アクティブローINT出力、SDA、SCL、アクティブローRST、BLINK、およびスレーブアドレス入力ADOは、最大6Vアサートされてパワーダウン時(V+ = 0V)にハイインピーダンスのままです。MAX7314は、2線式シリアルインタフェースによって制御され、4レベルのロジックを使用して1個の選択ピンのみで4つのI²Cアドレスを指定することができます。

アプリケーション

  • キーパッドバックライト
  • LCDバックライト
  • LEDステータス表示
  • リレードライバ
  • RGB LEDドライバ
  • システムI/Oポート

MAX7314
LED輝度制御、割込み、およびホットスワップ保護付き、18ポートGPIO
MAX7314:標準アプリケーション回路
myAnalogに追加

myAnalogの製品セクション(通知受け取り)、既存/新規プロジェクトに製品を追加する。

新規プロジェクトを作成
質問する
サポート

アナログ・デバイセズのサポート・ページはアナログ・デバイセズへのあらゆるご質問にお答えするワンストップ・ポータルです。


ドキュメント

さらに詳しく
myAnalogに追加

myAnalogのリソース・セクション、既存/新規プロジェクトにメディアを追加する。

新規プロジェクトを作成

ハードウェア・エコシステム

製品モデル 製品ライフサイクル 詳細
I/Oエクスパンダ 9
MAX7300 製造中 2線式インタフェース、2.5V~5.5V、20ポートまたは28ポート、I/Oエキスパンダ
MAX7301 製造中 4線式インタフェース、2.5V~5.5V、20ポートおよび28ポートI/Oエキスパンダ
MAX7311 製造中 割込みおよびホットスワップ保護付き、2線式インタフェース、16ビットI/Oポートエキスパンダ
MAX7312 製造中 割込みおよびホットスワップ保護付き、2線式インタフェース16ビットI/Oポートエキスパンダ
MAX7313 製造中 LED輝度制御、割込み、およびホットスワップ保護付き、16ポートI/Oエキスパンダ
MAX7315 製造中 LED輝度制御、割込み、およびホットスワップ保護付き、8ポートI/Oエキスパンダ
MAX7316 製造中止 LED輝度制御、割込み、およびホットスワップ保護付き、10ポートI/Oエキスパンダ
MAX7317 製造中 過電圧およびホットスワップ保護付き10ポートSPIインタフェースI/Oエキスパンダ
MAX7318 製造中 割込みおよびホットスワップ保護付き、2線式インタフェース、16ビット、I/Oポートエキスパンダ
LED ドライバ IC 5
MAX6964 製造中 17-Output LED Driver/GPO with Intensity Control and Hot-Insertion Protection
MAX6965 製造中 9-Output LED Driver with Intensity Control and Hot-Insertion Protection
MAX6956 製造中 2線式インタフェース、2.5V~5.5V、20ポートまたは28ポートLEDディスプレイドライバおよびI/Oエキスパンダ
MAX6957 製造中 4-Wire-Interfaced, 2.5V to 5.5V, 20-Port and 28-Port LED Display Driver and I/O Expander
MAX7310 製造中 2線式インタフェース、リセット付き、8ビットI/Oポートエキスパンダ
Modal heading
myAnalogに追加

myAnalogの製品セクション(通知受け取り)、既存/新規プロジェクトに製品を追加する。

新規プロジェクトを作成

ツールおよびシミュレーション

ソフトウェア開発 1

IBISモデル 1


評価用キット

MAX7314EVKIT

MAX7314の評価キット

機能と利点

  • 4つのRGBおよび4つの白色LEDを評価
  • 各LEDを個別に出力制御
  • 2線式アドレス用の1つの端子による4アドレスの1つを指定するユニークな機能を検証
  • リレー駆動可能
  • PCインタフェースまたはユーザ2線式システムインタフェース
  • Windows 2000/XP/Vista (32ビット)対応ソフトウェア
  • USB駆動
  • 表面実装部品
  • 完全実装および試験済み

製品詳細

MAX7314の評価キット(EVキット)は、16出力LEDドライバの完全実装および試験済み表面実装プリント基板(PCB)です。この回路は、LED輝度制御、割込み、ホットスワップ保護を備えた、18ポートGPIOのMAX7314 ICを使用しています。このEVキットは、MAX7314によって同時に制御可能な4つのRGB LEDと4つの白色LED (WLED)を搭載しています。このEVキットは、MAX7314 ICの8ビットPWM LED輝度制御、2フェーズLED点滅、リセット、割込み出力、および1つの端子で4つのI²Cまたは2線式インタフェースアドレスの1つを選択するユニークな機能を検証します。

MAX7314のEVキットは、BLINK機能も検証し、設定可能な発振器回路を備えています。また、このEVキットは、リレーの評価用に設定変更することもできます。

MAX7314のEVキットは、MAX7314の2線式シリアルインタフェース信号用のPCBパッドを備えています。MAX7314 ICにアクセスするために、Windows 2000/XP/Vista®対応ソフトウェアが用意されています。MAX7314のEVキットは、ユーザ提供の2線式システムに直接インタフェースすることもできます。

アプリケーション

  • キーパッドバックライト
  • LCDバックライト
  • LEDステータス表示
  • リレードライバ
  • RGB LEDドライバ
  • システムI/Oポート

MAX7314EVKIT
MAX7314の評価キット

最新のディスカッション

MAX7314に関するディスカッションはまだありません。意見を投稿しますか?

EngineerZone®でディスカッションを始める

最近表示した製品