MAX6956

製造中

2線式インタフェース、2.5V~5.5V、20ポートまたは28ポートLEDディスプレイドライバおよびI/Oエキスパンダ

利用上の注意

本データシートの英語以外の言語への翻訳はユーザの便宜のために提供されるものであり、リビジョンが古い場合があります。最新の内容については、必ず最新の英語版をご参照ください。

なお、日本語版のデータシートは基本的に「Rev.0」(リビジョン0)で作成されています。そのため、英語版が後に改訂され、複数製品のデータシートがひとつに統一された場合、同じ「Rev.0」の日本語版のデータシートが異なる製品のデータシートとして表示されることがあります。たとえば、「ADM3307E」の場合、日本語データシートをクリックすると「ADM3311E」が表示されます。これは、英語版のデータシートが複数の製品で共有できるように1本化され、「ADM3307E/ADM3310E/ADM3311E/ADM3312E/ADM3315E」(Rev.J)と改訂されたからで、決して誤ってリンクが張られているわけではありません。和文化されたデータシートを少しでも有効に活用していただくためにこのような方法をとっておりますので、ご了解ください。

アナログ・デバイセズ社は、提供する情報が正確で信頼できるものであることを期していますが、その情報の利用に関して、あるいはその利用によって生じる第三者の特許やその他の権利の侵害に関して一切の責任を負いません。また、アナログ・デバイセズ社の特許または特許の権利の使用を明示的または暗示的に許諾するものでもありません。仕様は予告なしに変更する場合があります。本紙記載の商標および登録商標は、各社の所有に属します。

Viewing:

製品情報

  • 400kbpsのI²C対応シリアルインタフェース
  • 動作電圧:2.5V~5.5V
  • 温度範囲:-40℃~+125℃
  • 次のいずれかに設定が可能な20個または28個のI/Oポート
    • 定電流LEDドライバ
    • プッシュプルロジック出力
    • シュミットロジック入力
    • 内部プルアップ付シュミットロジック入力
  • シャットダウン消費電流:11µA (max)
  • LEDごとに個別プログラマブルの16ステップ電流制御
  • 7個のI/Oポートでロジック過渡検出

小型シリアルインタフェースLEDディスプレイドライバ/I/OエキスパンダMAX6956は、マイクロプロセッサに最大28個のポートを供給します。各ポートは、ロジック入力、ロジック出力、またはコモンアノード(CA) LED定電流セグメントドライバとしてユーザが個別設定することができます。LEDセグメントドライバとして設定された各ポートはディジタル制御の定電流シンクとして動作し、1.5mA~24mAの16段階の等間隔電流ステップを備えています。このLEDドライバはディスクリートLED、およびCA数字式/アルファニュメリックLED桁の双方に最適です。

汎用I/O (GPIO)として設定された各ポートは、10mAのシンク駆動と4.5mAのソース駆動が可能なプッシュプルロジック出力、またはオプションの内部プルアップ付きシュミットロジック入力のいずれかにすることができます。7個のポートは設定可能な遷移検出ロジックを備え、これによりポートロジックレベルの変更時に割込みが生成されます。MAX6956はI²C対応2線式シリアルインタフェースを通じて制御され、4レベルロジックを使って、わずか2個の選択ピンで16個のI²Cアドレスを可能にします。

MAX6956AAXおよびMAX6956ATLは28個のポートを備え、それぞれ36ピンSSOPおよび40ピンTQFNパッケージで提供されます。MAX6956AAIおよびMAX6956ANIは20個のポートを備え、それぞれ28ピンSSOPおよび28ピンDIPパッケージで提供されます。

SPIインタフェースのあるバージョンについてはMAX6957のデータシートをご参照ください。定電流LED駆動能力のない低コストピンコンパチブルポートエキスパンダについては、MAX7300のデータシートをご参照ください。

アプリケーション

  • 車載用
  • 棒グラフ表示
  • 産業用コントローラ
  • パネルメータ
  • セットトップボックス
  • システム監視
  • 白物家電

MAX6956
2線式インタフェース、2.5V~5.5V、20ポートまたは28ポートLEDディスプレイドライバおよびI/Oエキスパンダ
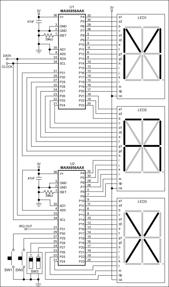
MAX6956:標準動作回路
myAnalogに追加

myAnalogの製品セクション(通知受け取り)、既存/新規プロジェクトに製品を追加する。

新規プロジェクトを作成
質問する
サポート

アナログ・デバイセズのサポート・ページはアナログ・デバイセズへのあらゆるご質問にお答えするワンストップ・ポータルです。


ドキュメント

さらに詳しく
myAnalogに追加

myAnalogのリソース・セクション、既存/新規プロジェクトにメディアを追加する。

新規プロジェクトを作成

ソフトウェア・リソース

必要なソフトウェア/ドライバが見つかりませんか?

ドライバ/ソフトウェアをリクエスト

ハードウェア・エコシステム

製品モデル 製品ライフサイクル 詳細
I/Oエクスパンダ 2
MAX7317 製造中 過電圧およびホットスワップ保護付き10ポートSPIインタフェースI/Oエキスパンダ
MAX7318 製造中 割込みおよびホットスワップ保護付き、2線式インタフェース、16ビット、I/Oポートエキスパンダ
LED ドライバ IC 11
MAX6950 製造中 Serially Interfaced, +2.7V to +5.5V, 5- and 8-Digit LED Display Drivers
MAX6951 製造中 Serially Interfaced, +2.7V to +5.5V, 5- and 8-Digit LED Display Drivers
MAX6952 製造中 4-Wire Interfaced, 2.7V to 5.5V, 4-Digit 5 x 7 Matrix LED Display Driver
MAX6953 製造中止 2-Wire Interfaced, 2.7V to 5.5V, 4-Digit 5 x 7 Matrix LED Display Driver
MAX6954 製造中 I/Oエキスパンダおよびキースキャン付き、4線式インタフェース、2.7V~5.5V、LEDディスプレイドライバ
MAX6955 製造中 I/Oエキスパンダおよびキースキャン付き、2線式インタフェース、2.7V~5.5V、LEDディスプレイドライバ
MAX6957 製造中 4-Wire-Interfaced, 2.5V to 5.5V, 20-Port and 28-Port LED Display Driver and I/O Expander
MAX6958 製造中 2-Wire Interfaced, 3V to 5.5V, 4-Digit, 9-Segment LED Display Drivers with Keyscan
MAX6959 製造中 2-Wire Interfaced, 3V to 5.5V, 4-Digit, 9-Segment LED Display Drivers with Keyscan
MAX7219 製造中 シリアルインタフェース、8桁、LEDディスプレイドライバ
MAX7221 製造中 シリアルインタフェース、8桁、LEDディスプレイドライバ
Modal heading
myAnalogに追加

myAnalogの製品セクション(通知受け取り)、既存/新規プロジェクトに製品を追加する。

新規プロジェクトを作成

ツールおよびシミュレーション


評価用キット

MAX6956EVKIT

MAX6956の評価キット

機能と利点

  • Windows 2000/XP、Windows Vista (32ビット)およびWindows 10**対応のソフトウェア
  • USB-PC接続(ケーブル同梱)
  • USB駆動
  • 鉛フリーおよびRoHS準拠
  • 実証済みPCBレイアウト
  • 表面実装部品
  • 完全実装および試験済み

製品詳細

MAX6956の評価キット(EVキット)は、MAX6956 ICを搭載した完全実装および試験済み表面実装PCBです。MAX6956は、28ポートLEDドライバおよびI/Oエキスパンダです。また、このEVキットには、Windows® 2000/XP、およびWindows Vista®対応ソフトウェアも含まれており、MAX6956の各機能を実行するためのシンプルなグラフィカルユーザインタフェース(GUI)を提供します。

アプリケーション

  • 車載用
  • 棒グラフ表示
  • 産業用コントローラ
  • パネルメータ
  • セットトップボックス
  • システム監視
  • 白物家電

MAX6956EVKIT
MAX6956の評価キット

最新のディスカッション

MAX6956に関するディスカッションはまだありません。意見を投稿しますか?

EngineerZone®でディスカッションを始める

最近表示した製品