Adding Global Intensity Control to the MAX6956 and MAX6957 Static LED Drivers

要約

This application note discusses techniques to change the intensity of all the LED segments of a display at once (global intensity control) driven by the MAX6956 or MAX6957 static LED drivers. This control is additional to the segment-by-segment adjustment the drivers offer already. The note includes a calculator in the form of an Excel spreadsheet that may be downloaded to assist design.

This application note discusses some techniques for adding global LED intensity control to the MAX6956 and MAX6957 static LED drivers. These drivers already have 16-step individual segment current control; this additional control provides a master intensity control that reduces, together, all the individual segment currents in as many steps as desired.

The MAX6956 and MAX6957 are 2-wire and 4-wire serial-interfaced peripherals with 28 I/O ports. Each port is individually user configurable to be either a logic input, logic output, or common-anode (CA) LED constant-current segment driver. Each port configured as an LED segment driver behaves as a digitally controlled constant-current sink, with 16 equal current steps from 1.5mA to 24mA. The LED drivers are suitable for both discrete LEDs and CA numeric and alphanumeric LED digits, and more than one MAX6956 or MAX6957.

A single external resistor RISET controls the maximum segment current for all the segments. RISET sinks a current from the driver's internal voltage reference, and this small current is mirrored internally to set the full-scale segment current of up to 24mA. The internal segment intensity registers allow each segment drive to be individually reduced from the full-scale in 16 steps.

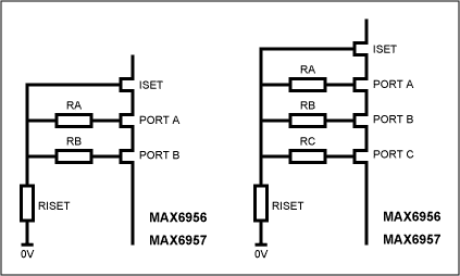
The full-scale segment current can be controlled by adjusting the effective value of RISET. This can be achieved by replacing the fixed RISET resistor with a low cost digital resistor (for example the 32-step MAX5160). If fewer steps are required, and spare MAX6956/MAX6957 ports are available, then these spare ports can be used instead to directly control the full-scale segment current. The ports drive external resistors to build a simple R-2R-4R type DAC directly at the RISET pin. The design software is an Excel spreadsheet which calculates the resistor values used for a 2-bit DAC (resistors RA and RB) and for a 3-bit DAC (resistors RA, RB, and RC). The slope and linearity of the global control can be chosen to suit the application. These DACs provide 4 and 8 steps of intensity control respectively (Figure 1.)

Figure 1. Adding two or three extra resistors to unused ports to build a global intensity control DAC.

Figure 1. Adding two or three extra resistors to unused ports to build a global intensity control DAC.

The user will have to provide software in the end application to control the DAC ports to adjust the global intensity. The ports should be switched between a logic low output for a DAC code of 0, and a logic input without pullup (i.e., high impedance) for a DAC code of 1.

Figure 2. Screenshot of the 2-bit Excel spreadsheet.

Figure 2. Screenshot of the 2-bit Excel spreadsheet.

Figure 3. Screenshot of the 3-bit Excel spreadsheet.

Figure 3. Screenshot of the 3-bit Excel spreadsheet.