MAX6959

製造中

2-Wire Interfaced, 3V to 5.5V, 4-Digit, 9-Segment LED Display Drivers with Keyscan

利用上の注意

本データシートの英語以外の言語への翻訳はユーザの便宜のために提供されるものであり、リビジョンが古い場合があります。最新の内容については、必ず最新の英語版をご参照ください。

なお、日本語版のデータシートは基本的に「Rev.0」(リビジョン0)で作成されています。そのため、英語版が後に改訂され、複数製品のデータシートがひとつに統一された場合、同じ「Rev.0」の日本語版のデータシートが異なる製品のデータシートとして表示されることがあります。たとえば、「ADM3307E」の場合、日本語データシートをクリックすると「ADM3311E」が表示されます。これは、英語版のデータシートが複数の製品で共有できるように1本化され、「ADM3307E/ADM3310E/ADM3311E/ADM3312E/ADM3315E」(Rev.J)と改訂されたからで、決して誤ってリンクが張られているわけではありません。和文化されたデータシートを少しでも有効に活用していただくためにこのような方法をとっておりますので、ご了解ください。

アナログ・デバイセズ社は、提供する情報が正確で信頼できるものであることを期していますが、その情報の利用に関して、あるいはその利用によって生じる第三者の特許やその他の権利の侵害に関して一切の責任を負いません。また、アナログ・デバイセズ社の特許または特許の権利の使用を明示的または暗示的に許諾するものでもありません。仕様は予告なしに変更する場合があります。本紙記載の商標および登録商標は、各社の所有に属します。

Viewing:

製品情報

  • 400kbps 2-Wire Serial Interface
  • 3V to 5.5V Operation
  • Drive 4 Digits plus 4 or 8 Discrete LEDs
  • Drive Common-Cathode LED Digits
  • 23mA Constant-Current LED Segment Drive
  • Hexadecimal Decode/No-Decode Digit Selection
  • 64-Step Digital Brightness Control
  • Slew-Rate-Limited Segment Drivers Reduced EMI
  • Debounces Up to Eight Switches with n-Key Rollover (MAX6959 Only)
  • IRQ Output When a Key Input Is Debounced (MAX6959 Only)
  • 20µA Low-Power Shutdown (Data Retained)
  • Automotive Temperature Range (-40°C to +125°C)
  • Compact 16-Pin PDIP and QSOP Packages

The MAX6958/MAX6959 compact multiplexed common- cathode display drivers interface microprocessors to seven-segment numeric LED digits, or discrete LEDs through an SMBus™- and I²C-compatible 2-wire serial interface. The 2-wire serial interface uses fixed 0.8V/2.1V logic thresholds for compatibility with 2.5V and 3.3V systems when the display driver is powered from a 5V supply.

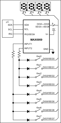
The MAX6958/MAX6959 drive up to four 7-segment digits, with decimal points, plus four discrete LEDs, or four 7-segment digits and eight discrete LEDs if the digits' decimal points are not used, or up to 36 discrete LEDs. The MAX6959 also includes two input ports, one or both of which may be configured as a key-switch reader, which automatically scans and debounces a matrix of up to eight switches. Key-switch status is obtained by polling internal status registers or by configuring the MAX6959 interrupt output.

Other on-chip features include a hexadecimal font for seven-segment displays, multiplex scan circuitry, anode and cathode drivers, and static RAM that stores each digit. The peak segment current for the display digits is set internally to 23mA. Display intensity is adjusted using a 64-step internal digital brightness control. The MAX6958/MAX6959 include a low-power shutdown mode, a scan-limit register that allows the user to display from one to four digits, and a test mode, which forces all LEDs on. The LED drivers are slew-rate-limited to reduce EMI.

The MAX6958/MAX6959 are available in 16-pin PDIP and QSOP packages and are fully specified over the -40°C to +125°C automotive temperature range.

Applications

  • Audio/Video Equipment
  • Industrial Controls
  • Panel Meters
  • Set-Top Boxes
  • Vending Machine
  • White Goods

MAX6959
2-Wire Interfaced, 3V to 5.5V, 4-Digit, 9-Segment LED Display Drivers with Keyscan
MAX6958, MAX6959: Typical Operating Circuit
myAnalogに追加

myAnalogの製品セクション(通知受け取り)、既存/新規プロジェクトに製品を追加する。

新規プロジェクトを作成
質問する
サポート

アナログ・デバイセズのサポート・ページはアナログ・デバイセズへのあらゆるご質問にお答えするワンストップ・ポータルです。


ドキュメント

さらに詳しく
myAnalogに追加

myAnalogのリソース・セクション、既存/新規プロジェクトにメディアを追加する。

新規プロジェクトを作成

ソフトウェア・リソース

必要なソフトウェア/ドライバが見つかりませんか?

ドライバ/ソフトウェアをリクエスト

ハードウェア・エコシステム

製品モデル 製品ライフサイクル 詳細
LED ドライバ IC 10
MAX6950 製造中 Serially Interfaced, +2.7V to +5.5V, 5- and 8-Digit LED Display Drivers
MAX6955 製造中 I/Oエキスパンダおよびキースキャン付き、2線式インタフェース、2.7V~5.5V、LEDディスプレイドライバ
MAX6951 製造中 Serially Interfaced, +2.7V to +5.5V, 5- and 8-Digit LED Display Drivers
MAX6952 製造中 4-Wire Interfaced, 2.7V to 5.5V, 4-Digit 5 x 7 Matrix LED Display Driver
MAX6953 製造中止 2-Wire Interfaced, 2.7V to 5.5V, 4-Digit 5 x 7 Matrix LED Display Driver
MAX6954 製造中 I/Oエキスパンダおよびキースキャン付き、4線式インタフェース、2.7V~5.5V、LEDディスプレイドライバ
MAX6956 製造中 2線式インタフェース、2.5V~5.5V、20ポートまたは28ポートLEDディスプレイドライバおよびI/Oエキスパンダ
MAX6957 製造中 4-Wire-Interfaced, 2.5V to 5.5V, 20-Port and 28-Port LED Display Driver and I/O Expander
MAX7219 製造中 シリアルインタフェース、8桁、LEDディスプレイドライバ
MAX7221 製造中 シリアルインタフェース、8桁、LEDディスプレイドライバ
Modal heading
myAnalogに追加

myAnalogの製品セクション(通知受け取り)、既存/新規プロジェクトに製品を追加する。

新規プロジェクトを作成

最新のディスカッション

MAX6959に関するディスカッションはまだありません。意見を投稿しますか?

EngineerZone®でディスカッションを始める

最近表示した製品