MAX7031

製造中止

分数比PLL付き、低コスト、308MHz、315MHz、および433.92MHz FSKトランシーバ

利用上の注意

本データシートの英語以外の言語への翻訳はユーザの便宜のために提供されるものであり、リビジョンが古い場合があります。最新の内容については、必ず最新の英語版をご参照ください。

なお、日本語版のデータシートは基本的に「Rev.0」(リビジョン0)で作成されています。そのため、英語版が後に改訂され、複数製品のデータシートがひとつに統一された場合、同じ「Rev.0」の日本語版のデータシートが異なる製品のデータシートとして表示されることがあります。たとえば、「ADM3307E」の場合、日本語データシートをクリックすると「ADM3311E」が表示されます。これは、英語版のデータシートが複数の製品で共有できるように1本化され、「ADM3307E/ADM3310E/ADM3311E/ADM3312E/ADM3315E」(Rev.J)と改訂されたからで、決して誤ってリンクが張られているわけではありません。和文化されたデータシートを少しでも有効に活用していただくためにこのような方法をとっておりますので、ご了解ください。

アナログ・デバイセズ社は、提供する情報が正確で信頼できるものであることを期していますが、その情報の利用に関して、あるいはその利用によって生じる第三者の特許やその他の権利の侵害に関して一切の責任を負いません。また、アナログ・デバイセズ社の特許または特許の権利の使用を明示的または暗示的に許諾するものでもありません。仕様は予告なしに変更する場合があります。本紙記載の商標および登録商標は、各社の所有に属します。

Viewing:

製品情報

  • 単一電源動作:+2.1V~+3.6Vまたは+4.5V~+5.5V
  • 単一水晶トランシーバ
  • 出荷時プリセットの周波数(シリアルインタフェース不要)
  • FSK変調
  • 出荷時プリセットのFSK周波数偏移
  • +10dBmの出力パワーを50Ω負荷に供給
  • TX/RXスイッチ内蔵
  • 送信/受信PLL、VCO、およびループフィルタ内蔵
  • イメージ除去:45dB以上
  • 標準RF感度*:-110dBm
  • 外部フィルタによってIF帯域幅を選択可能
  • 広ダイナミックレンジのRSSI出力
  • 送信モード電流:<12.5mA
  • 受信モード電流:<6.7mA
  • シャットダウン電流:<800nA
  • 高速オン起動性能:<250µs
  • 小型32ピンTQFNパッケージ

水晶ベースの分数比トランシーバのMAX7031は、最高33kbps (マンチェスターエンコード)または66kbps (NRZエンコード)のデータレートで、出荷時プリセットの308MHz、315MHz、または433.92MHzの搬送周波数としたFSKデータを送受信するように設計されています。このデバイスは+10dBmの標準出力パワーを50Ω負荷に生成し、-110dBmの標準感度を示します。MAX7031は独立した送信および受信端子(PAOUTおよびLNAIN)とRFスイッチを内蔵し、このRFスイッチを使って共通アンテナにこれらの送信および受信端子を接続することができます。

MAX7031の送信周波数は16ビットの分数比位相ロックループ(PLL)で生成され、またレシーバの局部発振器(LO)は整数比PLLで生成されます。分数比PLLは受信LOより10.7MHz高くプリセットされるため、このハイブリッドアーキテクチャによって送信と受信の個別の水晶基準発振器は不要となります。固定比PLLをレシーバに用いることによって、分数比PLLの場合に必要となる大きな消費電流を無くし、レシーバの電流消費を最低限に抑制します。

MAX7031の送信PLLの分数比アーキテクチャによって送信FSK信号を正確な周波数偏移にプリセットすることができ、発振器引込み型FSK信号生成に伴う問題が完全になくなります。すべての周波数生成用の部品が内蔵されているため、完全アンテナ/ディジタルデータソリューションを実装するのに、水晶、10.7MHz IFのフィルタ、および少数のディスクリート部品しか必要としません。

MAX7031は5mm x 5mmの小型32ピンTQFNパッケージで提供され、自動車用温度範囲(-40℃~+125℃)での動作が保証されています。

アプリケーション

  • 2-Wayリモートキーレスエントリ
  • ガレージ開閉器
  • ホームオートメーション
  • ローカルテレメトリシステム
  • 遠隔制御
  • 遠隔検出
  • セキュリティシステム
  • 煙探知器

MAX7031
分数比PLL付き、低コスト、308MHz、315MHz、および433.92MHz FSKトランシーバ
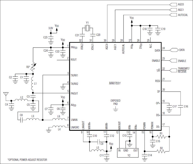
MAX7031:標準アプリケーション回路
myAnalogに追加

myAnalogの製品セクション(通知受け取り)、既存/新規プロジェクトに製品を追加する。

新規プロジェクトを作成
質問する
サポート

アナログ・デバイセズのサポート・ページはアナログ・デバイセズへのあらゆるご質問にお答えするワンストップ・ポータルです。


ドキュメント

さらに詳しく
myAnalogに追加

myAnalogのリソース・セクション、既存/新規プロジェクトにメディアを追加する。

新規プロジェクトを作成

ソフトウェア・リソース

必要なソフトウェア/ドライバが見つかりませんか?

ドライバ/ソフトウェアをリクエスト

ハードウェア・エコシステム

製品モデル 製品ライフサイクル 詳細
RF アナログ・トランシーバ 2
MAX7032 製造中 フラクショナルN PLL付き、低コスト、水晶ベース、プログラム可能なASK/FSKトランシーバ
MAX7030 新規設計に推奨 低コスト、315MHzおよび433.92MHz ASKトランシーバ、フラクショナルN PLL付き
Modal heading
myAnalogに追加

myAnalogの製品セクション(通知受け取り)、既存/新規プロジェクトに製品を追加する。

新規プロジェクトを作成

ツールおよびシミュレーション

最新のディスカッション

MAX7031に関するディスカッションはまだありません。意見を投稿しますか?

EngineerZone®でディスカッションを始める

最近表示した製品