MAX7030

新規設計に推奨

低コスト、315MHzおよび433.92MHz ASKトランシーバ、フラクショナルN PLL付き

利用上の注意

本データシートの英語以外の言語への翻訳はユーザの便宜のために提供されるものであり、リビジョンが古い場合があります。最新の内容については、必ず最新の英語版をご参照ください。

なお、日本語版のデータシートは基本的に「Rev.0」(リビジョン0)で作成されています。そのため、英語版が後に改訂され、複数製品のデータシートがひとつに統一された場合、同じ「Rev.0」の日本語版のデータシートが異なる製品のデータシートとして表示されることがあります。たとえば、「ADM3307E」の場合、日本語データシートをクリックすると「ADM3311E」が表示されます。これは、英語版のデータシートが複数の製品で共有できるように1本化され、「ADM3307E/ADM3310E/ADM3311E/ADM3312E/ADM3315E」(Rev.J)と改訂されたからで、決して誤ってリンクが張られているわけではありません。和文化されたデータシートを少しでも有効に活用していただくためにこのような方法をとっておりますので、ご了解ください。

アナログ・デバイセズ社は、提供する情報が正確で信頼できるものであることを期していますが、その情報の利用に関して、あるいはその利用によって生じる第三者の特許やその他の権利の侵害に関して一切の責任を負いません。また、アナログ・デバイセズ社の特許または特許の権利の使用を明示的または暗示的に許諾するものでもありません。仕様は予告なしに変更する場合があります。本紙記載の商標および登録商標は、各社の所有に属します。

Viewing:

製品情報

  • 単一電源動作:+2.1V~+3.6Vまたは+4.5V~+5.5V
  • 単一水晶トランシーバ
  • 出荷時プリセットの周波数(シリアルインタフェース不要)
  • ASK/OOK変調
  • +10dBmの出力パワーを50Ω負荷に供給
  • TX/RXスイッチ内蔵
  • 送信/受信PLL、VCO、およびループフィルタ内蔵
  • イメージ除去:> 45dB
  • 標準RF感度*:-114dBm
  • 外部フィルタによってIF帯域幅を選択可能
  • 送信モード電流:< 12.5mA
  • 受信モード電流:< 6.7mA
  • シャットダウン電流:< 800nA
  • 高速オン起動性能:< 250µs
  • 小型32ピンTQFNパッケージ

水晶ベースのフラクショナルNトランシーバのMAX7030は、最高33kbps (マンチェスターエンコード)または66kbps (NRZエンコード)のデータレートで315MHzまたは433.92MHzの出荷時プリセットの搬送周波数においてASK/OOKデータを送受信するように設計されています。このデバイスは+10dBmの標準出力パワーを50Ω負荷に生成し、-114dBmの標準感度を示します。MAX7030は独立した送信および受信端子(PAOUTおよびLNAIN)とRFスイッチを内蔵し、このRFスイッチを使って共通アンテナにこれらの送受信端子を接続することができます。

MAX7030の送信周波数は16ビットのフラクショナルN位相ロックループ(PLL)で生成され、またレシーバの局部発振器(LO)は整数N PLLで生成されます。フラクショナルN PLLは受信LOより10.7MHz高くプリセットされるため、このハイブリッドアーキテクチャによって送信と受信の個別水晶基準発振器が不要となります。固定N PLLをレシーバに用いることによって、フラクショナルN PLLの場合に必要となる大きな消費電流が不要になり、レシーバの電流消費を最小限に抑制します。すべての周波数生成用の部品が内蔵されているため、完全アンテナ/デジタルデータソリューションを実装するために、水晶、10.7MHz IFのフィルタ、および少数のディスクリート部品しか必要ありません。

MAX7030は5mm x 5mmの小型32ピンTQFNパッケージで提供され、自動車用温度範囲(-40℃~+125℃)での動作が保証されています。

アプリケーション

  • 2-Wayリモートキーレスエントリ
  • ガレージ開閉器
  • ホームオートメーション
  • ローカルテレメトリシステム
  • 遠隔制御
  • 遠隔検出
  • セキュリティシステム
  • 煙探知器

MAX7030
低コスト、315MHzおよび433.92MHz ASKトランシーバ、フラクショナルN PLL付き
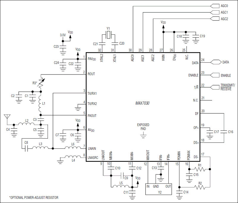
MAX7030:標準アプリケーション回路
myAnalogに追加

myAnalogの製品セクション(通知受け取り)、既存/新規プロジェクトに製品を追加する。

新規プロジェクトを作成
質問する
サポート

アナログ・デバイセズのサポート・ページはアナログ・デバイセズへのあらゆるご質問にお答えするワンストップ・ポータルです。


ドキュメント

さらに詳しく
myAnalogに追加

myAnalogのリソース・セクション、既存/新規プロジェクトにメディアを追加する。

新規プロジェクトを作成

ソフトウェア・リソース

必要なソフトウェア/ドライバが見つかりませんか?

ドライバ/ソフトウェアをリクエスト

ハードウェア・エコシステム

製品モデル 製品ライフサイクル 詳細
RF アナログ・トランシーバ 2
MAX7031 製造中止 分数比PLL付き、低コスト、308MHz、315MHz、および433.92MHz FSKトランシーバ
MAX7032 製造中 フラクショナルN PLL付き、低コスト、水晶ベース、プログラム可能なASK/FSKトランシーバ
Modal heading
myAnalogに追加

myAnalogの製品セクション(通知受け取り)、既存/新規プロジェクトに製品を追加する。

新規プロジェクトを作成

ツールおよびシミュレーション


評価用キット

MAX7030EVKIT-433

MAX7030の評価キット

機能と利点

  • 実証済みプリント基板レイアウト
  • 実証済み部品リスト
  • 複数のテストポイントを基板上に用意
  • 315MHzまたは433.92MHzに最適化されたバージョンが利用可能
  • 345MHz用の変更手順の説明が利用可能
  • 完全実装および試験済み
  • ユーザーが提供するコネクタおよびアンテナによってスタンドアロンレシーバとしての動作が可能

製品詳細

MAX7030の評価キット(EVキット)は、ASKトランシーバのMAX7030の詳細な評価が可能です。この評価キットはデバイスのRF性能のテストを可能にし、追加のサポート回路は不要です。RF入力回路は50ΩソースインピーダンスのRF信号発生器または 50Ω入力インピーダンスのスペクトラムアナライザとの組み合わせで動作するように設計されており、SMAコネクタを備えているため、試験装置との接続に便利です。また、このEVキットはユーザーのエンベデッド設計に直接接続してデータを容易にデコードすることも可能です。

MAX7030のEVキットには、315MHzバージョンと433.92MHzバージョンの2つのバージョンがあります。受動部品はこれらの周波数用に最適化されています。MAX7030 IC自体は、315MHz、345MHz、433.92MHzの3つの周波数で提供されます。EVキットボードの部品を容易に変更して、300MHz~450MHzのRF周波数で動作させることが可能です。

お客様の設計への実装を容易にするために、MAX7030のEVキットは実証済みプリント基板(PCB)レイアウトも備えており、容易に再現して市場投入までの時間を短縮することができます。PCBのガーバーファイルは、www.maximintegrated.com/jp でダウンロードすることができます。

アプリケーション

  • 2-Wayリモートキーレスエントリ
  • ガレージ開閉器
  • ホームオートメーション
  • ローカルテレメトリシステム
  • 遠隔制御
  • 遠隔検出
  • セキュリティシステム
  • 煙探知器

MAX7030EVKIT-315

MAX7030の評価キット

機能と利点

  • 実証済みプリント基板レイアウト
  • 実証済み部品リスト
  • 複数のテストポイントを基板上に用意
  • 315MHzまたは433.92MHzに最適化されたバージョンが利用可能
  • 345MHz用の変更手順の説明が利用可能
  • 完全実装および試験済み
  • ユーザーが提供するコネクタおよびアンテナによってスタンドアロンレシーバとしての動作が可能

製品詳細

MAX7030の評価キット(EVキット)は、ASKトランシーバのMAX7030の詳細な評価が可能です。この評価キットはデバイスのRF性能のテストを可能にし、追加のサポート回路は不要です。RF入力回路は50ΩソースインピーダンスのRF信号発生器または 50Ω入力インピーダンスのスペクトラムアナライザとの組み合わせで動作するように設計されており、SMAコネクタを備えているため、試験装置との接続に便利です。また、このEVキットはユーザーのエンベデッド設計に直接接続してデータを容易にデコードすることも可能です。

MAX7030のEVキットには、315MHzバージョンと433.92MHzバージョンの2つのバージョンがあります。受動部品はこれらの周波数用に最適化されています。MAX7030 IC自体は、315MHz、345MHz、433.92MHzの3つの周波数で提供されます。EVキットボードの部品を容易に変更して、300MHz~450MHzのRF周波数で動作させることが可能です。

お客様の設計への実装を容易にするために、MAX7030のEVキットは実証済みプリント基板(PCB)レイアウトも備えており、容易に再現して市場投入までの時間を短縮することができます。PCBのガーバーファイルは、www.maximintegrated.com/jp でダウンロードすることができます。

アプリケーション

  • 2-Wayリモートキーレスエントリ
  • ガレージ開閉器
  • ホームオートメーション
  • ローカルテレメトリシステム
  • 遠隔制御
  • 遠隔検出
  • セキュリティシステム
  • 煙探知器

MAX7030EVKIT-433
MAX7030の評価キット
MAX7030EVKIT-315
MAX7030の評価キット

最新のディスカッション

MAX7030に関するディスカッションはまだありません。意見を投稿しますか?

EngineerZone®でディスカッションを始める

最近表示した製品