MAX2077

新規設計には非推奨

オクタルチャネル(8回路)超音波フロントエンド

画期的な性能レベルの、多チャネル、カートベースおよびポータブル超音波画像処理機器

利用上の注意

本データシートの英語以外の言語への翻訳はユーザの便宜のために提供されるものであり、リビジョンが古い場合があります。最新の内容については、必ず最新の英語版をご参照ください。

なお、日本語版のデータシートは基本的に「Rev.0」(リビジョン0)で作成されています。そのため、英語版が後に改訂され、複数製品のデータシートがひとつに統一された場合、同じ「Rev.0」の日本語版のデータシートが異なる製品のデータシートとして表示されることがあります。たとえば、「ADM3307E」の場合、日本語データシートをクリックすると「ADM3311E」が表示されます。これは、英語版のデータシートが複数の製品で共有できるように1本化され、「ADM3307E/ADM3310E/ADM3311E/ADM3312E/ADM3315E」(Rev.J)と改訂されたからで、決して誤ってリンクが張られているわけではありません。和文化されたデータシートを少しでも有効に活用していただくためにこのような方法をとっておりますので、ご了解ください。

アナログ・デバイセズ社は、提供する情報が正確で信頼できるものであることを期していますが、その情報の利用に関して、あるいはその利用によって生じる第三者の特許やその他の権利の侵害に関して一切の責任を負いません。また、アナログ・デバイセズ社の特許または特許の権利の使用を明示的または暗示的に許諾するものでもありません。仕様は予告なしに変更する場合があります。本紙記載の商標および登録商標は、各社の所有に属します。

Viewing:

製品情報

  • 小型、8mm x 8mmの56ピンまたは10mm x 10mmの68ピンTQFNパッケージにLNA、VGA、およびAAFのフルチャネルを8回路実装
  • フルチャネルの超低雑音指数:2.4dB (RIN = RS = 200Ωの場合)
  • 5MHz、20dBの利得で23nV/の低出力換算ノイズをにより、広帯域SNRは68dB*と高く、優れた第2高調波イメージングを実現
  • ハイクラッタ環境での優れた低速PWおよびカラーフロードップラ感度を実現する、5MHzから1kHzのオフセット、1VP-P出力信号、および20dBの利得で140dBc/Hzという高い近接キャリアSNR
  • フルチャネル(LNA、VGA、およびAAF)当り64.8mWの超低電力ノーマルイメージングモード
  • 選択可能なアクティブ入力インピーダンス整合:50Ω、100Ω、200Ω、および1kΩ
  • 高LNA利得モードで330mVP-Pおよび低LNA利得モードで550mVP-Pの広い入力電圧範囲
  • 内蔵の選択可能な3極バターワースAAF:9MHz、10MHz、15MHz、および18MHz
  • 2µs以下の高速回復のローパワーモード
  • CWドップラを備えた超音波フロントエンドのMAX2078 (MAX2077の68ピンパッケージバージョン)とピン互換

オクタルチャネル超音波フロントエンドのMAX2077は、全機能内蔵、バイポーラ、高密度、オクタルチャネルの超音波レシーバで、低コスト、多チャネル、高性能のポータブル式およびカート式の超音波システムに最適化されています。使いやすいこのICは、スペースと消費電力を大幅に削減してハイエンドの2DおよびPW画像処理能力を実現することができます。ローノイズアンプ(LNA)、可変利得アンプ(VGA)、およびアンチエイリアスフィルタ(AAF)などの超小型画像処理レシーバのラインアップによって、チャネル当り64.8mWの低い消費電力で、RS = RIN = 200Ωの場合、2.4dBの超低雑音指数を達成します。完全な画像処理レシーバチャネルは、-64dBFSの第2高調波画像処理性能で第2高調波でのイメージングに最適化されており、5MHz出力信号は1VP-Pで、20dBゲインでの広帯域SNRは68dB以上*になります。また、バイポーラのフロントエンドは、優れた低速PWおよびカラーフロードップラ感度となるように最適化されており、1VP-Pの5MHz出力クラッタ信号から1kHzのオフセットで140dBc/Hzという非常に優れた近接キャリアSNRを実現します。

オクタルチャネル超音波フロントエンドのMAX2077は、エクスポーズドパッドを備えた、小型8mm x 8mm、56ピンTQFNまたは10mm x 10mmの68ピンTQFNパッケージで提供され、0℃~+70℃の温度範囲での動作が保証されています。CWドップラ機能を追加するためには、MAX2077の置換品としてMAX2078を使用してください。

アプリケーション

  • 医療用超音波画像
  • ソナー

MAX2077
オクタルチャネル(8回路)超音波フロントエンド
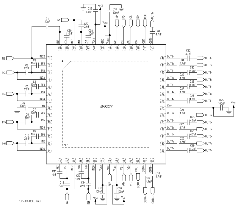
MAX2077:標準アプリケーション回路
myAnalogに追加

myAnalogの製品セクション(通知受け取り)、既存/新規プロジェクトに製品を追加する。

新規プロジェクトを作成
質問する
サポート

アナログ・デバイセズのサポート・ページはアナログ・デバイセズへのあらゆるご質問にお答えするワンストップ・ポータルです。


ドキュメント

さらに詳しく
myAnalogに追加

myAnalogのリソース・セクション、既存/新規プロジェクトにメディアを追加する。

新規プロジェクトを作成

ソフトウェア・リソース

必要なソフトウェア/ドライバが見つかりませんか?

ドライバ/ソフトウェアをリクエスト

ハードウェア・エコシステム

製品モデル 製品ライフサイクル 詳細
A/Dコンバータ(ADC) 15
MAX1192 製造中 超低電力、22Msps、デュアル8ビットADC
MAX1193 製造中 超低電力、45Msps、デュアル8ビットADC
MAX1444 最終販売 リファレンス内蔵、10ビット、40Msps、3.0V、低電力ADC
MAX1446 最終販売 10ビット、60Msps、3.0V、リファレンス内蔵、低電力ADC
MAX1186 製造中 デュアル、10ビット、40Msps、3V、低電力ADC、内部リファレンスおよび多重パラレル出力付
MAX1183 製造中 内部リファレンスおよびパラレル出力付き、デュアル、10ビット、40Msps、3V、低電力ADC
MAX1182 製造中 リファレンス内蔵、パラレル出力、デュアル10ビット、65Msps、+3V、低電力ADC
MAX1181 製造中 リファレンス内蔵、パラレル出力、デュアル10ビット、80Msps、3V、低電力ADC
MAX1127 製造中 クワッド、12ビット、65Msps、1.8V ADC、シリアルLVDS出力付
MAX1126 製造中 シリアルLVDS出力付き、クワッド、12ビット、40Msps、1.8V ADC
MAX1438 製造中 シリアルLVDS出力付き、オクタル(8回路)、12ビット、65Msps、1.8V ADC
MAX1437 製造中止 シリアルLVDS出力付き、オクタル(8回路)、12ビット、50Msps、1.8V ADC
MAX1436 製造中止 シリアルLVDS出力付き、オクタル(8回路)、12ビット、40Msps、1.8V ADC
MAX1434 製造中 シリアルLVDS出力付き、オクタル(8回路)、10ビット、50Msps、1.8V ADC
MAX1437B 製造中 シリアルLVDS出力、オクタル(8回路)、12ビット、50Msps、1.8V ADC
アンプベースのフロント・エンド 1
MAX2078 新規設計には非推奨 CWドップラーミキサ内蔵、オクタルチャネル(8回路)超音波フロントエンド
ビームフォーマ & ベクトル変調器 2
MAX2038 製造中止 CWオクタル(8回路)ミキサ内蔵、超音波VGA
MAX2036 製造中止 CWオクタル(8回路)ミキサ内蔵、超音波VGA
ロー・ノイズ・アンプ(LNA)&パワー・アンプ 1
MAX2034 製造中止 デジタル設定可能な入力インピーダンス付き、クワッドチャネル、超低ノイズアンプ
可変ゲイン・アンプ(VGA) 2
MAX2035 製造中止 超音波可変利得アンプ
MAX2037 製造中止 超音波可変利得アンプ
Modal heading
myAnalogに追加

myAnalogの製品セクション(通知受け取り)、既存/新規プロジェクトに製品を追加する。

新規プロジェクトを作成

最新のディスカッション

最近表示した製品