MAX1126

製造中

シリアルLVDS出力付き、クワッド、12ビット、40Msps、1.8V ADC

40Msps~65Msps、クワッド、12ビットLVDS ADCファミリが超低電力を提供

利用上の注意

本データシートの英語以外の言語への翻訳はユーザの便宜のために提供されるものであり、リビジョンが古い場合があります。最新の内容については、必ず最新の英語版をご参照ください。

なお、日本語版のデータシートは基本的に「Rev.0」(リビジョン0)で作成されています。そのため、英語版が後に改訂され、複数製品のデータシートがひとつに統一された場合、同じ「Rev.0」の日本語版のデータシートが異なる製品のデータシートとして表示されることがあります。たとえば、「ADM3307E」の場合、日本語データシートをクリックすると「ADM3311E」が表示されます。これは、英語版のデータシートが複数の製品で共有できるように1本化され、「ADM3307E/ADM3310E/ADM3311E/ADM3312E/ADM3315E」(Rev.J)と改訂されたからで、決して誤ってリンクが張られているわけではありません。和文化されたデータシートを少しでも有効に活用していただくためにこのような方法をとっておりますので、ご了解ください。

アナログ・デバイセズ社は、提供する情報が正確で信頼できるものであることを期していますが、その情報の利用に関して、あるいはその利用によって生じる第三者の特許やその他の権利の侵害に関して一切の責任を負いません。また、アナログ・デバイセズ社の特許または特許の権利の使用を明示的または暗示的に許諾するものでもありません。仕様は予告なしに変更する場合があります。本紙記載の商標および登録商標は、各社の所有に属します。

Viewing:

製品情報

  • シリアルLVDS/SLVS出力付きの4チャネルADC
  • 優れたダイナミック性能
    • SNR:69.9dB (fIN = 5.3MHzの場合)
    • SFDR:93.7dBc (fIN = 5.3MHzの場合)
    • チャネルアイソレーション:-90dB
  • 超低電力
    • チャネル当り135mW (通常動作時)
    • 総電力1.5mW (シャットダウンモード時)
  • 20%~80%のクロックデューティサイクルで動作可能
  • データ出力インタフェースに対する自己整列データクロック
  • 完全差動アナログ入力
  • 広い差動入力電圧範囲:±1.4VP-P
  • 内部または外部リファレンスを選択可能
  • ディジタル信号完全性に対するテストモード
  • LVDS出力が最大30インチのFR-4バックプレーン接続をサポート
  • エクスポーズドパッド付き小型68ピンQFNパッケージ
  • 評価キット入手可能(MAX1127EVKIT)

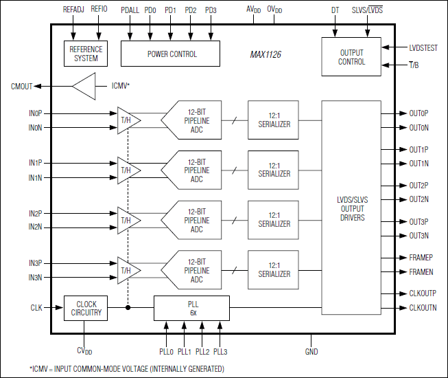
MAX1126はクワッド、12ビット、アナログ-ディジタルコンバータ(ADC)で、完全差動入力、パイプラインアー キテクチャ、およびディジタルエラー補正を備えています。このADCは、医療用画像処理、通信、および計測アプリケーションにおいて低電力、高ダイナミック性能を発揮するように最適化されています。MAX1126は、1.7V~1.9Vの単一電源で動作し、消費電力はわずか563mWで、5.3MHzの入力周波数で69.9dBの信号対ノイズ比(SNR)を実現しています。MAX1126は、低動作電力に加えて、アイドル時に813µAのパワーダウンモードになります。

1.24Vの高精度内部バンドギャップリファレンスによって、ADCのフルスケール範囲が設定されます。リフ ァレンス構造がフレキシブルであるため、高い精度や異なった入力電圧範囲が必要なアプリケーション用に外部リファレンスを使用することができます。

シングルエンドクロックが変換プロセスを制御します。内蔵デューティサイクルイコライザによって、入力クロックデューティサイクルの幅広い変動に対する動作が可能です。内蔵フェーズロックループ(PLL)は、高速のシリアル低電圧差動信号(LVDS)クロックを生成します。

MAX1126は、データ、クロックおよびフレームアライメントの各信号をシリアルLVDSとして出力します。出力データは2の補数またはバイナリ形式で提供されます。

MAX1126のピンコンパチブル65Mspsバージョンについては、MAX1127のデータシートを参照してください。

MAX1126は、10mm x 10mm x 0.9mmのエクスポーズドパッド付き小型68ピンQFNパッケージで提供され、工業用拡張温度範囲(-40℃~+85℃)での動作が保証されています。

アプリケーション

  • 計測
  • マルチチャネル通信システム
  • PET (陽電子放出断層撮影)画像処理
  • 超音波および医療用画像化

MAX1126
シリアルLVDS出力付き、クワッド、12ビット、40Msps、1.8V ADC
MAX1126:ファンクションダイアグラム
myAnalogに追加

myAnalogの製品セクション(通知受け取り)、既存/新規プロジェクトに製品を追加する。

新規プロジェクトを作成
質問する
サポート

アナログ・デバイセズのサポート・ページはアナログ・デバイセズへのあらゆるご質問にお答えするワンストップ・ポータルです。


ドキュメント

さらに詳しく
myAnalogに追加

myAnalogのリソース・セクション、既存/新規プロジェクトにメディアを追加する。

新規プロジェクトを作成

ソフトウェア・リソース

必要なソフトウェア/ドライバが見つかりませんか?

ドライバ/ソフトウェアをリクエスト

ハードウェア・エコシステム

製品モデル 製品ライフサイクル 詳細
A/Dコンバータ(ADC) 1
MAX1127 製造中 クワッド、12ビット、65Msps、1.8V ADC、シリアルLVDS出力付
Modal heading
myAnalogに追加

myAnalogの製品セクション(通知受け取り)、既存/新規プロジェクトに製品を追加する。

新規プロジェクトを作成

ツールおよびシミュレーション


評価用キット

MAX1127EVKIT

MAX1126およびMAX1127の評価キット

機能と利点

  • 最高65Mspsのサンプリングレート(MAX1127)
  • 低電圧/低電力動作
  • オプションのクロック整形回路を搭載
  • シリアルSLVS/LVDS出力
  • LVPECL差動出力ドライバを搭載
  • デシリアライザ実装
  • LVDSテストモード
  • 実装および試験済み
  • MAX1126も評価可能

製品詳細

MAX1127の評価キット(EVキット)は完全実装および試験済みの回路ボードで、クワッド、12ビット、アナログ-ディジタルコンバータ(ADC)のMAX1126/MAX1127の性能評価に必要な全部品を実装しています。MAX1126/MAX1127は、差動アナログ入力信号を受け付けます。このEVキットは、ユーザが用意するシングルエンド入力ソースからこれらの信号を生成します。ユーザが用意する高速ロジックアナライザやデータ収集システムによって、ADCが生成するディジタル出力を容易にサンプリングすることができます。また、このEVキットは、標準ロジック分析システムとの統合を簡素化するデシリアライザも実装しています。このEVキットは1.8Vおよび3.3V (オプションのFPGAの場合は1.5Vも)の電源で動作し、ユーザが用意するAC信号からクロック信号を生成する回路を内蔵しています。このEVキットには、MAX1127が実装されています。ピンコンパチブルのMAX1126を評価するためにはその無料サンプルをお求めください。

アプリケーション

  • 計測
  • マルチチャネル通信システム
  • PET (陽電子放出断層撮影)画像処理
  • 超音波および医療用画像化

MAX1127EVKIT
MAX1126およびMAX1127の評価キット

最新のディスカッション

MAX1126に関するディスカッションはまだありません。意見を投稿しますか?

EngineerZone®でディスカッションを始める

最近表示した製品