LTC3129-1

新規設計に推奨

静止電流が1.3μAの15V、200mA同期整流式昇降圧DC/DCコンバータ

利用上の注意

本データシートの英語以外の言語への翻訳はユーザの便宜のために提供されるものであり、リビジョンが古い場合があります。最新の内容については、必ず最新の英語版をご参照ください。

なお、日本語版のデータシートは基本的に「Rev.0」(リビジョン0)で作成されています。そのため、英語版が後に改訂され、複数製品のデータシートがひとつに統一された場合、同じ「Rev.0」の日本語版のデータシートが異なる製品のデータシートとして表示されることがあります。たとえば、「ADM3307E」の場合、日本語データシートをクリックすると「ADM3311E」が表示されます。これは、英語版のデータシートが複数の製品で共有できるように1本化され、「ADM3307E/ADM3310E/ADM3311E/ADM3312E/ADM3315E」(Rev.J)と改訂されたからで、決して誤ってリンクが張られているわけではありません。和文化されたデータシートを少しでも有効に活用していただくためにこのような方法をとっておりますので、ご了解ください。

アナログ・デバイセズ社は、提供する情報が正確で信頼できるものであることを期していますが、その情報の利用に関して、あるいはその利用によって生じる第三者の特許やその他の権利の侵害に関して一切の責任を負いません。また、アナログ・デバイセズ社の特許または特許の権利の使用を明示的または暗示的に許諾するものでもありません。仕様は予告なしに変更する場合があります。本紙記載の商標および登録商標は、各社の所有に属します。

Viewing:

製品情報

  • 入力電圧より高い、低い、または等しい出力電圧を安定化
  • 広い入力電圧範囲:2.42V~15V、起動後は1.92V~15V(ブートストラップ構成)
  • 2.5Vから15Vまでのユーザが選択可能な8つの設定値を持つ固定出力電圧
  • 降圧モードでの出力電流:200mA
  • 単一インダクタ構成
  • 静止電流:1.3μA
  • プログラム可能な最大電力点制御
  • 1.2MHzの超低ノイズPWM
  • 電流モード制御
  • ピンで選択可能なBurst Mode®動作
  • 効率:最大95%
  • 高精度のRUNピンしきい値
  • パワーグッド・インジケータ
  • シャットダウン時電流:10nA
  • 熱特性の改善された3mm × 3mmのQFNパッケージおよび16ピンMSOPパッケージ

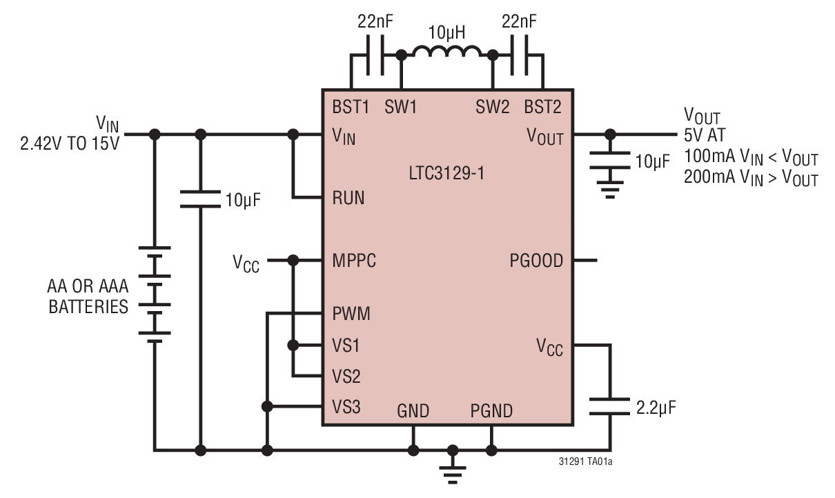
LTC3129-1は、入力電圧および出力電圧範囲の広い高効率200mA昇降圧DC/DCコンバータです。このデバイスは、レギュレータのターンオンを予測可能にする高精度のRUNピンしきい値と、太陽電池パネルなどの理想的ではない電源から最大の電力を確実に抽出する最大電力点制御(MPPC)機能を内蔵しています。

LTC3129-1は、超低ノイズの1.2MHz PWMスイッチング・アーキテクチャを採用しています。このアーキテクチャでは、小型で高さの低いインダクタおよびセラミック・コンデンサを使用できるようにすることで、ソリューションの実装面積を最小限に抑えています。ループ補償回路およびソフトスタート回路を内蔵しているので、設計が簡単です。軽負荷時に高い効率で動作させるため、自動Burst Mode動作を選択して、静止電流をわずか1.3μAに減少させることができます。部品点数をさらに削減して軽負荷時の効率を改善するため、LTC3129-1は8つの選択可能な固定出力電圧を実現する分圧器を内蔵しています。

その他の機能は、パワーグッド出力、10nA未満のシャットダウン時電流、サーマル・シャットダウンなどです。

LTC3129-1は、熱特性の改善された3mm × 3mmのQFNパッケージおよび16ピンMSOPパッケージで供給されます。調整可能な出力電圧については、機能的に同等なLTC3129を参照してください。

Output Voltage
LTC3129 Adjustable 1.4V to 15.75V via resistor divider
LTC3129-1 8 pin programmable output voltages from 2.5V to 15V

アプリケーション

  • 産業用無線センサ・ノード
  • 環境発電用のポスト・レギュレータ
  • 太陽電池パネルのポスト・レギュレータ/ 充電器
  • 本質安全電源
  • 無線マイクロホン
  • 航空電子工学グレードの無線ヘッドセット

LTC3129-1
静止電流が1.3μAの15V、200mA同期整流式昇降圧DC/DCコンバータ
Efficiency and Power Loss vs Load Product Package 1 Product Package 2
myAnalogに追加

myAnalogの製品セクション(通知受け取り)、既存/新規プロジェクトに製品を追加する。

新規プロジェクトを作成
質問する
サポート

アナログ・デバイセズのサポート・ページはアナログ・デバイセズへのあらゆるご質問にお答えするワンストップ・ポータルです。


ドキュメント

データシート

これは最新改訂バージョンのデータシートです。

さらに詳しく
myAnalogに追加

myAnalogのリソース・セクション、既存/新規プロジェクトにメディアを追加する。

新規プロジェクトを作成

ソフトウェア・リソース

必要なソフトウェア/ドライバが見つかりませんか?

ドライバ/ソフトウェアをリクエスト

ハードウェア・エコシステム

製品モデル 製品ライフサイクル 詳細
保護スイッチ & コントローラ 2
LTC4417 新規設計に推奨 優先順位付け PowerPath コントローラ
LTC4365 新規設計に推奨 低電圧、過電圧および逆電源保護コントローラ
Modal heading
myAnalogに追加

myAnalogの製品セクション(通知受け取り)、既存/新規プロジェクトに製品を追加する。

新規プロジェクトを作成

ツールおよびシミュレーション

LTspice 2


下記製品はLTspiceで使用することが出来ます。:

  • LTC3129
  • LTC3129-1
LTspice

LTspice®は、無料で提供される強力で高速な回路シミュレータと回路図入力、波形ビューワに改善を加え、アナログ回路のシミュレーションを容易にするためのモデルを搭載しています。

 


評価用キット

eval board
DC1923A

LTC3129-1 Demo Board | 2.42V to 15V Input, 5VOUT at 200mA

製品詳細

Demonstration circuit 1923A features the LTC3129-1, a high efficiency 200mA output buck-boost DC/DC converter with a wide VIN and VOUT range. The DC1923A operates with a 2.42V to 15V input voltage range, and has been designed with the output voltage set to 5V. The demo board can be programmed to any of eight voltage settings (2.5V, 3.3V, 4.1V, 5V, 6.9V, 8.2V, 12V, 15V) by using jumpers.


 


DC1923A
LTC3129-1 Demo Board | 2.42V to 15V Input, 5VOUT at 200mA
DC1923A Demo Board DC1923A Demo Board DC1923A Demo Board DC1923A Demo Board DC1923A - Schematic

リファレンス・デザイン

CN0600
Weigh Scale Design Using the AD4190-4, Low Noise, Precision, 24-Bit Σ-Δ ADC with Internal PGA
Figure 1. Weigh Scale System Using the AD4190-4 (Simplified Schematic: All Connections Not Shown)

最新のディスカッション

LTC3129-1に関するディスカッションはまだありません。意見を投稿しますか?

EngineerZone®でディスカッションを始める

最近表示した製品