概要
設計リソース
デバイス・ドライバ
コンポーネントのデジタル・インターフェースとを介して通信するために使用されるCコードやFPGAコードなどのソフトウェアです。
参考資料
回路機能とその特長
This reference design is a weigh scale system that uses the AD4190-4, a low-noise, 24-bit Σ-Δ analog-to-digital converter (ADC) optimized for high precision measurement applications.
The circuit shown in Figure 1 uses a 6-wire load cell with a sensitivity of 2mV/V and a resistance of 350Ω, but it can also support a load cell with a higher sensitivity and resistance.
The AD4190-4 can achieve high resolution, low noise performance, as well as high 50Hz and 60Hz rejection, suitable for an industrial weigh scale system. The typical peak-to-peak resolution of the system is 14.9mg (17 bits), for the Sinc3 filter selected, at an output data rate of 3.87SPS.
The AD4190-4 simplifies the design while reducing cost by integrating most of the building blocks required to support weigh scale systems. It includes a programmable gain amplifier (PGA) to amplify the output from the load cell, allowing direct interfacing of the load cell to the ADC.
The ADC also includes an extensive diagnostic function as part of its comprehensive feature set. This functionality can be used to check that the voltage level on the analog pins is within the specified operating range. The device also includes a cyclic redundancy check (CRC) on the serial peripheral interface (SPI) and performs signal chain checks, enabling the development of a more robust system. These diagnostics reduce the need for external components to implement diagnostics, resulting in a smaller solution size, reduced design cycle times, and cost savings.
回路説明
LOAD CELL INTRODUCTION
A load cell is a sensor used to measure force or weight. It operates based on strain gauge technology, where mechanical deformation is converted into an electrical signal that can be processed for precise measurement.
To achieve accurate force detection, bridge circuits such as the Wheatstone bridge are commonly employed. A Wheatstone bridge measures the value of an unknown resistance and is widely used in strain-gauge sensors made from foil, thin film, or thick film materials. When force is applied to a strain gauge, the material undergoes deformation: tension stretches the foil or film, increasing resistance, while compression shortens the foil or film, decreasing the resistance.
A load cell integrates these strain gauges in a bridge configuration. Typical load cells have a sensitivity of 0.5mV/V to 2mV/V with a nominal resistance of 180Ω to 1000Ω. For this circuit note, a load cell with a sensitivity of 2mV/V and a nominal resistance of 350Ω is used. By applying an excitation voltage to the Wheatstone bridge, the gauge’s strain-induced resistance changes proportionally to the differential voltage measured across the OUT+ and OUT-. The Wheatstone bridge converts the gauge’s strain-induced resistance changes into a differential voltage.
Load cells can be 4-wire or 6-wire. A 4-wire connection has simpler connection compared to a 6-wire connection. However, lead resistance introduces errors in the ADC measurement due to voltage drop. Thus, a 4-wire connection may be used when lead wires are short, minimizing lead resistance effects on accuracy. The resistance of long wire lengths can be compensated using a 6-wire connection with the addition of two wires that connect to the top and bottom of the bridge so that the system senses the actual excitation voltage at the bridge terminals. Therefore, a 6-wire connection results in a better performance.
LOAD CELL MEASUREMENT
To accurately perform a load cell measurement, an excitation voltage is applied to the EXC± wires of the load cell. With the application of the excitation, the strain-induced resistance in the bridge produces a differential voltage across the OUT+ and OUTpins of the load cell. The produced differential voltage is a low-level voltage that can then be amplified by the on-chip PGA of the ADC and is then converted to a precision digital representation using the 24-bit Σ-Δ ADC. Load cell measurements require a ratiometric configuration. In a ratiometric configuration, the ADC reference and the excitation of the load cell are derived from the same source. If the excitation source changes magnitude, the load cell output and the ADC reference scale by a similar amount, so the variation in the excitation source does not impact the accuracy of the measurement.
With the load cell connected to the ADC, system offset and system full scale calibrations are required to remove offset/gain errors of the load cell, along with ADC offset/gain errors.
The AD4190-4 supports system offset and system full scale calibrations. However, for system full scale calibrations, the ADC requires the applied full scale signal to be at least 80% of the ADC's full scale value. The full scale signal from the load cell does not meet this requirement, so in this circuit note, both system offset and system full scale calibrations were implemented using the microcontroller. To calibrate, first, without applying any weight to the load cell, perform a system zero-scale calibration by performing a conversion. The conversion result is equivalent to the zero weight applied to the load cell or TARE. Then, perform a system full scale calibration by applying the full scale weight to the load cell and performing a conversion. This generates the conversion result relative to the full scale weight applied.
Use Equation 1 to get the actual weight of the load in grams:

where:
Load is the applied weight in grams.
Code is the ADC output code.
FS Weight is the applied full scale weight in grams.
FS Code is the full scale calibrated code.
ZS Code is the zero scale calibrated code.
As an example, the code read back from the AD4190-4 is configured in unipolar mode, and the applied load is 1000 grams; the ADC output code is equivalent to 2246784. The calibrated zero scale code is 173182, while the calibrated full scale code is 4320386 for a full scale weight of 2000g.
First, convert the code to its equivalent decimal value.
- CODE = 0x224880 or 2246784 in decimal
- FS WEIGHT = 2000g
- FS CODE = 0x41EC82 or 4320386 in decimal
- ZS CODE = 0x02A47E or 173182 in decimal

LOAD CELL DESIGN CONSIDERATIONS
The following sections describe the general guidelines in designing circuit components and setting the required operation of the load cell measurement circuit shown in Figure 1.
The Load Cell Wiring Configuration section covers the circuit techniques and connections. All considerations and calculations used for each circuit configuration are available in this section.
ADC
Along with the load cell specification, the accuracy of the system depends on the performance of the ADC. The AD4190-4 provides an integrated solution for load cell measurement. This device can achieve high resolution, low nonlinearity, and low noise performance, as well as 50Hz and 60Hz rejection. The AD4190-4 consists of reference buffers, a low-noise PGA that amplifies the small signal from the load cell, thus allowing direct interface with the load cell and minimizing the required external circuitry.
POWER SUPPLIES
The AD4190-4 has separate analog and digital power supplies. The digital power supply, IOVDD, is independent of the analog power supply and can be from 1.7V to 5.25V referenced to DGND. There are several methods to power the weigh scale system. It can be powered from a main power supply, battery powered, or powered from the microcontroller as shown in Figure 1.
The circuit shown in Figure 1 operates from a single 5V supply from the microcontroller. Therefore, AVSS and DGND are tied together, allowing the use of a single ground plane. The AVDD and IOVDD voltages are generated separately.
To ensure a low-noise supply for the AD4190-4 and the load cell, low-noise regulators are used. The LTC1962-5 low-noise LDO regulator provides a clean 5V for the AVDD, while the LTC1962-3.3 generates the 3.3V for IOVDD.
An LTC3129-1 synchronous buck-boost converter is added to provide the voltage input to the two low-noise LDO regulators. The LTC3129-1 ensures a stable and regulated 5V output even under conditions where the microcontroller's 5V supply fluctuates or drops below 5V. This buck-boost converter, combined with the LTC1962 regulators, improves overall system reliability.
ANALOG INPUTS AND GAIN SELECTION
Load cell sensors typically produce very small electrical signals and must be amplified by a low noise gain stage to be accurately measured. The output voltage of a load cell depends on its sensitivity and the excitation voltage used. For this reference design, a load cell with 2mV/V sensitivity and 5V excitation is used, resulting in a full-scale voltage of 10mV. The AD4190-4 consists of an on-chip, low noise PGA that amplifies the small signal from the load cell with a programmable gain from 1 to 128, thus allowing direct interface with the load cell. The gain stage has high input impedance and limits the input leakage current to 2nA typical for the gain of 128.
To ensure that the maximum range of the AD4190-4 is used, the PGA gain is programmed to a gain of 128. The PGA amplifies the maximum load cell output voltage to 1.28V.
REFERENCE AND REFERENCE BUFFER
For the circuit shown in Figure 1, the reference inputs used are REFIN1+ and REFIN1-. The 5V excitation voltage excites the load cell, along with providing the reference for the ADC. The reference voltage is then ratiometric to the load cell output voltage. Therefore, any variations seen in the excitation voltage are removed.
The reference is continuously sampled by a switched capacitor. Large RC values on the reference inputs can cause gain errors in measurements. Enabling the internal reference buffers allows a wide range of resistor values or EMC filtering without adding any error. The AD4190-4 includes rail-to-rail buffers, so no headroom is required for correct operation.
POWER DOWN SWITCH
Load cells consume significant current; as an example, a 350Ω load cell requires 14.3mA of current when excited with a 5V supply. The AD4190-4 includes two bridge power-down switches that can be used to disconnect the bridge when not being used to reduce the current consumption of the system. The GPIO pins, namely GPIO0 and GPIO1, can be configured as power down switches PDSW0 and PDSW1, respectively. Each switch can withstand 25mA, typical of continuous current, and has an ON resistance of 10Ω, typical. In this design, the PDSW1 is used. Note that the ON resistance of the power down switch produces a voltage drop. However, this does not affect the ratio of the ADC reference voltage to the load cell output voltage, so it does not impact the accuracy of the measurement.
DIGITAL AND ANALOG FILTERING
Although most of the building blocks for a load cell application are already integrated in the AD4190-4, external components such as an anti-alias filter and capacitors are required. The AD4190-4 requires an external RC anti-aliasing filter. The anti-alias filter is required to reject any interference at the modulator frequency and any multiples of this frequency.
To get a high-precision measurement from the load cell, it is also important that the load cell noise and accuracy dominate the overall system error. Noise can impact the system accuracy because it limits the smallest possible change in the signal level of the sensor that the ADC can recognize, and therefore directly impacts the resolution of the system. It may also have an impact when performing calibration, and accurate and repeatable measurement results are required. Thus, it is important that the ADC resolution and noise performance are better than the load cell's noise and resolution.
The AD4190-4 offers a great deal of flexibility in the digital filter and has several filter options available, and each filter option selected affects the output data rate, settling time, as well as 50Hz and 60Hz rejection. In this circuit note, the Sinc3 filter is used because it is the best choice for single-channel noise performance at lower output data rates.
CALIBRATION
The AD4190-4 provides different calibrations, including internal and system calibration, that can eliminate offset and gain errors. However, for load cell applications, the load cell itself has its offset and gain errors, so internal calibrations will not be necessary, but system calibration must be performed. As discussed previously in the Load Cell Measurement section, the system calibration is performed in the microcontroller as the load cell's full scale signal is less than the ADC's input requirement of 80% of the ADC's full scale signal. The AD4190-4 ACE plugin includes a demo mode that allows system zero-scale and full-scale calibration of the load cell through the microcontroller.
LOAD CELL WIRING CONFIGURATION
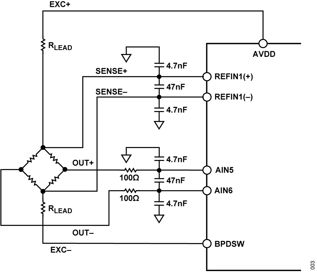
A load cell can be 4-wire or 6-wire. For this circuit note, the 6-wire bridge configuration is used for best accuracy.
4-WIRE LOAD CELL CONFIGURATION
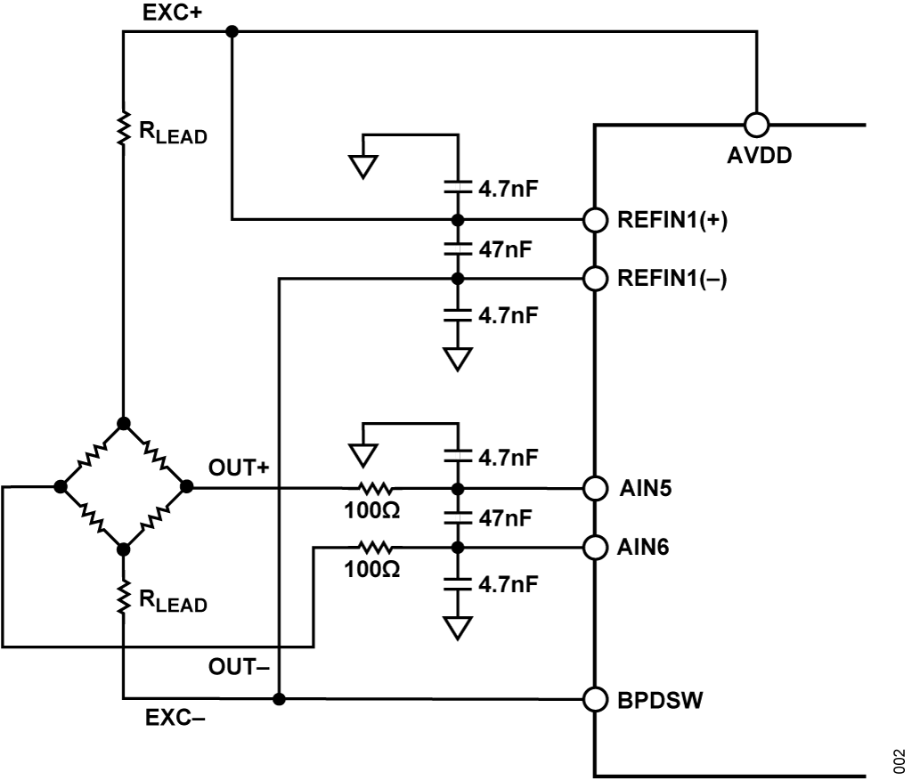
A 4-wire load cell connection requires two pins for excitation and two pins for measurement. The ADC measures the differential bridge output voltage. As depicted in Figure 2, the 4-wire configuration provides simpler connectivity suitable for basic measurement. However, when the excitation wires have long leads, their resistance increases, introducing errors in the ADC measurement due to voltage drops along the wires.
6-WIRE LOAD CELL CONFIGURATION
A 6-wire load cell connection improves measurement accuracy by eliminating lead resistance errors. This is achieved by adding 2 additional wires that connect to the top and bottom of the bridge (SENSE± wires), allowing the system to accurately measure the actual voltage at the bridge terminals. Although this configuration enhances measurement accuracy, it also requires a more complex connection compared to a 4-wire configuration.
Figure 3 shows how to connect a 6-wire bridge configuration with the AD4190-4. For a 6-wire bridge configuration, two analog input pins from the AD4190-4 are used, namely AIN5 and AIN6. The AIN5 and AIN6 are configured as a fully differential input channel and are used for sensing the output voltage from the load cell. The voltage excitation used to excite the load cell is generated by the LTC1962-5 and provides the 5V supply for AVDD. The SENSE± wires of the load cell are connected to the REFIN1+ and REF1- pins of the AD4190-4, thereby removing errors due to the lead resistance.
The AD4190-4 configuration for the 6-wire bridge measure is as follows:
- Differential input:
- AIN+ = AIN5
- AIN- = AIN6
- Excitation Voltage: AVDD = 5V
- Reference Buffers: Full Buffer
- Data Output Coding: Bipolar
- Power Down Switch: Enable GPIO1 to AVSS
- Gain = 128
- Load = 1kg
- Digital filtering (Sinc3, 3.87SPS)
The selection of the reference, gain, and digital filtering was based on the Load Cell Design Considerations section.
With the PGA enabled, the analog input buffers are automatically enabled. The PGA allows amplification of the output signals of the load cell. The reference buffers are also enabled to allow large RC values without adding any errors.
6-Wire Bridge Results
For the load cell circuit shown in Figure 3, data was gathered using a Sinc3 digital filter with an output data rate of 3.87SPS (FILTER_FS = 65532).
Figure 4 shows the noise distribution of the system with a 1kg load applied. The measured output performance of the system for 500 conversions gathered has a typical peak-to-peak noise of 74.512nV. The number of noise-free counts is equal to

The resolution in grams is, therefore, equal to

The noise-free resolution is equal to

バリエーション回路
In addition to voltage excitation, current excitation can also be used. A ratiometric configuration is still necessary to cancel any errors or variations in the excitation current. Using current excitation ensures that the same current flows through the load cell, making the measurement less sensitive to variations in lead wire resistance. Moreover, current excitation improves the linearity, as the load cell's output voltage becomes directly proportional to its resistance.
The AD4190-4 has several programmable excitation currents that can be made available in the analog inputs or the GPIO pins. However, it is important to note that these internal current sources have output compliance, which requires headroom to supply the specified current. The output compliance voltage also sets an upper limit to the load cell's output voltage.
This circuit note is also applicable to the AD4195-4, which shares similar integrated, extensive diagnostics and comprehensive feature sets of the AD4190-4.
回路の評価とテスト
EQUIPMENT NEEDED
The following equipment is required for the load cell measurement system:
- The EVAL-AD4190-4ARDZ evaluation board
- The EVAL-SDP-CK1Z system demonstration platform (SDP)
- The ACE software
- A power supply that is USB powered
- A load cell
- A PC running Windows® with a USB 2.0 port
SOFTWARE INSTALLATION
A complete software user guide for the AD4190-4 and the EVALSDP- CK1Z can be found in the EVAL-AD4190-4 User Guide and the SDP User Guide, respectively.
The software is required to interface with the hardware. Download the ACE software from this link then follow the installation setup from the Installing the ACE Software section of the EVALAD4190- 4 User Guide. Install the evaluation software before connecting the EVAL-AD4190-4ARDZ and the EVAL-SDP-CK1Z to the PC's USB port to ensure that the evaluation system is recognized correctly when connected.
After the evaluation software installation is complete, connect the EVAL-SDP-CK1Z to the EVAL-AD4190-4ARDZ and then connect the EVAL-SDP-CK1Z to the USB port of the PC using the supplied cable. Launch the ACE software and download and install the AD4190-4 ACE Plug-in. Refer to the EVAL-AD4190-4ARDZ user guide for the complete installation guide of the AD4190-4 ACE Plugin.
SETUP AND TEST
Do not connect power to the hardware until both the EVALAD4190- 4ARDZ and the EVAL-SDP-CK1Z are connected and links are properly configured for the load cell application. Figure 5 shows a functional block diagram of the test setup for a 6-wire bridge configuration.
The EVAL-AD4190-4ARDZ is required to test the circuit. In addition, a 6-wire load cell must also be used.
- 350Ω load cell with 2mV/V sensitivity
To configure the hardware, take the following steps:
- Set all links on the EVAL-AD4190-4ARDZ for load cell application as shown in Figure 6.
- Connect the EVAL-SDP-CK1Z to the EVAL-AD4190-4ARDZ evaluation board via the Arduino headers.
- Connect the load cell in a 6-wire configuration.
- Connect the EVAL-SDP-CK1Z to the PC via the USB cable.
- Run the ACE software.
- The ACE software should be able to detect the EVALAD4190- 4ARDZ board.
- Double-click the AD4190 Board icon to open the AD4190 Board view as shown in Figure 8 and select the Load Cell demo mode.
- Set the necessary values in the Load Cell demo mode, click the Write Registers then apply the zero load and full scale load, and perform the calibrations.
- For more details about the ADC register map settings, calibration, and measurement procedures, see the Tutorial section of the AD4190 plugin.









