LTC2378-20

製造中

INLが0.5ppmの20ビット、1Msps、低消費電力SAR A/Dコンバータ

利用上の注意

本データシートの英語以外の言語への翻訳はユーザの便宜のために提供されるものであり、リビジョンが古い場合があります。最新の内容については、必ず最新の英語版をご参照ください。

なお、日本語版のデータシートは基本的に「Rev.0」(リビジョン0)で作成されています。そのため、英語版が後に改訂され、複数製品のデータシートがひとつに統一された場合、同じ「Rev.0」の日本語版のデータシートが異なる製品のデータシートとして表示されることがあります。たとえば、「ADM3307E」の場合、日本語データシートをクリックすると「ADM3311E」が表示されます。これは、英語版のデータシートが複数の製品で共有できるように1本化され、「ADM3307E/ADM3310E/ADM3311E/ADM3312E/ADM3315E」(Rev.J)と改訂されたからで、決して誤ってリンクが張られているわけではありません。和文化されたデータシートを少しでも有効に活用していただくためにこのような方法をとっておりますので、ご了解ください。

アナログ・デバイセズ社は、提供する情報が正確で信頼できるものであることを期していますが、その情報の利用に関して、あるいはその利用によって生じる第三者の特許やその他の権利の侵害に関して一切の責任を負いません。また、アナログ・デバイセズ社の特許または特許の権利の使用を明示的または暗示的に許諾するものでもありません。仕様は予告なしに変更する場合があります。本紙記載の商標および登録商標は、各社の所有に属します。

Viewing:

製品情報

  • スループット・レート:1Msps
  • INL:±0.5ppm(標準)
  • 欠落コードのない20ビットを保証
  • 低消費電力:1Mspsで21mW、1kspsで21μW
  • SNR:標準104dB(fIN = 2kHz)
  • THD:標準-125dB(fIN = 2kHz)
  • デジタル利得圧縮(DGC)
  • 85°Cまでの動作を保証
  • 2.5V電源
  • 完全差動入力電圧範囲:±VREF
  • VREFの入力電圧範囲:2.5V~5.1V
  • パイプライン遅延なし、サイクル待ち時間なし
  • I/O(入出力)の電圧範囲:1.8V~5V
  • デイジーチェーン・モードを備えたSPI互換シリアルI/O
  • 内部変換クロック
  • 16ピンMSOPおよび4mm × 3mm DFNパッケージ

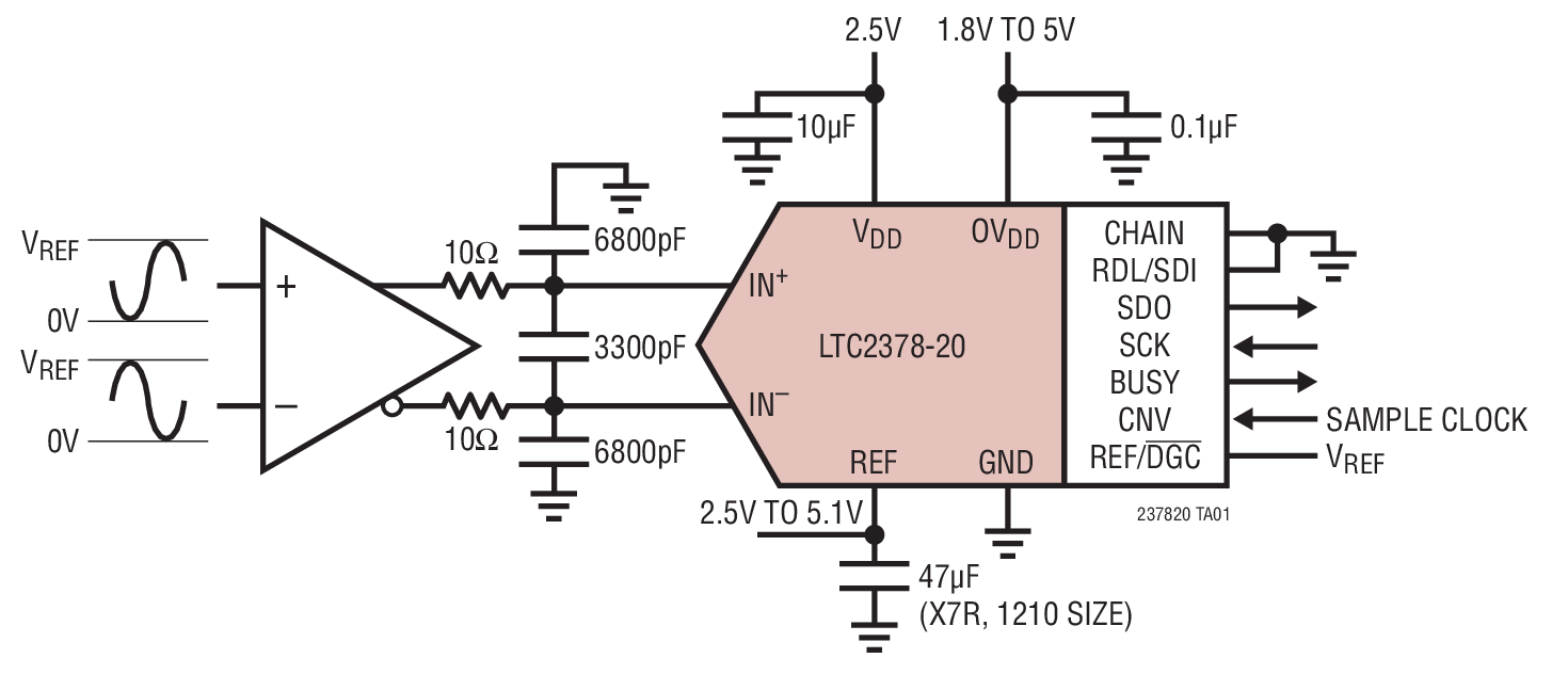
LTC2378-20は、低ノイズ、低消費電力の高速20ビット逐次比較レジスタ(SAR)A/Dコンバータです。LTC2378-20は2.5V電源で動作し、その完全差動入力電圧範囲は±VREFで、VREFの範囲は2.5V~5.1Vです。LTC2378-20は、消費電力がわずか21mWで、 ±2ppmのINL(最大)、20ビット分解能で欠落コードなし、104dBのSNRを実現します。

LTC2378-20は、1.8V、2.5V、3.3Vおよび5VのロジックをサポートするSPI互換の高速シリアル・インタフェースを内蔵しており、さらにデイジーチェーン・モードも備えています。LTC2378-20はスループットが1Mspsと高速でサイクル待ち時間がないので、多種多様な高速アプリケーションに最適です。内部発振器が変換時間を設定するので、外部のタイミングに対する配慮は少なくて済みます。LTC2378-20は、変換と変換の間は消費電力が自動的に低下するので、サンプリング・レートに比例して電力損失が減少します。

LTC2378-20は独自のデジタル利得圧縮(DGC)機能を備えているので、ドライバ・アンプの負電源がなくてもA/Dコンバータの最大限の分解能を維持できます。この機能をイネーブルすると、A/Dコンバータはゼロスケール・コードを0Vから0.1 • VREFにマップし、フルスケール・コードをVREFから0.9 • VREFにマップするデジタルのスケール調整機能を実行します。5Vの標準的リファレンス電圧の場合、フルスケールの入力電圧範囲は0.5V~4.5Vになるので、5.5V単電源からドライバ・アンプに電力を供給するための十分なヘッドルームを確保できます。


アプリケーション

  • 医療用画像処理
  • 高速データ収集
  • ポータブル機器または小型機器
  • 産業用プロセス制御
  • 低消費電力のバッテリ駆動計測装置
  • ATE(自動試験装置)

LTC2378-20
INLが0.5ppmの20ビット、1Msps、低消費電力SAR A/Dコンバータ
Integral Nonlinearity vs Output Code Product Package 1 Product Package 2
myAnalogに追加

myAnalogの製品セクション(通知受け取り)、既存/新規プロジェクトに製品を追加する。

新規プロジェクトを作成
質問する
サポート

アナログ・デバイセズのサポート・ページはアナログ・デバイセズへのあらゆるご質問にお答えするワンストップ・ポータルです。


ドキュメント

データシート

これは最新改訂バージョンのデータシートです。

さらに詳しく
myAnalogに追加

myAnalogのリソース・セクション、既存/新規プロジェクトにメディアを追加する。

新規プロジェクトを作成

ソフトウェア・リソース

評価用ソフトウェア 3

DC1925A-A FPGA/CPLD Source Code

DC2135A FPGA/CPLD Source Code

LinearLabTools

リニアテクノロジーのデータ・コンバータ評価用ボードに直接アクセスできるMATLABとPythonのプログラムを集めたツールです。


ハードウェア・エコシステム

製品モデル 製品ライフサイクル 詳細
インターフェース・トランシーバ & アイソレータ 1
LTM2893 製造中 100MHz絶縁型ADCシリアル・インタフェース
デジタル・アイソレータ 1
LTM2883 製造中 ±12.5Vおよび5Vの可変安定化電源を備えたSPI/デジタルまたはI2C対応のμModuleアイソレータ
マッチング抵抗およびトランジスタ 1
LT5400 新規設計に推奨 整合したクワッド抵抗ネットワーク
差動アンプ 1
LTC6363 最終販売 差動アンプ/ADCドライバ・ファミリ、高精度、低消費電力
電圧リファレンス 1
LTC6655 製造中 ノイズが0.25ppmの低ドリフト高精度リファレンス
Modal heading
myAnalogに追加

myAnalogの製品セクション(通知受け取り)、既存/新規プロジェクトに製品を追加する。

新規プロジェクトを作成

ツールおよびシミュレーション

LTspice 1


高精度ADC ドライバ・ツール

高精度ADCドライバ・ツールは、高精度ADCとドライバを組み合わせたときの性能をシミュレートするWebアプリケーションです。ドライバの選択、キックバックのセトリング、歪みの潜在的な問題を明らかにし、設計のトレードオフを短時間で評価できます。システム・ノイズ、歪み、ADC入力のセトリングについてシミュレーションと計算ができます。

ツールを開く

Linduino 3

IBISモデル 1

LTspice

LTspice®は、無料で提供される強力で高速な回路シミュレータと回路図入力、波形ビューワに改善を加え、アナログ回路のシミュレーションを容易にするためのモデルを搭載しています。

 

Linduino

Linduino はアナログ・デバイセズの Arduino 互換システムで、アナログ・デバイセズ製集積回路のファームウェア・ライブラリおよびサンプル・コードの開発と配布に使用します。Linduino対応の各製品には、LTSketchbook/Part Numberフォルダに定義されたサンプルのメイン・プログラムと、LTSketchbook/librariesフォルダに定義されたドライバ・コードが含まれています。

GitHub上のLinduinoコードのリポジトリとコード使用方法

LTSketchbookをダウンロード

Linduinoを購入


評価用キット

eval board
EVAL-ADMX1001

完全差動入力アクイジション・チャンネルを備えた超低歪み信号発生器測定モジュール

機能と利点

  • 超低歪み、高分解能ソース
    • DC、50Hz~40kHzの周波数範囲
    • 独自のデジタル・プリディストーション(DPD)アルゴリズム
    • THD:−130dBc THD(1kHz時の代表値)
    • オンボード・パターン・メモリを用いた任意波形発生(AWG)
    • 差動(バランス)出力:最大3.5VRMS
    • 保存された複数の波形間の高速パターン切り替え
  • 完全差動入力アクイジション・チャンネル
  • スモール・フォーム・ファクタ(60mm × 40mm)
  • 低消費電力:1W(代表値、自己消費電力)
  • テストおよび測定システムに統合するためのSPIインターフェース

製品詳細

ADMX1001は、アクイジション・チャンネルを備えた超低歪み正弦波および高分解能任意波形の発生器です。この高性能モジュールは、独自のデジタル・プリディストーション・アルゴリズムの実例となるものであり、信号歪みを、高性能D/Aコンバータ(DAC)とアンプだけで達成できるレベルよりも低減します。その差動出力は、高性能A/Dコンバータ(ADC)、オーディオ・コーデック、およびその他のオーディオICやシステムのテストで必要とされることが多いコモンモード・レベルに設定できます。信号発生器とアクイジション・チャンネルは、別々の使いやすいSPIインターフェースを用いて個別に制御できます。ADMX1001は、スモール・フォーム・ファクタを有するため、テスト・システムに容易に組み込むことができ、あるいは、測定や特性評価用の作業台で簡単に使用できます。

アプリケーション

  • ハイエンド・オーディオのテスト
  • A/Dコンバータの特性評価およびテスト
  • センサーおよびトランスデューサーのテスト
  • 周波数応答とネットワーク解析
  • 自動試験装置(ATE)

eval board
EVAL-ADMX1002

超低歪み信号発生器測定モジュール

機能と利点

  • 超低歪み、高解像度ソース
    • 周波数範囲:DC 、50Hz~40kHz
    • 独自のデジタル・プリディストーション(DPD)アルゴリズム
    • −130dBc THD(1kHz(代表値)の時)
    • 内蔵パターン・メモリを用いた任意波形発生(AWG)
    • 差動(バランス型)出力:最大3.6VRMS
  • 複数の記憶された波形間の高速パターン・スイッチング
  • スモール・フォーム・ファクタ(60mm × 40mm)
  • 低消費電力:1W(自己消費、代表値)
  • SPIインターフェースをテストおよび測定システムに統合

製品詳細

ADMX1002は、超低歪み、正弦波、高解像度の任意波形発生器です。この高性能モジュールは、独自のデジタル・プリディストーション・アルゴリズムの採用により、信号の歪みを、高性能のDAC(D/Aコンバータ)やアンプのみが達成できるレベル以下に低減します。その差動出力は、高性能ADC(A/Dコンバータ)、オーディオ・コーデック、その他のオーディオICやシステムのテストで必要になることが多いコモンモード・レベルに合わせて設定できます。容易に導入可能なSPIインターフェースとスモール・フォーム・ファクタにより、ADMX1002は、テスト・システムへの組み込みが容易にでき、測定や特性評価用の作業台でも簡単に使用できます。

アプリケーション

  • ハイエンド・オーディオのテスト
  • A/Dコンバータの特性評価およびテスト
  • センサーおよびトランスジューサのテスト
  • 周波数応答およびネットワークの解析
  • ATE(自動試験装置)

eval board
DC1925A-A

LTC2378-20 Demo Board | 20-Bit, 1Msps, SAR ADC with 104dB SNR. Requires DC2026

製品詳細

The LTC2378-20, LTC2377-20 and LTC2376-20 are 20‑bit, low power, low noise SAR ADCs with serial outputs that operate from a single 2.5V supply. The demo manual refers to the LTC2378-20 but applies to all parts in the family, the only difference being the maximum sample rate. The LTC2378-20 supports a ±5V fully differential input range with a 104dB SNR, consumes only 21mW and achieves ±2ppm INL max with no missing codes at 20 bits. The DC1925A demonstrates the DC and AC performance of the LTC2378-20 in conjunction with the DC590 QuikEval and DC890 PScope data collection boards. Use the DC590 to demonstrate DC performance such as peak-to-peak noise and DC linearity.

eval board
DC2135A

LTC2378-20 and LT1468 Demo | Converts ±10V Single-Ended Signal with 2ppm Linearity (requires DC590 or DC890)

製品詳細

Demonstration circuit 2135A shows a simple DC accurate ADC driver circuit that converts a ±10V single-ended input signal into a fully differential signal capable of driving the LTC2378-20 with a combined linearity error of only 2ppm. The LTC2378-20 is a low power, low noise 20-bit SAR ADC with a serial output that operates from a single 2.5V supply. The demo manual refers to the LTC2378-20 but applies to all parts in the family, the only difference being the maximum sample rate. The LTC2378-20 supports a ±5V fully differential input range with a 104dB SNR, consumes only 21mW and achieves ±2ppm INL max with no missing codes at 20 bits. The DC2135A is the PCB that goes with DN1032. Refer to this design note for the theory of operation for this demo circuit. An option for a pseudo differential input drive is provided.

EVAL-ADMX1001
完全差動入力アクイジション・チャンネルを備えた超低歪み信号発生器測定モジュール
ADMX1001 - Top View ADMX1001 - Bottom View ADMX1001 - Angle View ADMX1001FMCZ - Top View ADMX1001FMCZ - Bottom View ADMX1001FMCZ - Angle View EVAL-ADMX100X-FMCZKIT - Angle View EVAL-ADMX100X-FMCZKIT - Top View
EVAL-ADMX1002
超低歪み信号発生器測定モジュール
EVAL-ADMX100X-FMCZKIT - Angle View EVAL-ADMX100X-FMCZKIT - Top View ADMX1002 - Angle View ADMX1002 - Top View ADMX1002 - Bottom View
DC1925A-A
LTC2378-20 Demo Board | 20-Bit, 1Msps, SAR ADC with 104dB SNR. Requires DC2026
DC1925A-A Demo Board DC1925A-A Demo Board DC1925A-A Demo Board DC1925A-A Demo Board DC1925A-A - Schematic
DC2135A
LTC2378-20 and LT1468 Demo | Converts ±10V Single-Ended Signal with 2ppm Linearity (requires DC590 or DC890)
DC2135A Schematic

最新のディスカッション

LTC2378-20に関するディスカッションはまだありません。意見を投稿しますか?

EngineerZone®でディスカッションを始める

最近表示した製品