高分解能のA/Dコンバータを低消費電力で駆動する高精度完全差動入力オペアンプ
LTC6362オペアンプは差動出力を生成するので、完全な差動アナログ信号を処理したり、シングルエンド信号を入力して完全な差動信号に変換するのに最適です。この種の完全な差動特性を持つ他のオペアンプの多くは超高速動作向けに最適化されているので、消費電力が大きくなりDC精度が不十分になります。LTC6362は、差動出力、低消費電力、高精度DCオフセット電圧の三つを組み合せているという点でユニークな存在です(表1参照)。
| 電源電流 | 1mA |
| 最大オフセット電圧 | 200μV |
| –3dB帯域幅 | 34MHz |
| 入力ノイズ密度 |
3.9nV/√Hz |
| 入力電圧範囲 | レール・トゥ・レール |
| 出力電圧範囲 | レール・トゥ・レール |
| 電源電圧 | 2.8V – 5.25V |
なぜ完全差動アナログ信号なのか?
アナログ信号は、通常はグランドなどの固定電位を基準にして測定された1つの信号(シングルエンド信号)として表されます。しかし、アナログ信号を完全差動にした方が良いか、または完全差動にすることが必要なときもあります。完全差動とは、2つの回路網がそれぞれ信号に応じて変化するという意味です。一方の電圧が高くなると、もう一方の電圧は必ず同じ量だけ低くなります。アナログ信号は、これら2つの回路網の間の電圧差として定義されます。
完全差動信号処理の利点の1つは、電源ノイズ、グランド・バウンス、電磁干渉(EMI)などの外部干渉に対する感度を下げられることです。たとえば、完全差動信号を搬送する2本の導体に電源ノイズが等しく結合した場合、差動信号は影響を受けない状態を維持できます。
完全差動信号処理のもう1つの利点は、所定の電源電圧範囲内でより大きな信号を処理できることです。たとえば、5V単電源から電力を供給しているシステムでは、従来のシングルエンド信号で変化できる範囲は最大5Vまでです。しかし、完全差動信号は–5Vから5Vまで(10VP–P)変化できます。これは、2つの回路網の一方を他方より高くまたは低くできるので、信号の振幅が実質的に2倍になるからです。所定のノイズフロアに対して信号の最大振幅を2倍にすると、信号対ノイズ比(SNR)は6dB改善されます。
最後に、一部の半導体部品では、完全差動信号を入力することが(データシートによって)要求されています。高いサンプル・レートで変換するA/Dコンバータ(例:10Mspsより高速のパイプラインA/Dコンバータ)や、きわめて高い分解能、高い直線性、および低ノイズを実現するA/Dコンバータ(例:分解能が18ビット以上およびSNRが100dB 以上のSAR A/Dコンバータ)では、この完全差動入力要件がほぼ当てはまります。したがって、これらの部品を使用するには、シグナルチェーン内のどこかのポイントでアナログ信号を完全差動信号に変換する以外、選択肢はありません。
動作原理
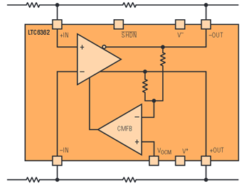
差動オペアンプが動作する仕組みを詳しく調べてみましょう。通常のオペアンプと同様、差動アンプには2つの入力がありますが、通常のオペアンプとは異なり、出力も2つあり、–OUTおよび+OUTという名前が付いています。通常のオペアンプは、差動入力と1つの出力の間の開ループ利得が高いことが特長です。一方、完全差動オペアンプは、差動入力と差動出力の間の開ループ利得が高いことが特長です。
帰還も差動でかけることが必要です。差動出力の一部を差動入力に戻す4つの外付け抵抗を図1に示します。通常のオペアンプと同様に、高い開ループ利得と帰還の組み合わせにより、2つの入力は事実上強制的にほぼ同じ電圧にバイアスされ、「仮想接地」とも呼ばれます。回路解析は仮想接地の概念に基づいています。この回路の差動利得は次式と同等です。
![]() |
(1) |

図1.4つの外付け抵抗により、差動オペアンプの周囲に帰還がかかります。
式1は、差動出力電圧が2つの入力間の電圧差にのみ依存し、各入力の絶対電圧には無関係であることを示しています。シングルエンド入力を差動出力に変換するには、一方の入力を単純にグランドに接続します。
式1は差動出力電圧を求める方法を示していますが、この式からは各出力の電圧も2つの出力ノードの平均電圧も分かりません。LTC6362では、2つの出力の瞬時平均(出力同相電圧)は入力電圧と無関係で、代わりにユーザがVOCMピンの電圧で決定します。
![]() |
(2) |
2つの出力の平均と2つの出力の差が両方とも既知の場合は、式1と式2を2つの式と2つの変数による連立一次方程式として、各出力の値を求めることができます。
LTC6362 の差動出力を式1で決定できる一方で、同相出力がVOCMで保持される仕組みを図2に示します。LTC6362は、追加の帰還ループと独立したエラーアンプを備えています。2つの内部抵抗が2つの出力の瞬時平均を測定し、その電圧をエラーアンプに供給します。エラーアンプの他方の入力にはVOCMピンが接続されています。エラーアンプの出力は、エラーアンプの駆動状況に応じてオペアンプの各出力電圧が上下に変化するようにメインアンプに接続されます(これはメイン・オペアンプの出力段を駆動するミラー回路に注入される追加電流とみなすことができます)。この同相帰還ループが安定した動作点に近づくと、2つの出力の平均がVOCMに等しくなることが確実になりますが、2つの出力の電圧差はメイン・オペアンプを取り囲む差動帰還回路によって制御されます。

図2.LTC6362差動オペアンプは、追加の帰還ループとエラーアンプを内蔵しており、同相帰還(CMFB)ループを形成しています。
接続方法
回路の差動利得が抵抗比RF/RI によって単純に設定され、出力同相電圧がVOCM の電圧によって無関係に設定されることを理解したら、LTC6362をさまざまな信号変換に応用するのは簡単です。いくつかの標準的な例を図3および図4に示します。

図3.0V~5Vの入力信号を9VP–Pの差動出力に変換

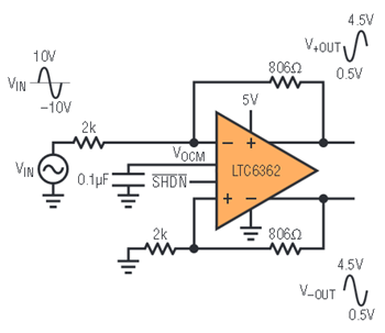
図4.±10Vの入力信号を9VP–Pの差動出力に変換
図4の例では、オペアンプの電源を負電源レールから供給していないにもかかわらず、入力信号をグランドより低い電位まで振っていることに気づくでしょう。この回路は帰還抵抗の分圧器動作とLTC6362のレール・トゥ・レール入力段のおかげで機能します。オペアンプ自体の入力ピンは、最大で両方の電源レールまでのあらゆる電圧で動作するよう完全に規定されています。これらの回路例の解析やシミュレーションを実行することで、信号入力の電圧がグランド電位より低くなる場合でも、オペアンプ入力の電圧がグランド電位より低くなる必要はないことを確かめることができます。
低ノイズとその計算方法
差動信号処理の重要な利点の1つは、システムの信号対ノイズ比を倍増できる可能性があることです。そこで、LTC6362のような差動オペアンプのノイズ性能を解析する方法について詳しく調べてみましょう。
このオペアンプは、入力換算ノイズ密度として4nV/ √Hzよりわずかに低い値を規定しています。これは一方の入力に直列に接続したノイズ電圧源としてモデル化できます。回路の出力でのこのノイズの影響は、帰還抵抗比の逆数になります。たとえば、すべての抵抗値が同じである場合は、出力電圧の1/2 がオペアンプの入力に帰還されるので、オペアンプの入力ノイズは出力では2倍となって現れます。
さらに、4つの帰還抵抗は、それぞれ√4kTRだけノイズに寄与します。これらのノイズ源の寄与分を合計する必要があります。RF = RI = 1kを使用した例では、全出力ノイズは12nV/√Hzとなります。
回路の全出力ノイズ密度が分かったら、対象の帯域幅にわたって積分することにより、RMSノイズを計算できます。通常どおり、帯域幅を狭くするとノイズの平均をとる時間が長くなるので、測定される全ノイズは小さくなります。たとえば、1MHzの単極フィルタのノイズ帯域幅は1.57MHzです。12nV/ √Hzのノイズ密度をこの帯域幅で積分すると、全ノイズは約15μVRMSになります。
回路の最大SNRは、最大の信号をノイズで割れば計算できます。LTC6362は5V単電源でのレール・トゥ・レール出力を特長としているので、ほぼ10VP–P の差動出力振幅が得られます。この値をRMSに変換(3.5VRMS)してノイズ(15μVRMS)で割ると、この1MHzのノイズ帯域幅で233,000つまり107dBを超えるSNRが得られます。107dBという数値から、LTC6362はLTC2378-20(104dBのSNRを備え、完全差動入力駆動が必要な20ビットSAR A/Dコンバータ)にふさわしいデバイスであることが分かります。
20ビットSAR A/Dコンバータの駆動
1MspsでサンプリングするLTC2378-20(20ビットSAR A/Dコンバータ)をLTC6362によって駆動する方法を図5に示します。LTC6362はシングルエンド入力信号を受けて、A/Dコンバータの規定と同様の完全差動出力に変換します。

図5.20ビット1MspsのA/DコンバータLTC2378-20を駆動するLTC6362
アンプとA/Dコンバータの間にあるRCフィルタ回路網は、いくつかの目的を果たします。第1に、フィルタ回路網は、A/Dコンバータに入り込む広帯域ノイズの量を低減します。A/Dコンバータのサンプリングが1Mspsの場合、ナイキスト基準によると、500kHzより高いすべての信号で折り返しエラーが発生し、低周波数の信号と区別がつかなくなります。これは広帯域ノイズでも同様なので、広帯域ノイズをA/Dコンバータに入れることは禁物です。第2に、コンデンサは、A/Dコンバータ内部のサンプリング・コンデンサからの電荷キックバックを吸収する電荷貯蔵器として機能します。A/Dコンバータは、前回の変換を終了するたびに、放電状態のサンプル・コンデンサ(約45pF)をアンプ回路に再接続します。A/Dコンバータの入力にかなり大容量の平滑コンデンサを配置することにより、これらのサンプル・コンデンサに起因する電圧変動を低減します。
A/Dコンバータが変換を終了してから次の変換を開始するまでの期間は収集時間と呼ばれます。これは、サンプル・コンデンサがアンプ回路との接続状態を維持している期間です。
この期間中に、RC回路網によって電圧変動がA/Dコンバータの分解能の範囲内に十分安定化されることが理想です。実際には、広帯域ノイズとセトリング時間を天秤に掛けることになるでしょう。幸いにも、A/DコンバータLTC2378-20の電荷キックバックは比較的直線的なので、サンプル・コンデンサが最終値まで完全に安定化されていない場合でも、優れた直線性が保証されます。
図5に示す回路の総合的な性能として、SNRは103dB、THDは107dBを達成しています。これは1Mspsでのデータ収集システムとしては画期的な性能です。特に、LTC6362は、完全差動入力を厳密な同相状態でA/Dコンバータに入力する負担を軽減します。実際に、この回路への入力は従来のシングルエンド・アナログ信号です。その他の入力範囲に合わせて回路を構成するには、以前の図で示したように、外付け抵抗を適切に選択するだけで済みます。
25MspsパイプラインA/Dコンバータの駆動
高速パイプラインA/Dコンバータは、通常、入力を完全な差動で駆動することが必要です。周波数成分がDC~約1MHzのシングルエンド・アナログ信号を入力し、この信号を25Mspsでオーバーサンプリングする方法を図6に示します。

図6.16ビットの高速パイプラインA/DコンバータLTC2160を駆動するLTC6362
ここで、LTC6362は信号を差動出力に変換します。A/DコンバータLTC2160は、同相入力電圧を0.9Vにすることを求めています。A/DコンバータのVCMピンをアンプのVOCMピンに接続することでこの目的を達成します。この低い同相電圧をサポートできる差動オペアンプはほとんどありませんが、この低電圧でもLTC6362はその性能を発揮できます。この回路のSNRは77dBで、A/DコンバータのSNR規格と同等であり、A/Dコンバータとアンプの全消費電力がそれぞれ45mWおよび3mWと低いことを考えると、かなり優れています。
差動ライン・ドライバ
あるPCBから別のPCBへ比較的長い距離間のアナログ信号伝送が必要になることがあります。このための手っ取り早い方法は、差動より対線を使用することです。ノイズ結合やその他の妨害に対する耐性を持っているからです。前述したように、LTC6362は従来のシングルエンド信号を完全差動信号に変換できます。この場合には、図7に示すように差動ラインを介して信号を駆動します。

図7.信号の状態を調整して差動より対線の両端を駆動するLTC6362
差動アクティブ・フィルタ
オペアンプのRCアクティブ・フィルタを使用して、複数の極を持つローパス・フィルタと、比較的安定したカットオフ周波数を形成することができます。従来のオペアンプを使用してこれを実行する回路例は、すぐに入手できます。LTC6362を使用すると、そうしたフィルタを差動で完全に実装できます。
4極の50kHzローパス・フィルタの例を図8に示します。この例では、LTC6362が3つの機能を同時に実行します。つまり、シングルエンド入力信号を完全差動信号に変換し、4極のローパス・フィルタを形成して、高性能A/Dコンバータ(この例では、16ビット20MspsのLTC2380-16)を駆動します。

図8.差動アクティブRCフィルタとして構成したLTC6362
必ずしもすべての差動オペアンプがこのような使用法に対応できるわけではありません。帰還コンデンサは、周波数が高いとオペアンプの出力と入力の間に直接の短絡経路を形成するので、高周波での帰還率は帰還抵抗を使用した回路の場合よりはるかに大きくなります。オペアンプの位相余裕が不十分な場合は、発振やリンギングが発生します。従来のオペアンプとは対照的に、この構成でのLTC6362の動作は特筆に値します。
まとめ
LTC6362は高機能で多用途の差動オペアンプです。高精度のDC規格、低消費電力、およびレール・トゥ・レール動作により、差動信号が必要なさまざまな高性能A/Dコンバータを駆動できるだけでなく、アクティブ・フィルタ処理動作や差動ケーブルの駆動も可能です。

