ADCLK905

新規設計に推奨

ECLクロック / データ・バッファ、超高速SiGe

利用上の注意

本データシートの英語以外の言語への翻訳はユーザの便宜のために提供されるものであり、リビジョンが古い場合があります。最新の内容については、必ず最新の英語版をご参照ください。

なお、日本語版のデータシートは基本的に「Rev.0」(リビジョン0)で作成されています。そのため、英語版が後に改訂され、複数製品のデータシートがひとつに統一された場合、同じ「Rev.0」の日本語版のデータシートが異なる製品のデータシートとして表示されることがあります。たとえば、「ADM3307E」の場合、日本語データシートをクリックすると「ADM3311E」が表示されます。これは、英語版のデータシートが複数の製品で共有できるように1本化され、「ADM3307E/ADM3310E/ADM3311E/ADM3312E/ADM3315E」(Rev.J)と改訂されたからで、決して誤ってリンクが張られているわけではありません。和文化されたデータシートを少しでも有効に活用していただくためにこのような方法をとっておりますので、ご了解ください。

アナログ・デバイセズ社は、提供する情報が正確で信頼できるものであることを期していますが、その情報の利用に関して、あるいはその利用によって生じる第三者の特許やその他の権利の侵害に関して一切の責任を負いません。また、アナログ・デバイセズ社の特許または特許の権利の使用を明示的または暗示的に許諾するものでもありません。仕様は予告なしに変更する場合があります。本紙記載の商標および登録商標は、各社の所有に属します。

Viewing:

製品情報

  • 95psの伝播遅延
  • 7.5GHzのトグル・レート
  • 60ps(typ)の出力立上がり / 立下がり
  • 60fsのランダム・ジッタ(RJ)
  • 両入力ピンのオンチップ終端
  • 拡張工業用温度範囲:
    -40~+125℃
  • 2.5~3.3V電源(VCC-VEE

ADCLK905(1入力1出力)、ADCLK907(2個の1入力1出力)、ADCLK925(1入力2出力)は、アナログ・デバイセズ独自のXFCB3シリコン・ゲルマニウム(SiGe)バイポーラ・プロセスで製造された超高速のクロック / データ・バッファです。

ADCLK905 / ADCLK907 / ADCLK925 は、フルスイングECL(エミッタ結合ロジック)出力ドライバを備えています。PECL(正のECL)動作では、VCCを正側電源、VEEをグラウンドにバイアスします。 NECL(負のECL)動作は、VCCをグラウンド、VEEを負側電源にバイアスします。

バッファは、伝播遅延が95ps、トグル・レートが7.5GHz、データレートが10Gbps、ランダム・ジッタ(RJ)が60fsです。

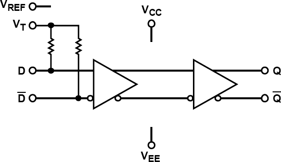
入力には、センタータップ型の100Ω終端抵抗を備えています。また、AC結合入力をバイアスするためにVREFピンを用意しています。

ECL出力段はVCC-2Vに終端した50Ωに800mVを直接駆動する設計で、全差動出力振幅は1.6Vになります。

ADCLK905 / ADCLK907 / ADCLK925は、16ピンLFCSPパッケージを採用しています。

アプリケーション

  • クロック / データ信号の再生とレベル・シフト
  • 自動試験装置(ATE)
  • 高速計測機器
  • 高速ライン・レシーバ
  • スレッショールド検出
  • コンバータのクロッキング

ADCLK905
ECLクロック / データ・バッファ、超高速SiGe
ADCLK905 Functional Block Diagram ADCLK905 Pin Configuration
myAnalogに追加

myAnalogの製品セクション(通知受け取り)、既存/新規プロジェクトに製品を追加する。

新規プロジェクトを作成
質問する
サポート

アナログ・デバイセズのサポート・ページはアナログ・デバイセズへのあらゆるご質問にお答えするワンストップ・ポータルです。


ドキュメント

さらに詳しく
myAnalogに追加

myAnalogのリソース・セクション、既存/新規プロジェクトにメディアを追加する。

新規プロジェクトを作成

ソフトウェア・リソース

必要なソフトウェア/ドライバが見つかりませんか?

ドライバ/ソフトウェアをリクエスト

ツールおよびシミュレーション

ADIsimCLK設計および評価用ソフトウェア

ADIsimCLKはアナログ・デバイセズの超低ジッタのクロック分配器とクロック生成製品向けに開発された設計ツールです。ADIsimCLKを使用すれば、ワイヤレス・インフラストラクチャ、計測器、ネットワーキング、ブロードバンド、ATE(自動試験装置)あるいはクロック性能が予測可能であることが求められるあらゆる分野のアプリケーションで、設計を迅速に開発、評価、最適化できます。

ツールを開く

ADCLK905 IBIS Model 1


評価用キット

EVAL-ADCLK905

ADCLK905 Evaluation Board

製品詳細

The ADCLK905/ADCLK907/ADCLK925 clock buffers are very fast, making it important to use adequate high bandwidth instruments to evaluate them. To that end, the evaluation board is fabricated using a high quality dielectric material between layers to maintain high signal integrity. Transmission line paths are kept as close to 50 Ω as possible.

EVAL-ADCLK905
ADCLK905 Evaluation Board

リファレンス・デザイン

CN0290 Circuits from the Lab®

高性能フェーズ・ロック・ループの 低周波数の範囲を拡大する ※Rev.0を翻訳したものです。最新版は英語資料をご覧ください。

機能と利点

  • 低周波数の範囲を拡大したフェーズ・ロック・ループ
  • 局部発振周波数:最小10MHz、基準周波数:最小100MHz
  • 低歪みと低位相ノイズ
CN0290
高性能フェーズ・ロック・ループの 低周波数の範囲を拡大する ※Rev.0を翻訳したものです。最新版は英語資料をご覧ください。

最新のディスカッション

最近表示した製品