LTC4221
推荐用于新设计具双速、双级故障保护能力的双通道热插拔控制器/电源排序器
- 产品模型
- 4
概述
- 允许在带电背板上安全地进行电路板的插拔操作
- 可配置电源排序
- 具电流折返功能的软起动可限制浪涌电流
- 无需外部栅极电容器
- 可调双级电路断路器保护
- 可控制 1V 至 13.5V 的电源电压
- 独立 N 沟道 MOSFET 高端驱动器
- FB 引脚监视 VOUT 以提供过压保护
- 发生电流故障时可选择锁断或自动重试
- FAULT 和 PWGRD 输出
- 窄体 16 引脚 SSOP 封装
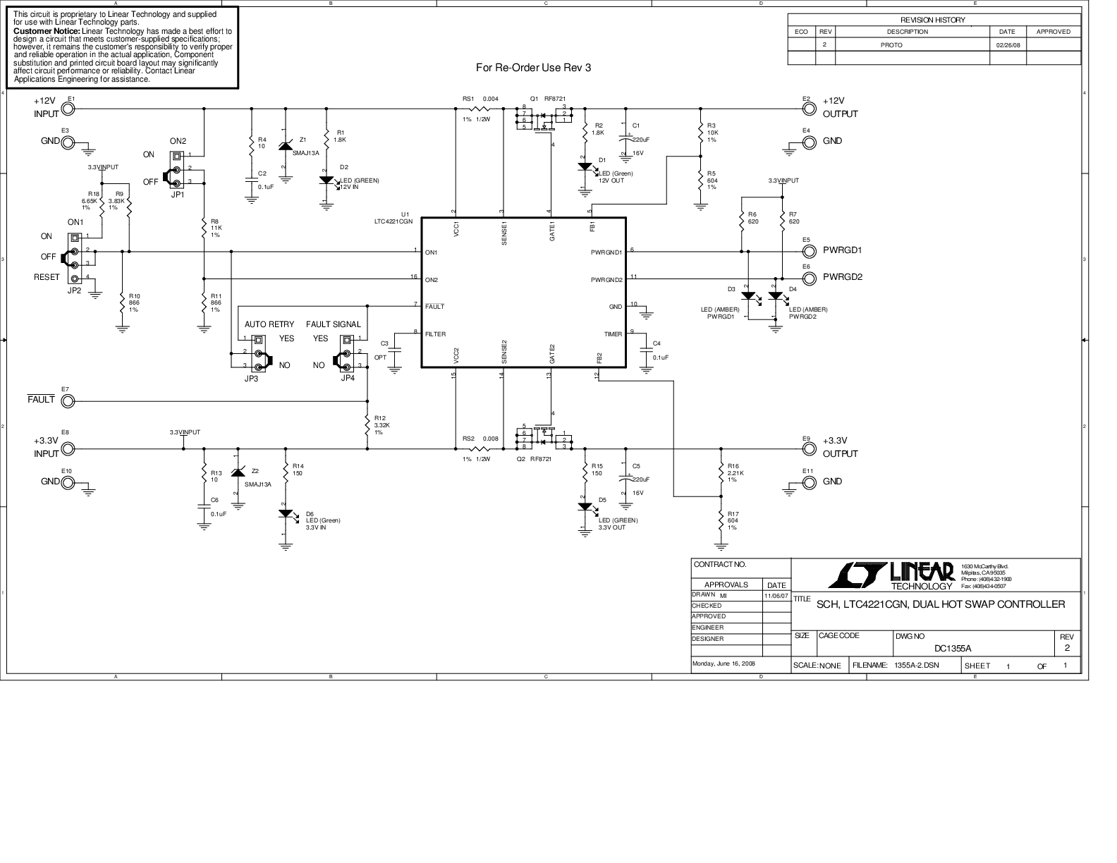
LTC®4221 是一款两通道热插拔 (Hot Swap™) 控制器,允许电路板在带电背板上安全地插入和拔出。该器件采用两个独立的高端栅极驱动器来控制两个外部 N 沟道传输晶体管,可利用电流折返功能来使输出电压斜坡上升,以限制启动期间的浪涌电流。在 GATE 引脚上无需布设外部补偿电容器。对于 2.7V 至 13.5V (通道 1) 和 1V 至 13.5V (通道 2) 的电源电压,可通过配置使两个通道独立或同时斜坡上升和下降。
每个通道具有两个电流限值比较器,用于在启动周期之后提供双级和双速过流电路断路器保护。如果任何电流检测电压超过 100mV 的持续时间达 1μs 或超过 25mV 且持续时间达到了超时延迟 (该延迟由 FILTER 引脚上的 CFILTER 来设定),则 FAULT 锁存器被设定,而且两个 GATE 引脚均被拉至低电平。
FB 引脚负责监视各自通道的输出电压,并提供 PWRGD 比较器的输入以及过压保护功能。
Applications
- 电子电路断路器
- 电源排序
- 电路板带电插拔
- 工业高端开关/电路断路器
参考资料
数据手册 1
可靠性数据 1
用户手册 1
产品选型卡 1
ADI 始终高度重视提供符合最高质量和可靠性水平的产品。我们通过将质量和可靠性检查纳入产品和工艺设计的各个范围以及制造过程来实现这一目标。出货产品的“零缺陷”始终是我们的目标。查看我们的质量和可靠性计划和认证以了解更多信息。
| 产品型号 | 引脚/封装图-中文版 | 文档 | CAD 符号,脚注和 3D模型 |
|---|---|---|---|
| LTC4221CGN#PBF | 16-Lead SSOP (Narrow 0.15 Inch) | ||
| LTC4221CGN#TRPBF | 16-Lead SSOP (Narrow 0.15 Inch) | ||
| LTC4221IGN#PBF | 16-Lead SSOP (Narrow 0.15 Inch) | ||
| LTC4221IGN#TRPBF | 16-Lead SSOP (Narrow 0.15 Inch) |
| 产品型号 | 产品生命周期 | PCN |
|---|---|---|
|
10月 3, 2024 - 24_0235 (QSOP/SSOP PKG) Migrating Bottom Trace Code Marking to Top Side Laser Marking |
||
| LTC4221CGN#PBF | 量产 | |
| LTC4221CGN#TRPBF | 量产 | |
| LTC4221IGN#PBF | 量产 | |
| LTC4221IGN#TRPBF | 量产 | |
|
10月 11, 2022 - 22_0235 Epoxy Change from Henkel 8290 to 8290A for GN Package |
||
| LTC4221CGN#PBF | 量产 | |
| LTC4221CGN#TRPBF | 量产 | |
| LTC4221IGN#PBF | 量产 | |
| LTC4221IGN#TRPBF | 量产 | |
|
4月 6, 2022 - 22_0066 Laser Top Mark for 16QSOP Assembled in ADPG [PNG] |
||
| LTC4221CGN#PBF | 量产 | |
| LTC4221CGN#TRPBF | 量产 | |
| LTC4221IGN#PBF | 量产 | |
| LTC4221IGN#TRPBF | 量产 | |
这是最新版本的数据手册
软件资源
找不到您所需的软件或驱动?
申请驱动/软件硬件生态系统
| 部分模型 | 产品周期 | 描述 |
|---|---|---|
| 保护开关和控制器 1 | ||
| LTC4226 | 量产 | 宽工作范围双通道热插拔控制器 |
工具及仿真模型
LTspice
LTspice中提供以下器件型号:
- LTC4221
LTspice®是一款强大高效的免费仿真软件、原理图采集和波形观测器,为改善模拟电路的仿真提供增强功能和模型。
评估套件
最新评论
需要发起讨论吗? 没有关于 LTC4221的相关讨论?是否需要发起讨论?
在EngineerZone®上发起讨论