概览
产品详情
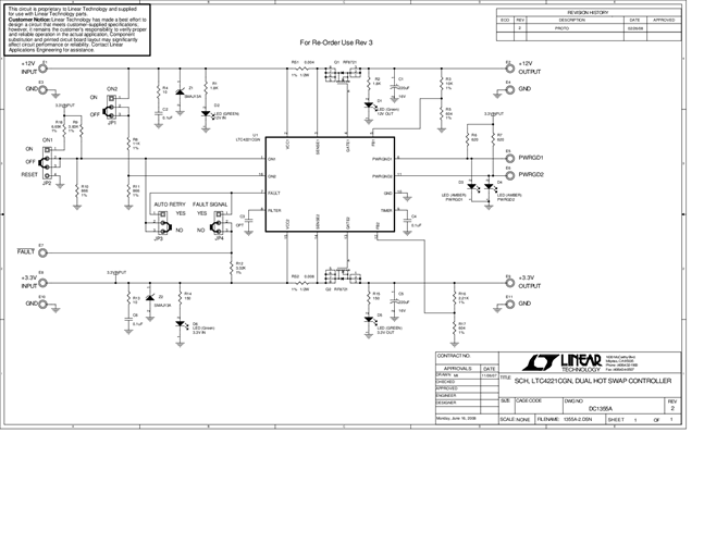
DC1355A: Demo Board for the LTC4221 Dual Hot Swap Controller/Power Sequencer with Dual Speed, Dual Level Fault Protection
相关产品
文档
-
Hot Swap Controllers2023/8/2PDF0 M
-
DC1355A - Schematic2009/9/24PDF29K
-
DC1355A - Demo Manual2009/9/24PDF228K
-
DC1355A - Design File2009/9/24ZIP2M
