LTC4055

量产

USB 电源控制器和锂离子电池充电器

产品技术资料帮助

ADI公司所提供的资料均视为准确、可靠。但本公司不为用户在应用过程中侵犯任何专利权或第三方权利承担任何责任。技术指标的修改不再另行通知。本公司既没有含蓄的允许,也不允许借用ADI公司的专利或专利权的名义。本文出现的商标和注册商标所有权分别属于相应的公司。

Viewing:

概述

  • 可直接从 USB 端口给单节锂离子电池充电
  • 与负载相关的充电操作确保了 USB 输入电流规格符合性
  • 当输入电源被拿掉时,将自动切换为电池供电
  • 具热反馈功能的恒定电流/恒定电压操作可较大限度地提高充电速率,并无过热风险
  • 可选的 100mA/500mA 电流限值
  • 低损耗全 PowerPath 控制和理想二极管操作 (反向电流隔离)
  • 具 0.8% 准确度的预设 4.2V 充电电压 (LTC4055-1 为 4.1V)
  • 4.1V 浮动电压 (LTC4055-1) 改善了电池使用寿命和高温安全裕度
  • 符合 USB 规格的暂停模式
  • 可编程充电电流和终止定时器
  • 软起动功能限制了浪涌电流
  • 用于实现适宜温度充电的 NTC 热敏电阻输入
  • 纤巧型 (4mm x 4mm x 0.75mm) QFN 封装

 

LTC®4055/LTC4055-1 是专为在便携式电池供电型应用中运作而设计的 USB 电源管理器和锂离子电池充电器。这些器件可对 USB 外设用于操作和电池充电的总电流进行管理和限制。根据电流选择引脚 (HPWR) 的状态,可以把总输入电流限制为 100mA 或 500mA。从 USB 电源或电池至 USB 外设的电压降通常小于 100mV (在 400mA) 和 20mV (在 80mA)。其他管理功能包括:自动切换至电池 (当输入电源被拿掉时)、浪涌电流限制、反向电流隔离、欠压闭锁和热停机。

LTC4055/LTC4055-1 包括一个完整的恒定电流/恒定电压线性充电器,用于给单节锂离子电池充电。施加至电池的浮动电压被保持于一个 0.8% 的严格容差,而且充电电流可采用一个接地的外部电阻器来设置。电量完全耗尽的电池将自动地以 10% 的编程电流进行涓流充电,直到电池电压超过 2.8V 为止。总充电时间由一个接地的外部电容器来设置。当电池电压降至浮动电压以下 100mV 时,将执行电池的自动再充电操作。另外,该器件还具有一个 NTC 热敏电阻输入,用于在充电过程中监视电池温度。

LTC4055/LTC4055-1 采用 16 引脚扁平 (4mm x 4mm) QFN 封装。

 


应用

  • 便携式 USB 设备:照相机、MP3 播放器、PDA

 

LTC4055
USB 电源控制器和锂离子电池充电器
Input and Battery Current vs Load Current RPROG = RCLPROG = 97.6k Product Package 1
添加至 myAnalog

将产品添加到myAnalog 的现有项目或新项目中(接收通知)。

创建新项目
提问

参考资料

了解更多
添加至 myAnalog

Add media to the Resources section of myAnalog, to an existing project or to a new project.

创建新项目

软件资源

找不到您所需的软件或驱动?

申请驱动/软件

硬件生态系统

部分模型 产品周期 描述
保护开关和控制器 1
LTC4360 推荐用于新设计 过压保护控制器
电池监控器和电量计 1
LTC2942 不推荐用于新设计 具温度、电压测量功能的电池电量测量芯片
数字隔离器 1
LTM2884 量产 具隔离式电源的隔离型 USB 收发器
Modal heading
添加至 myAnalog

将产品添加到myAnalog 的现有项目或新项目中(接收通知)。

创建新项目

评估套件

eval board
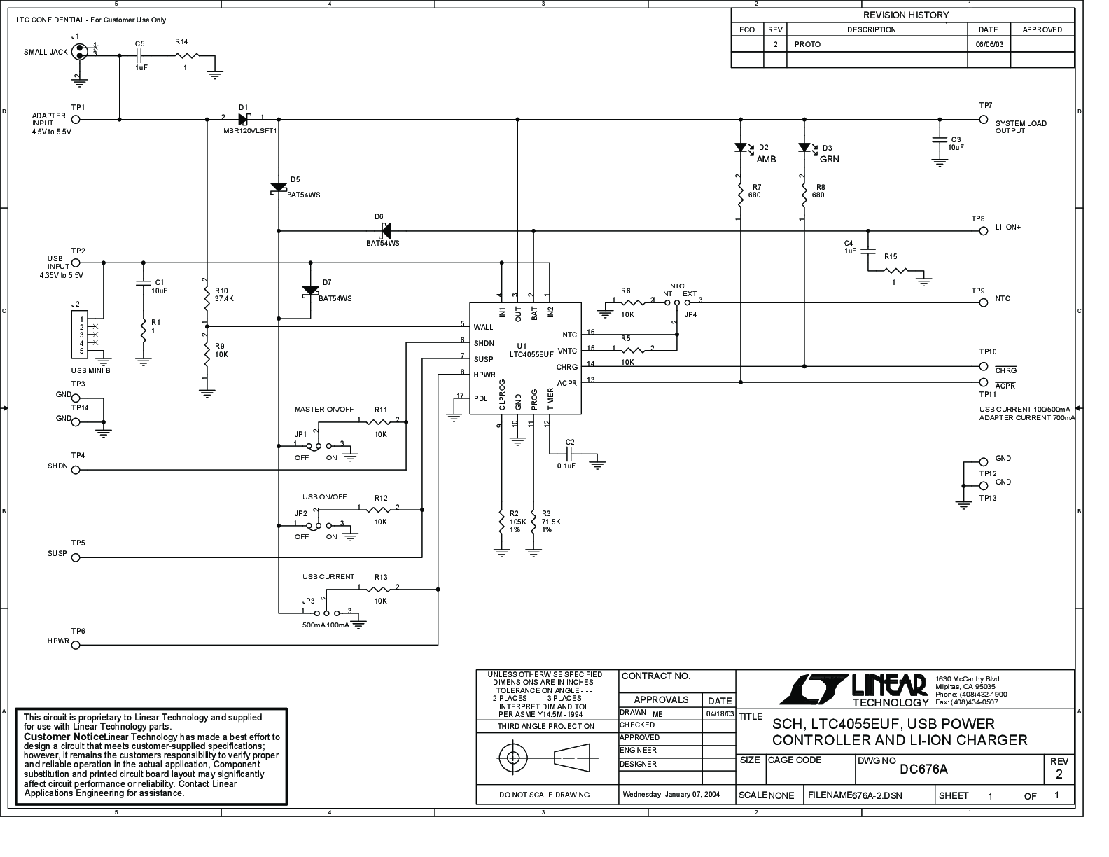
DC676A

LTC4055EUF | USB电源控制器和锂离子充电器,适配器输入 = 4.5V至5.5V,USB输入 = 4.35V至5.5V

产品详情

DC676A:LTC4055/LTC4055-1 USB电源控制器和锂离子线性充电器演示板。


 


DC676A
LTC4055EUF | USB电源控制器和锂离子充电器,适配器输入 = 4.5V至5.5V,USB输入 = 4.35V至5.5V
DC676A - Schematic

最新评论

近期浏览