LTC3452

量产

同步降压-升压型 主/相机白光 LED 驱动器

产品技术资料帮助

ADI公司所提供的资料均视为准确、可靠。但本公司不为用户在应用过程中侵犯任何专利权或第三方权利承担任何责任。技术指标的修改不再另行通知。本公司既没有含蓄的允许,也不允许借用ADI公司的专利或专利权的名义。本文出现的商标和注册商标所有权分别属于相应的公司。

Viewing:

概述

  • 高效率:在整个锂离子电池范围内 ≥85%
  • 宽 VIN 范围:2.7V 至 5.5V
  • 独立主/相机电流控制
  • 高达 425mA 的连续输出电流
  • 内部软起动
  • 开路/短路 LED 保护
  • PWM 亮度控制
  • LED 电流匹配误差通常 < 2.5%
  • 1MHz 恒定频率操作
  • 低停机电流:6.5µA
  • 过热保护
  • 小巧的耐热增强型 20 引脚 (4mm x 4mm) QFN 封装

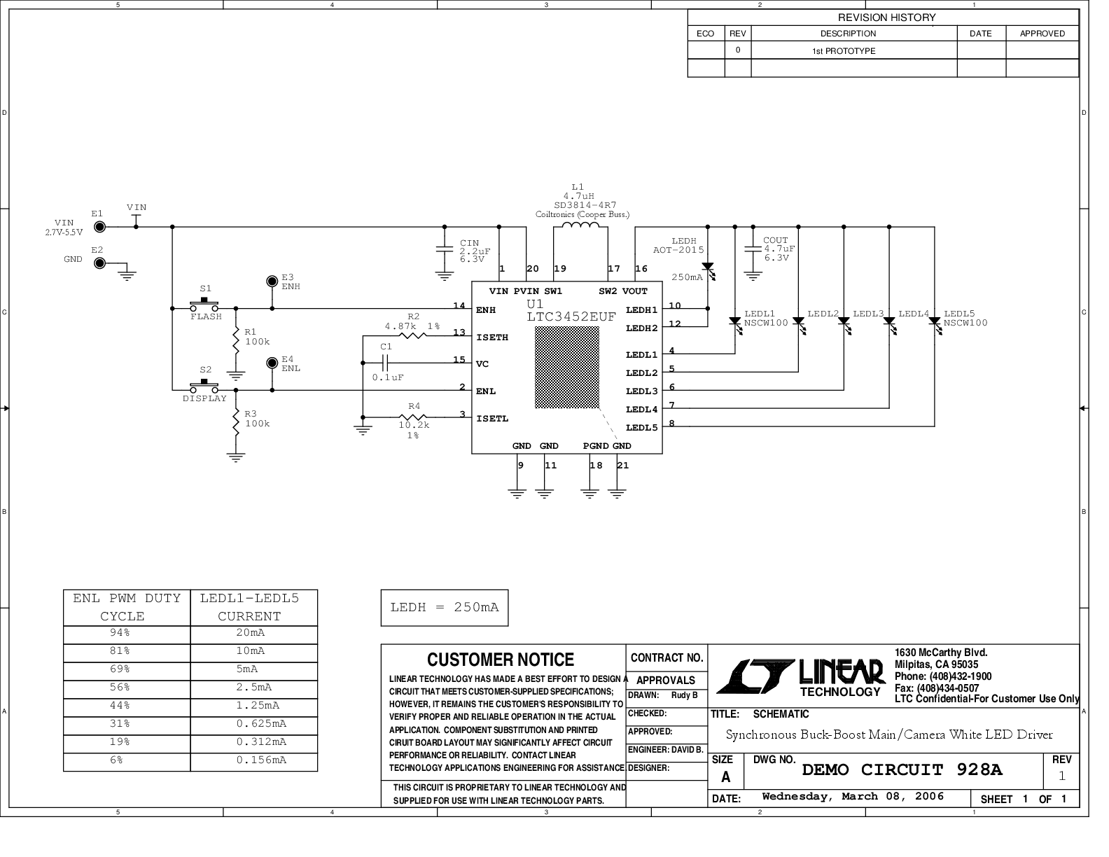
LTC®3452 是一款同步降压-升压型 DC/DC 转换器,专为从单节锂离子电池输入来驱动两组白光 LED 而优化。在低功率 LED 组中,该器件可驱动多达 5 个并联的 LED,每个 LED 的驱动电流高达 25mA,而在高功率 LED 组中,可驱动两个 LED,每个 LED 的驱动电流高达 150mA (或者一个 LED,驱动电流为 300mA)。根据输入电压和 LED 最大正向电压的不同,稳压器可工作在同步降压、同步升压或降压-升压模式。通过检测哪个 LED 在其设定电流条件下需要最大的正向压降进而调节共享输出电压以实现最低压差,可获得较佳效率。在锂离子电池的整个可用范围内 (2.7V 至 4.2V) 可实现 85% 的效率。

每个 LED 显示屏的最大 LED 电流可利用单个外部电阻器来设置。双使能引脚允许在低功率 LED 组中进行 PWM 亮度控制,并在高电流 LED 组中进行独立的接通/关断控制 (适合于 LED 照相闪光灯应用)。在停机模式中,电源电流仅为 6.5µA。

1MHz 的高恒定工作频率允许采用小型外部电感器。LTC3452 采用扁平 (高度仅为 0.75mm) 的耐热增强型 20 引脚 (4mm x 4mm) QFN 封装。

应用

  • 蜂窝电话
  • 数码相机
  • PDA
  • 便携式设备

LTC3452
同步降压-升压型 主/相机白光 LED 驱动器
5 × 20mA White LED Display + 200mA Camera Light Driver Torch and Flash Mode Efficiency Product Package 1
添加至 myAnalog

将产品添加到myAnalog 的现有项目或新项目中(接收通知)。

创建新项目
提问

参考资料

数据手册 1

可靠性数据 1

用户手册 1

了解更多
添加至 myAnalog

Add media to the Resources section of myAnalog, to an existing project or to a new project.

创建新项目

软件资源

找不到您所需的软件或驱动?

申请驱动/软件

工具及仿真模型

LTspice

LTspice®是一款强大高效的免费仿真软件、原理图采集和波形观测器,为改善模拟电路的仿真提供增强功能和模型。


评估套件

DC928A
LTC3452EUF 演示板
DC928A - Schematic

最新评论

需要发起讨论吗? 没有关于 LTC3452的相关讨论?是否需要发起讨论?

在EngineerZone®上发起讨论

近期浏览