文档
-
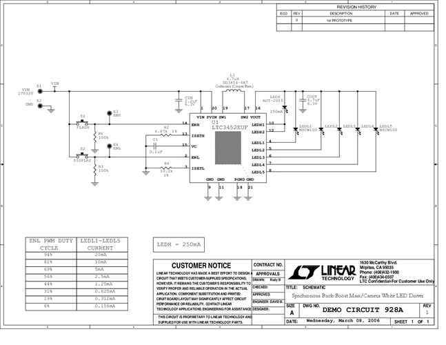
DC928A - Schematic2009/9/24PDF259K
-
DC928A - Demo Manual2009/9/24PDF332K
-
DC928A - Design File2009/9/24ZIP1M
